|
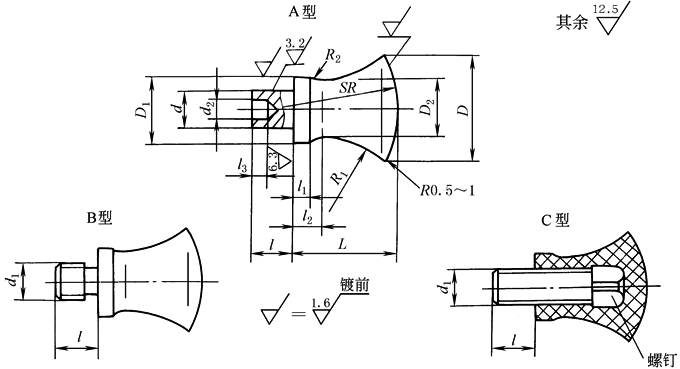
把手 (JB/T 7274.1—1994) mm |
|||||||||||||||||
|
材料:35钢;塑料。 表面处理:钢件喷砂镀铬(PS/D·Cr);镀铬抛光(D·L3Cr);氧化(H·Y)。 标记示例 A型,d=8,D=25,35钢,喷砂镀铬把手,标记为:把手 8×25 JB/T 7274.1 B型,d1=M8,D=25,35钢,喷砂镀铬把手,标记为:把手 BM8×25 JB/T 7274.1 C型,d1=M8,D=25,塑料把手,标记为:把手 CM8×25 JB/T 7274.1 |
|||||||||||||||||
|
d |
d1 |
D |
L |
l |
D1 |
D2 |
d2 |
l1 |
l2 |
l3 |
SR |
R1 |
R2 |
相配螺钉 GB/T 821 |
每件质量 /kg≈ |
||
|
基本 尺寸 |
极限偏差 js7 |
钢 |
塑料 |
||||||||||||||
|
5 |
±0.006 |
M5 |
16 |
16 |
6 |
10 |
8 |
3.5 |
3 |
5 |
3 |
20 |
12 |
1 |
M5×12 |
0.018 |
0.004 |
|
6 |
M6 |
20 |
20 |
8 |
12 |
10 |
4 |
6 |
4 |
25 |
15 |
M6×16 |
0.025 |
0.007 |
|||
|
8 |
±0.007 |
M8 |
25 |
25 |
10 |
16 |
13 |
5.5 |
4 |
7 |
32 |
20 |
1.5 |
M8×25 |
0.050 |
0.015 |
|
|
10 |
M10 |
32 |
32 |
12 |
20 |
16 |
7 |
5 |
10 |
5 |
40 |
24 |
2 |
M10×30 |
0.100 |
0.027 |
|
|
12 |
±0.009 |
M12 |
40 |
40 |
16 |
25 |
20 |
9 |
6 |
13 |
6 |
50 |
28 |
2.5 |
M12×40 |
0.200 |
0.056 |
|
注:其他技术要求按JB/T 7277的规定。 |
|||||||||||||||||

