|
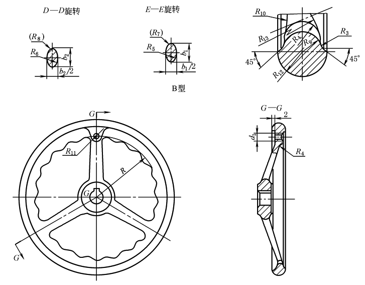
波纹圆轮缘手轮(JB/T 7273.6—1994) mm |
||||||||||||||||
|
|
||||||||||||||||
|
材料:HT200。 表面处理:喷砂镀铬(PS/D·Cr);镀铬抛光(D·L3Cr)。 标记示例 A型,d=28,D=320,喷砂镀铬波纹圆轮缘手轮的标记为:手轮 28×320 JB/T 7273.6 B型,d=28,D=320,喷砂镀铬波纹圆轮缘手轮的标记为:手轮 B28×320 JB/T 7273.6 |
||||||||||||||||
|
d |
基本尺寸 |
18 |
22 |
25 |
28 |
32 |
35 |
40 |
45 |
|||||||
|
极限偏差 H8 |
+0.027 0 |
+0.033 0 |
+0.039 0 |
|||||||||||||
|
D |
200 |
250 |
320 |
400 |
500 |
630 |
||||||||||
|
D1 |
168 |
209 |
264 |
336 |
428 |
550 |
||||||||||
|
D2 |
160 |
200 |
254 |
324 |
414 |
534 |
||||||||||
|
d1 |
M10 |
M12 |
— |
— |
— |
|||||||||||
|
d2 |
36 |
45 |
55 |
65 |
75 |
85 |
||||||||||
|
d3 |
50 |
61 |
73 |
85 |
97 |
109 |
||||||||||
|
R |
80 |
120 |
— |
— |
— |
|||||||||||
|
R1 |
5.5 |
4 |
6 |
6 |
7 |
8 |
||||||||||
|
R2≈ |
9 |
13.5 |
22 |
16 |
19 |
30 |
||||||||||
|
R3 |
4 |
5 |
6 |
7 |
||||||||||||
|
R4 |
6 |
7 |
8 |
9 |
10 |
11 |
||||||||||
|
R5 |
24 |
28 |
32 |
36 |
40 |
44 |
||||||||||
|
R6 |
20 |
22 |
24 |
28 |
32 |
36 |
||||||||||
|
R7≈ |
4.5 |
5.3 |
6 |
6.8 |
7.5 |
8.3 |
||||||||||
|
R8≈ |
3.7 |
4.1 |
4.5 |
5.3 |
6 |
6.8 |
||||||||||
|
R9 |
9 |
9.5 |
10 |
11 |
12 |
13 |
||||||||||
|
R10 |
20 |
24 |
32 |
45 |
65 |
75 |
||||||||||
|
R11 |
10 |
12 |
— |
— |
— |
|||||||||||
|
R12 |
10 |
11 |
12.5 |
14 |
16 |
18 |
||||||||||
|
R13 |
14 |
18 |
— |
— |
— |
— |
||||||||||
|
H |
45 |
50 |
56 |
64 |
72 |
78 |
||||||||||
|
h |
基本尺寸 |
25 |
28 |
32 |
40 |
45 |
50 |
|||||||||
|
极限偏差 h13 |
0 -0.330 |
0 -0.390 |
||||||||||||||
|
h1 |
9 |
10 |
11 |
12 |
14 |
16 |
||||||||||
|
B |
20 |
22 |
25 |
28 |
32 |
36 |
||||||||||
|
b1 |
24 |
28 |
32 |
36 |
40 |
44 |
||||||||||
|
b2 |
20 |
22 |
24 |
28 |
32 |
36 |
||||||||||
|
b |
基本尺寸 |
6 |
8 |
10 |
12 |
14 |
||||||||||
|
极限偏差 JS9 |
±0.015 |
±0.018 |
±0.0215 |
|||||||||||||
|
t |
基本尺寸 |
20.8 |
24.8 |
28.3 |
31.3 |
35.3 |
38.3 |
43.3 |
48.8 |
|||||||
|
极限偏差 |
+0.1 0 |
+0.2 0 |
||||||||||||||
|
α |
8.5° |
12° |
||||||||||||||
|
c |
1.5 |
2 |
||||||||||||||
|
轮辐数 |
3 |
5 |
||||||||||||||
|
每件质量/kg≈ |
2.44 |
3.80 |
6.00 |
9.70 |
15.45 |
23.70 |
||||||||||
|
注:1.手柄选用JB/T 7270.5规定的相应规格。 2.其他技术要求按JB/T 7277的规定。 |
||||||||||||||||


