|
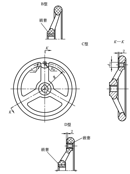
圆轮缘手轮(JB/T 7273.5—1994) mm |
||||||||||||||||||
|
材料:HT200;塑料。 表面处理:HT200为喷砂镀铬(PS/D·Cr);镀铬抛光(D·L3Cr) 标记示例 A型,d=16,D=160,HT200,喷砂镀铬圆轮缘手轮,标记为:手轮 16×160 JB/T 7273.5 B型,d=16,D=160,塑料圆轮缘手轮,标记为:手轮 B16×160 JB/T 7273.5 C型,d=16,D=160,HT200,喷砂镀铬圆轮缘手轮,标记为:手轮 C16×160 JB/T 7273.5 D型,d=16,D=160,塑料圆轮缘手轮,标记为: 手轮 D16×160 JB/T 7273.5 |
||||||||||||||||||
|
d |
基本尺寸 |
12 |
14 |
16 |
18 |
22 |
25 |
28 |
32 |
35 |
40 |
45 |
||||||
|
极限偏差H8 |
+0.027 0 |
+0.033 0 |
+0.039 0 |
|||||||||||||||
|
D |
100 |
125 |
160 |
200 |
250 |
320 |
400 |
500 |
630 |
|||||||||
|
D1 |
64 |
87 |
120 |
156 |
200 |
264 |
336 |
428 |
550 |
|||||||||
|
d1 |
M8 |
M10 |
M12 |
— |
||||||||||||||
|
d2 |
26 |
28 |
32 |
36 |
45 |
55 |
65 |
75 |
85 |
|||||||||
|
d3 |
30 |
39 |
44 |
50 |
61 |
73 |
85 |
97 |
109 |
|||||||||
|
R |
36 |
47 |
62 |
80 |
101 |
132 |
— |
— |
— |
|||||||||
|
R1 |
14 |
18 |
22 |
— |
||||||||||||||
|
R2 |
5 |
5.5 |
6 |
7 |
8 |
9 |
10 |
11 |
||||||||||
|
R3 |
12 |
16 |
20 |
24 |
28 |
45 |
65 |
75 |
||||||||||
|
R4 |
3 |
3.5 |
4 |
5 |
6 |
7 |
||||||||||||
|
R5 |
20 |
22 |
24 |
28 |
32 |
36 |
40 |
44 |
||||||||||
|
R6 |
16 |
18 |
20 |
22 |
24 |
28 |
32 |
36 |
||||||||||
|
R7≈ |
3.5 |
4.1 |
4.5 |
5.3 |
6 |
6.8 |
7.5 |
8.3 |
||||||||||
|
R8≈ |
2.8 |
3.4 |
3.7 |
4.1 |
4.5 |
5.3 |
6 |
6.8 |
||||||||||
|
R9 |
7.5 |
8 |
10 |
12 |
— |
|||||||||||||
|
R10 |
7.5 |
8 |
9 |
10 |
11 |
12.5 |
14 |
16 |
18 |
|||||||||
|
H |
33 |
36 |
40 |
45 |
50 |
56 |
64 |
72 |
78 |
|||||||||
|
h |
基本尺寸 |
17 |
18 |
20 |
25 |
28 |
32 |
40 |
45 |
50 |
||||||||
|
极限偏差 h13 |
0 -0.270 |
0 -0.330 |
0 -0.390 |
|||||||||||||||
|
h1 |
6 |
7 |
8 |
9 |
10 |
11 |
12 |
14 |
16 |
|||||||||
|
B |
15 |
16 |
18 |
20 |
22 |
25 |
28 |
32 |
36 |
|||||||||
|
b1 |
18 |
20 |
22 |
24 |
28 |
32 |
36 |
40 |
44 |
|||||||||
|
b2 |
14 |
16 |
18 |
20 |
22 |
24 |
28 |
32 |
36 |
|||||||||
|
c |
0.6 |
0.8 |
1 |
1.5 |
2 |
|||||||||||||
|
b |
基本尺寸 |
4 |
5 |
6 |
8 |
10 |
12 |
14 |
||||||||||
|
极限偏差 JS9 |
±0.015 |
±0.018 |
±0.0215 |
|||||||||||||||
|
t |
基本尺寸 |
13.8 |
16.3 |
18.3 |
20.8 |
24.8 |
28.3 |
31.3 |
35.3 |
38.3 |
43.3 |
48.8 |
||||||
|
极限偏差 |
+0.1 0 |
+0.2 0 |
||||||||||||||||
|
轮辐数 |
3 |
5 |
||||||||||||||||
|
B型 |
嵌套 JB/T 7275 |
C12×18 |
C16×20 |
C18×25 |
— |
|||||||||||||
|
D型 |
C12×18 |
C16×20 |
C18×25 |
— |
||||||||||||||
|
BM8×14 |
BM10×16 |
— |
||||||||||||||||
|
每件质量 /kg≈ |
铸铁 |
0.934 |
1.460 |
2.200 |
3.494 |
5.753 |
9.342 |
15.000 |
23.061 |
|||||||||
|
塑料 |
0.187 |
0.292 |
0.440 |
— |
||||||||||||||
|
注:1.手柄选用JB/T 7270.5规定的相应规格。 2.其他技术要求按JB/T 7277的规定。 |
||||||||||||||||||


