|
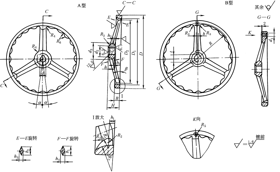
波纹手轮 (JB/T 7273.4—1994) mm |
||||||||||||||||||
|
材料:HT200。 表面处理:喷砂镀铬(PS/D·Cr);镀铬抛光(D·L3Cr)。 标记示例 A型,d=18,D=200,喷砂镀铬波纹手轮,标记为:手轮 18×200 JB/T 7273.4 B型,d=18,D=200,喷砂镀铬波纹手轮,标记为:手轮 B18×200 JB/T 7273.4 |
||||||||||||||||||
|
d |
基本尺寸 |
18 |
22 |
25 |
28 |
32 |
35 |
40 |
45 |
|||||||||
|
极限偏差 H8 |
+0.027 0 |
+0.033 0 |
+0.039 0 |
|||||||||||||||
|
D |
200 |
250 |
320 |
400 |
500 |
630 |
||||||||||||
|
D1 |
176 |
222 |
288 |
364 |
462 |
588 |
||||||||||||
|
D2 |
164 |
210 |
276 |
352 |
448 |
574 |
||||||||||||
|
d1 |
M10 |
M12 |
— |
|||||||||||||||
|
d2 |
36 |
45 |
55 |
65 |
75 |
85 |
||||||||||||
|
d3 |
48 |
58 |
72 |
85 |
95 |
105 |
||||||||||||
|
R |
88 |
110 |
145 |
— |
— |
— |
||||||||||||
|
R1 |
20 |
22 |
23 |
26 |
28 |
32 |
||||||||||||
|
R2 |
5 |
6 |
||||||||||||||||
|
R3 |
6 |
8 |
10 |
12 |
16 |
|||||||||||||
|
R4 |
5 |
6 |
8 |
|||||||||||||||
|
R5 |
8 |
10 |
— |
|||||||||||||||
|
R6≈ |
16 |
16.5 |
16 |
20 |
||||||||||||||
|
R7 |
30 |
29 |
30 |
30 |
34 |
36 |
||||||||||||
|
R8 |
10 |
12 |
— |
|||||||||||||||
|
H |
45 |
50 |
55 |
65 |
70 |
75 |
||||||||||||
|
h |
基本尺寸 |
25 |
28 |
32 |
40 |
45 |
50 |
|||||||||||
|
极限偏差 h13 |
0 -0.330 |
0 -0.390 |
||||||||||||||||
|
h1 |
6 |
7 |
||||||||||||||||
|
h2 |
8 |
9 |
10 |
12 |
14 |
16 |
||||||||||||
|
h3 |
2 |
3 |
5 |
|||||||||||||||
|
h4 |
14 |
18 |
20 |
22 |
24 |
26 |
||||||||||||
|
h5 |
12 |
14 |
16 |
18 |
20 |
|||||||||||||
B |
20 |
22 |
24 |
26 |
28 |
30 |
||||||||||||
|
b1 |
26 |
30 |
35 |
38 |
42 |
45 |
||||||||||||
|
b2 |
20 |
24 |
28 |
30 |
32 |
35 |
||||||||||||
|
b |
基本尺寸 |
6 |
8 |
10 |
12 |
14 |
||||||||||||
|
极限偏差 JS9 |
±0.015 |
±0.018 |
±0.0215 |
|||||||||||||||
|
t |
基本尺寸 |
20.8 |
24.8 |
28.3 |
31.3 |
35.3 |
38.3 |
43.3 |
48.8 |
|||||||||
|
极限偏差 |
+0.1 0 |
+0.2 0 |
||||||||||||||||
|
β |
10° |
5° |
— |
|||||||||||||||
|
α |
12°31' |
10° |
7°30' |
6° |
5° |
4° |
||||||||||||
|
轮辐数 |
3 |
5 |
||||||||||||||||
|
每件质量 ≈/kg |
2.027 |
3.150 |
5.730 |
8.693 |
12.631 |
21.615 |
||||||||||||
|
相配转动手柄 JB/T 7270.5 |
M10×80 |
M12×100 |
— |
|||||||||||||||
|
注:1.手柄选用JB/T 7270.5规定的相应规格。 2.其他技术要求按JB/T 7277的规定。 |
||||||||||||||||||

