|
转动手柄 (JB/T 7270.5—1994) |
|||||||||||||||||||||||||||||||||||||||||||||
|
(1) 手柄 |
|||||||||||||||||||||||||||||||||||||||||||||
|
|
标记示例 A型,d=M6,L=50,35钢,喷砂镀铬转动手柄,标记为: 手柄 M6×50JB/T 7270.5 B型,d=M6,L=50,塑料转动手柄,标记为: 手柄 BM6×50-塑 JB/T 7270.5 转动手柄及其零件的其他技术要求按JB/T 7277的规定 |
||||||||||||||||||||||||||||||||||||||||||||
|
表1 mm |
|||||||||||||||||||||||||||||||||||||||||||||
|
主 要 尺 寸 |
件 号 |
1,6 |
2,5 |
3 |
4 |
7 |
每套质量 /kg≈ |
||||||||||||||||||||||||||||||||||||||
|
名 称 |
手柄套A、B |
手柄杆A、B |
弹性套 |
平垫圈 |
钢丝挡圈 |
||||||||||||||||||||||||||||||||||||||||
|
d |
L |
L1 |
l |
D |
标准号 |
— |
— |
— |
GB/T 97.1 |
GB/T 895.1 |
钢 |
塑料 |
|||||||||||||||||||||||||||||||||
|
M6 |
50 |
— |
12 |
16 |
规 格 |
50 |
M6 |
4 |
2 |
— |
0.069 |
0.020 |
|||||||||||||||||||||||||||||||||
|
M8 |
63 |
71 |
14 |
18 |
63 |
M8 |
5 |
2.5 |
7 |
0.113 |
0.036 |
||||||||||||||||||||||||||||||||||
|
M10 |
80 |
90 |
16 |
22 |
80 |
M10 |
6 |
3 |
8 |
0.205 |
0.067 |
||||||||||||||||||||||||||||||||||
|
M12 |
100 |
112 |
18 |
25 |
100 |
M12 |
8 |
4 |
10 |
0.269 |
0.102 |
||||||||||||||||||||||||||||||||||
|
M16 |
112 |
126 |
20 |
32 |
112 |
M16 |
10 |
6 |
14 |
0.505 |
0.184 |
||||||||||||||||||||||||||||||||||
|
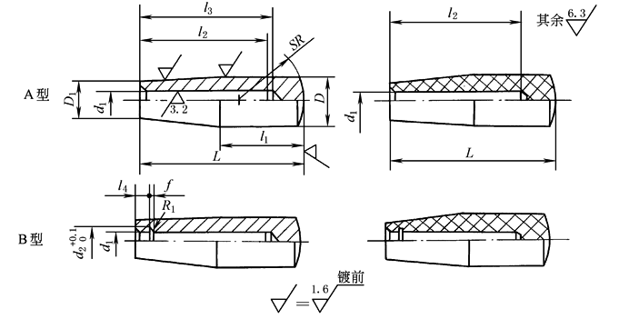
(2) 手柄套(件1,6) |
|||||||||||||||||||||||||||||||||||||||||||||
|
|
材料:35钢;Q235-A;塑料。 表面处理:钢件喷砂镀铬(PS/D·Cr);镀铬抛光(D·L3Cr);氧化(H·Y)。 |
||||||||||||||||||||||||||||||||||||||||||||
|
表2 mm |
|||||||||||||||||||||||||||||||||||||||||||||
|
L |
D |
D1 |
d1 |
d2 |
l1 |
l2 |
l3 |
l4 |
f |
R1 |
SR |
||||||||||||||||||||||||||||||||||
|
基本尺寸 |
极限偏差 H11 |
||||||||||||||||||||||||||||||||||||||||||||
|
A 型 |
B 型 |
A 型 |
B 型 |
A 型 |
B 型 |
A 型 |
B 型 |
||||||||||||||||||||||||||||||||||||||
|
50 |
16 |
12 |
6 |
— |
+0.075 0 |
— |
25 |
40 |
— |
42 |
— |
— |
20 |
||||||||||||||||||||||||||||||||
|
63 |
18 |
14 |
8 |
7 |
+0.090 0 |
7.4 |
32 |
50 |
45 |
52 |
50 |
3 |
0.8 |
0.4 |
25 |
||||||||||||||||||||||||||||||
|
80 |
22 |
16 |
10 |
8 |
8.5 |
40 |
60 |
55 |
65 |
60 |
3.5 |
28 |
|||||||||||||||||||||||||||||||||
|
100 |
25 |
18 |
12 |
10 |
+0.110 0 |
+0.090 0 |
10.5 |
50 |
75 |
65 |
80 |
70 |
4.5 |
32 |
|||||||||||||||||||||||||||||||
|
112 |
32 |
22 |
16 |
14 |
+0.110 0 |
14.6 |
60 |
85 |
80 |
90 |
85 |
5.5 |
1 |
0.5 |
40 |
||||||||||||||||||||||||||||||
|
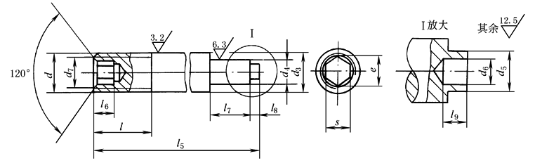
(3) A 型手柄杆(件2) |
|||||||||||||||||||||||||||||||||||||||||||||
|
|
材料:35 表面处理:氧化(H·Y) |
||||||||||||||||||||||||||||||||||||||||||||
|
表3 mm |
|||||||||||||||||||||||||||||||||||||||||||||
|
d |
l |
d3 |
d4 |
d5 |
d6 |
d7 |
l5 |
l6 |
l7 |
l8 |
l9 |
e |
s |
||||||||||||||||||||||||||||||||
|
基本 尺寸 |
极限偏差 d11 |
||||||||||||||||||||||||||||||||||||||||||||
|
M6 |
12 |
6 |
-0.030 -0.105 |
3.5 |
2 |
1 |
4 |
50 |
3 |
7 |
1.5 |
1 |
3.5 |
3 |
|||||||||||||||||||||||||||||||
|
M8 |
14 |
8 |
-0.040 -0.130 |
4.5 |
2.5 |
1.5 |
5 |
60 |
4 |
9 |
1.5 |
4.6 |
4 |
||||||||||||||||||||||||||||||||
|
M10 |
16 |
10 |
5.5 |
3 |
2 |
6.3 |
70 |
5 |
11 |
2 |
2 |
5.8 |
5 |
||||||||||||||||||||||||||||||||
|
M12 |
18 |
12 |
-0.050 -0.160 |
7.5 |
4 |
2.5 |
7.5 |
90 |
6 |
13 |
2.5 |
6.9 |
6 |
||||||||||||||||||||||||||||||||
|
M16 |
20 |
16 |
9.5 |
6 |
4.5 |
9.8 |
100 |
8 |
15 |
2.5 |
4.5 |
9.2 |
8 |
||||||||||||||||||||||||||||||||
|
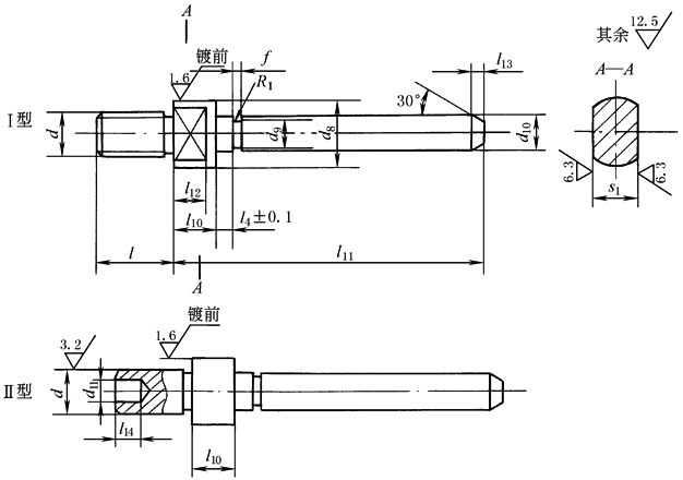
(4) B 型手柄杆(件5) |
|||||||||||||||||||||||||||||
|
|
材料:35钢。 表面处理:d8处喷砂镀铬(PS/D·Cr);镀铬抛光(D·L3Cr);氧化(H·Y) |
||||||||||||||||||||||||||||
|
表4 mm |
|||||||||||||||||||||||||||||
|
d |
d8 |
d9 |
d10 |
d11 |
l |
l4 |
l10 |
l11 |
l12 |
l13 |
l14 |
f |
R1 |
s1 |
|||||||||||||||
|
Ⅰ型 |
Ⅱ型 |
基本 尺寸 |
极限 偏差 d11 |
Ⅰ型 |
Ⅱ型 |
基本尺寸 |
极限 偏差 h13 |
||||||||||||||||||||||
|
基本 尺寸 |
极限 偏差 Js7 |
||||||||||||||||||||||||||||
|
M8 |
8 |
±0.007 |
13 |
5.4 |
7 |
-0.040 -0.130 |
5.5 |
14 |
20 |
3 |
8 |
50 |
6 |
4 |
4 |
0.8 |
0.4 |
10 |
0 -0.220 |
||||||||||
|
M10 |
10 |
15 |
6.4 |
8 |
7 |
16 |
25 |
3.5 |
10 |
60 |
8 |
5 |
5 |
13 |
0 -0.270 |
||||||||||||||
|
M12 |
12 |
±0.009 |
18 |
8.4 |
10 |
9 |
18 |
32 |
4.5 |
12 |
75 |
10 |
6 |
1 |
16 |
||||||||||||||
|
M16 |
— |
— |
21 |
12 |
14 |
-0.050 -0.160 |
— |
20 |
— |
5.5 |
14 |
92 |
12 |
— |
0.5 |
||||||||||||||
|
注:B型手柄杆Ⅱ型用于单柄对重手柄。 |
|||||||||||||||||||||||||||||
|
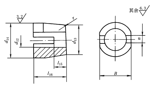
(5) 弹性套 (件号3) |
|||||||||||||||||||||||||||||
|
|
材料:65Mn。 表面硬度:42HRC。 |
||||||||||||||||||||||||||||
|
表5 mm |
|||||||||||||||||||||||||||||
|
d12 |
d13 |
d14 |
B |
l15 |
l16 |
n |
r |
||||||||||||||||||||||
|
基本尺寸 |
极限偏差h11 |
||||||||||||||||||||||||||||
|
4 |
6 |
6.20 |
0 -0.090 |
5.5 |
2 |
6 |
1 |
0.5 |
|||||||||||||||||||||
|
5 |
8 |
8.25 |
7.5 |
8 |
|||||||||||||||||||||||||
|
6 |
10 |
10.25 |
0 -0.110 |
9.5 |
3 |
10 |
1.2 |
1 |
|||||||||||||||||||||
|
8 |
12 |
12.30 |
11.5 |
12 |
|||||||||||||||||||||||||
|
10 |
16 |
16.30 |
14.5 |
14 |
1.5 |
||||||||||||||||||||||||





