|
GC系列三联件的结构、材质和特性(亚德客) |
||||||||||||||||||||||
|
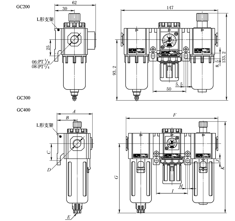
结 构 及 外 形 尺 寸 |
|
|||||||||||||||||||||
|
|
||||||||||||||||||||||
|
尺寸 型号 |
A |
B |
C |
D |
E |
F |
G |
H |
I |
J |
K |
|||||||||||
|
GC 300-08 GC 300-10 GC 300-15 GC 400-10 GC 400-15 |
71 71 71 85.5 85.5 |
41.5 41.5 41.5 50 50 |
35 35 35 40 40 |
PT¼ PT3/8 PT½ PT3/8 PT½ |
PS1/8 PS1/8 PS1/8 PS¼ PS¼ |
188 188 188 248 248 |
143 143 143 166.5 166.5 |
6.5 6.5 6.5 8.6 8.6 |
64 64 64 84 84 |
9 9 9 12 12 |
188 188 188 216 216 |
|||||||||||
|
订
购
码 |
|
|||||||||||||||||||||
|
型 号 规 格 与 技 术 参 数 |
型 号 |
GC200-06 |
GC200-08 |
GC300-08 |
GC300-10 |
GC300-15 |
GC400-10 |
GC400-15 |
||||||||||||||
|
工作介质 |
空气 |
|||||||||||||||||||||
|
接管口径 |
PT1/8 |
PT¼ |
PT¼ |
PT3/8 |
PT½ |
PT3/8 |
PT½ |
|||||||||||||||
|
滤芯精度/μm |
40或5 |
|||||||||||||||||||||
|
调节压力范围/MPa |
0.15~0.9(20~130psi) |
|||||||||||||||||||||
|
最大可调压力/MPa |
1.0(145psi) |
|||||||||||||||||||||
|
保证耐压力/MPa |
1.5(215psi) |
|||||||||||||||||||||
|
使用温度范围/0C |
5~60 |
|||||||||||||||||||||
|
滤水杯容量/mL |
10 |
40 |
80 |
|||||||||||||||||||
|
给油杯容量/mL |
25 |
75 |
160 |
|||||||||||||||||||
|
建议润滑用油 |
IS0 VG32或同级用油 |
|||||||||||||||||||||
|
质量/g |
580 |
1300 |
2358 |
|||||||||||||||||||
|
构成 元件 |
过滤器 调压阀 给油器 |
GF200-06 GR200-06 GL200-06 |
GF200-08 GR200-08 GL200-08 |
GF300-08 GR300-08 GL300-08 |
GF300-10 GR300-10 GL300-10 |
GF300-15 GR300-15 GL300-15 |
GF400-10 GR400-10 GL400-10 |
GF400-15 GR400-15 GL400-15 |
||||||||||||||
|
压
力
特
性 |
|
|||||||||||||||||||||
|
流
量
特
性 |
|
|||||||||||||||||||||





