|
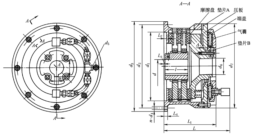
QPBZ型气动盘式制动器(JB/ZQ 4149—1997) |
|||||||||||||||||||||
|
标记示例: 额定制动转矩为2100N·m,型号为QPBZ5的气动盘式制动器的标记为: QPBZ5 制动器 JB/ZQ 4149—1997 |
|||||||||||||||||||||
|
型号 |
额定制动力矩 /N·m |
许用 转速 np /r· min-1 |
d (H7) |
l |
d1 (H8) |
d2 |
d3 |
d4 |
d5 |
d6 |
d7 |
L ≈ |
L1 |
L2 |
L3 |
L4 |
b |
t |
n |
转动惯量(轴套和内盘) /kg·m2 |
质量 /kg ≈ |
|
mm |
|||||||||||||||||||||
|
QPBZ1 |
260 |
2500 |
45 |
82 |
190 |
203 |
220 |
9 |
M20×1.5 |
50 |
224 |
244 |
163 |
1.5 |
2 |
6 |
14 |
48.8 |
4 |
0.0141 |
25 |
|
QPBZ2 |
420 |
1900 |
55 |
82 |
220 |
280 |
310 |
13.5 |
M20×1.5 |
50 |
283 |
272 |
191 |
6 |
8 |
13 |
16 |
59.3 |
6 |
0.0409 |
37 |
|
QPBZ3 |
700 |
1360 |
63 |
110 |
295 |
375 |
400 |
17.5 |
M20×1.5 |
77 |
375 |
298 |
218 |
10 |
6 |
16 |
18 |
67.4 |
6 |
0.175 |
95 |
|
QPBZ4 |
1700 |
1070 |
80 |
114 |
370 |
445 |
470 |
17.5 |
Rc1/2 |
98 |
445 |
334 |
254 |
10 |
10 |
16 |
22 |
85.4 |
8 |
0.446 |
135 |
|
QPBZ5 |
2100 |
950 |
100 |
120 |
410 |
510 |
540 |
17.5 |
Rc1/2 |
112 |
508 |
342 |
262 |
10 |
10 |
16 |
28 |
106.4 |
12 |
0.761 |
204 |
|
QPBZ6 |
3300 |
840 |
120 |
120 |
470 |
560 |
590 |
17.5 |
Rc1/2 |
120 |
559 |
354 |
273 |
10 |
11 |
16 |
32 |
127.4 |
12 |
1.216 |
216 |
|
QPBZ7 |
5000 |
720 |
130 |
130 |
540 |
648 |
685 |
17.5 |
Rc1/2 |
158 |
632 |
385 |
305 |
8 |
19 |
19 |
32 |
137.4 |
12 |
2.385 |
341 |
|
QPBZ8 |
8600 |
630 |
150 |
130 |
620 |
730 |
760 |
17.5 |
Rc1/2 |
210 |
736 |
388 |
308 |
6 |
19 |
19 |
36 |
158.4 |
12 |
3.961 |
435 |
|
QPBZ9 |
11000 |
560 |
160 |
175 |
700 |
800 |
830 |
17.5 |
Rc1/2 |
210 |
787 |
400 |
319 |
6 |
19 |
19 |
40 |
169.4 |
16 |
6.950 |
552 |
|
QPBZ10 |
15000 |
500 |
180 |
180 |
775 |
900 |
940 |
22 |
Rc1/2 |
210 |
883 |
410 |
329 |
6 |
19 |
19 |
45 |
190.4 |
18 |
10.261 |
728 |
|
QPBZ11 |
25000 |
420 |
220 |
230 |
925 |
1065 |
1105 |
22 |
Rc1/2 |
324 |
1042 |
468 |
388 |
6 |
16 |
22 |
50 |
231.4 |
18 |
26.471 |
1230 |
|
注:1.制动器打开时,气囊气压为0.5MPa,气压的极限偏差 2.工作环境温度-20~80℃。 3.制动器出厂前,应调整压盖与压板之间的间隙Δ(见图)。调整前,先测量端盖在气囊进气前后的距离,两次测量值之差即为Δ间隙值,该Δ间隙值也就是各摩擦盘之间的总间隙。Δ的最小值与最大值参见表QPZ型气动盘式制动器注3表中对应型号的数值。当所测得的最小总间隙值不符合表中的规定时,可增加或减少半圆形调整垫片A的数量。当由于磨损使间隙大于表中规定的最大值时应更换摩擦盘。 4.通过垫片B调整时,使气囊在未通气之前,压板与端盖处于接触且不受力状态。 5.生产厂家为中国重型机械研究院机械装备厂。 |
|||||||||||||||||||||

