|
QPZ型气动盘式制动器(JB/ZQ 4076—1997) |
||||||||||||||||||||||||||||||||||||||||
|
标记示例: 额定制动转矩为4160N·m,型号为QPZ5的气动盘式制动器的标记为: QPZ5 制动器 JB/ZQ 4076—1997 |
||||||||||||||||||||||||||||||||||||||||
|
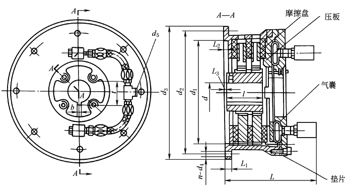
型号 |
额定制 动力矩 /N·m |
许用转速 np /r·min-1 |
d (H7) |
l |
d1 (H8) |
d2 |
d3 |
d4 |
d5 |
L ≈ |
L1 |
L2 |
L3 |
b |
t |
n |
转动惯量 (轴套和 内盘) /kg·m2 |
质量 /kg ≈ |
||||||||||||||||||||||
|
/mm |
||||||||||||||||||||||||||||||||||||||||
|
QPZ1 |
312 |
1800 |
45 |
82 |
190 |
203 |
220 |
9 |
M20×1.5 |
210 |
6 |
1.5 |
2 |
14 |
48.8 |
4 |
0.141 |
20 |
||||||||||||||||||||||
|
QPZ2 |
660 |
1750 |
55 |
82 |
220 |
280 |
310 |
13.5 |
M20×1.5 |
226 |
13 |
6 |
8 |
16 |
59.3 |
6 |
0.409 |
32 |
||||||||||||||||||||||
|
QPZ3 |
1540 |
1400 |
63 |
110 |
295 |
375 |
400 |
17.5 |
M20×1.5 |
262 |
16 |
10 |
6 |
18 |
67.4 |
6 |
0.1748 |
75 |
||||||||||||||||||||||
|
QPZ4 |
2680 |
1200 |
80 |
114 |
370 |
445 |
470 |
17.5 |
Rc1/2 |
276 |
16 |
10 |
10 |
22 |
85.4 |
8 |
0.4458 |
105 |
||||||||||||||||||||||
|
QPZ5 |
4160 |
1100 |
100 |
120 |
410 |
510 |
540 |
17.5 |
Rc1/2 |
284 |
16 |
10 |
10 |
28 |
106.4 |
12 |
0.7612 |
148 |
||||||||||||||||||||||
|
QPZ6 |
6320 |
1000 |
120 |
120 |
470 |
560 |
590 |
17.5 |
Rc1/2 |
297 |
16 |
10 |
11 |
32 |
127.4 |
12 |
1.2159 |
171 |
||||||||||||||||||||||
|
QPZ7 |
8600 |
900 |
130 |
130 |
540 |
648 |
685 |
17.5 |
Rc1/2 |
319 |
19 |
8 |
19 |
32 |
137.4 |
12 |
2.3849 |
264 |
||||||||||||||||||||||
|
QPZ8 |
15100 |
700 |
150 |
130 |
20 |
730 |
760 |
17.5 |
Rc1/2 |
330 |
19 |
6 |
19 |
36 |
158.4 |
12 |
3.9608 |
365 |
||||||||||||||||||||||
|
QPZ9 |
16800 |
650 |
160 |
175 |
700 |
800 |
830 |
17.5 |
Rc1/2 |
355 |
19 |
6 |
19 |
40 |
169.4 |
16 |
6.9500 |
426 |
||||||||||||||||||||||
|
QPZ10 |
32000 |
600 |
180 |
180 |
775 |
900 |
940 |
22 |
Rc1/2 |
364 |
19 |
6 |
19 |
45 |
190.4 |
18 |
10.2606 |
640 |
||||||||||||||||||||||
|
PQZ11 |
49600 |
500 |
220 |
230 |
925 |
1065 |
1105 |
22 |
Rc1/2 |
400 |
22 |
5 |
16 |
50 |
231.4 |
18 |
26.4713 |
905 |
||||||||||||||||||||||
|
注:1.额定制动力矩系气囊压力0.5MPa时的转矩。 2.工作环境温度-20~80℃。 3.制动器出厂和使用前,应调整各摩擦盘之间的最小总间隙。调整前,先测量压板的位置,然后给气囊进气,使各摩擦盘和内盘压紧。再测量压板的位置,两次测量值之差即为各盘之间的总间隙。最小总间隙见下表,所测量的最小总间隙不符合表中规定时,可增加或减少半圆形垫片的数量,当由于磨损使间隙大于表中规定的最大值时应更换摩擦盘。
4.生产厂家为中国重型机械研究院机械装备厂。 |
||||||||||||||||||||||||||||||||||||||||

