|
短行程带式制动器结构 |
|
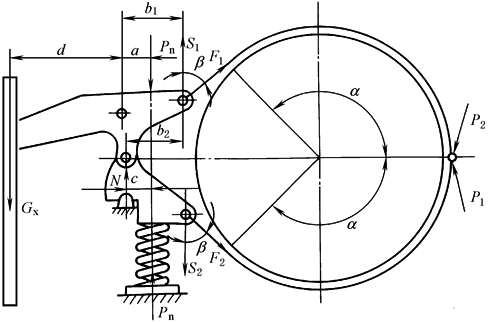
短行程带式制动器如图1所示,制动带系由两条相同的镶有摩擦材料的钢带组合而成。右端用铰链连接到方柱1上,在弹簧2的作用下它在基架中可水平移动。带的左端用铰链连接到具有共同摆动轴心5的曲杆3和4的杠杆系中。由于弹簧7和拉杆6的作用使3、4两曲杆被拉紧,从而使制动带两端产生张力,使制动器紧闸。电磁铁9的衔铁8装在曲杆3上。松闸时电磁铁通电,衔铁吸近铁芯,曲杆3、4分别绕轴心10和11转动,从而两杆的端部分开,制动带离开制动轮,方柱1也同样退开,于是松闸。随着制动带的磨损,曲杆3、4两端的行程及相应电磁铁的行程都将增大,而电磁铁的曳引力则随之减小。为确定衔铁的工作位置,可调整衔铁和曲杆3的螺钉13。短行程直流电磁铁的行程为2~6mm。衔铁对铁心的正常转角为6°~8°。
图(1)短行程带式制动器 这种类型的带式制动器实际上是两个普通带式制动器的综合。这种制动器多用于重型起重机。 这类制动器的优点: ① 电磁铁行程较小,制动动作快; ② 制动转矩与制动方向无关; ③ 围包角较大(约320°),从而降低带轮之间的压强,相应地延长覆面的使用寿命; ④ 由于包角大和连接带的铰链中具有支点作用,从而使弯曲制动轴力变小,但制动轴未能完全卸载。 带式制动器所有的其他缺点仍然存在,如带绕入端的磨损比绕出端的快2~3倍;很难使制动带均匀地离开制动轮,从而助长增加不均匀的磨损。 另外,这种带式制动器带的张力彼此无关,杠杆系统的结构难于调整制动器使带按计算张力工作。因此,制动带之一可能大大超过计算张力工作。实际使用中由于带的过载以致有被拉断的情况发生。这种制动器的另一缺点是由于力的作用不在中心,使压强局部增加,并增加制动带两端制动覆面的磨损,以致造成它的破坏,这样使其可靠性降低。此外在这种制动器的结构中弹簧作用力的利用不完全,因弹簧作用力Pn与带的张力F1、F2(见表图2)成一角度,F1、F2只是nPn的一部分,所以电磁铁曳引力的利用也不够合理(故电磁铁是根据弹簧力选择),致使机构重量增加。
图(2) |


