|
普通型带式制动器的计算 |
|||||||||||||||||||||||||
|
表1 普通型带式制动器操纵部分计算 |
|||||||||||||||||||||||||
|
项 目 |
计 算 公 式 与 说 明 |
||||||||||||||||||||||||
|
圆周力F及带两端张力F1(绕入端),F2(绕出端) |
|
|
T——制动力矩,N·m μ——摩擦因数,见表摩擦材料中表2 α——制动轮包角,通常取为250°~270°,复合带式的包角可达630° D——制动轮直径,m可按表2选取 |
||||||||||||||||||||||
|
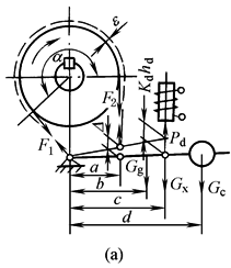
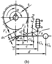
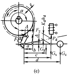
结构形式 |
简单带式制动器 |
差动带式制动器 |
综合带式制动器 |
||||||||||||||||||||||
|
|
|
|
|||||||||||||||||||||||
|
产生制动转矩T时,所需重锤的重力Gc/N |
|
|
|
||||||||||||||||||||||
|
当带退距为ε(m)时,连于杠杆上的带端位移△/m |
△=εα |
|
|
||||||||||||||||||||||
|
电磁铁所做的功Pdhd/J |
|
|
|
||||||||||||||||||||||
|
安装电磁铁的最大距离cmax/m |
|
|
|
||||||||||||||||||||||
|
产生的制动力矩T/N·m |
顺时针 |
|
|
|
|||||||||||||||||||||
|
逆时针 |
|
|
T大小不变 |
||||||||||||||||||||||
|
说 明 |
a、b、c、d——长度尺寸,见图a、b、c,m。
η——制动杠杆效率,一般取η=0.9~0.95 Gg——制动杠杆重量,N Gx——电磁铁衔铁重量,N |
a1、a2——长度尺寸,见图b,m 为避免自锁现象,应使a1>a2eμ α通常取 a1=(2.5~3)a2 a2=30~50mm |
Pd——电磁铁吸力,N hd——电磁铁行程,m Kd——电磁铁行程利用系数 Kd=0.8~0.85 ε——制动带退距,见表4 |
||||||||||||||||||||||
|
适用条件及特点 |
正反转制动转矩不同,顺时针旋转时制动力矩大,常用于起重机起升机构,用于单向制动 |
正反转制动力矩不同,顺时针旋转时制动力矩大,紧闸所需重锤的重量Gc小,用于起升机构及变幅机构。一般很少采用,有时用于单向手操纵制动 |
制动转矩大,正反转制动力矩相同,用于运行及旋转机构,可用于双向制动 |
||||||||||||||||||||||
|
表2 带式制动器的荐用制动轮尺寸 |
|||||||||||||||||||||||||
|
计算制动转矩 T /N·m |
制动轮尺寸/mm |
||||||||||||||||||||||||
|
直 径 D |
宽 度 B |
||||||||||||||||||||||||
|
~100 |
100 |
30 |
|||||||||||||||||||||||
|
100~300 |
100~150 |
40 |
|||||||||||||||||||||||
|
400~600 |
150~200 |
60 |
|||||||||||||||||||||||
|
700~860 |
200~250 |
70 |
|||||||||||||||||||||||
|
1400~1600 |
300~350 |
90 |
|||||||||||||||||||||||
|
1800~2100 |
400~450 |
90 |
|||||||||||||||||||||||
|
2850~4000 |
500~700 |
110 |
|||||||||||||||||||||||
|
6400~8000 |
800~1000 |
150 |
|||||||||||||||||||||||
|
表3 制动钢带荐用尺寸及计算 |
|||||||||||||||||||||||||
|
带宽b/mm |
25 |
30 |
40 |
50 |
60 |
80 |
100 |
140 |
200 |
为了保证带紧密地贴合到制动轮上。当轮径小于1m时,带宽不大于100mm;当轮径大于1m时,带宽不应大于150mm |
|||||||||||||||
|
带厚t/mm |
3 |
3~4 |
4~6 |
4~7 |
6~10 |
||||||||||||||||||||
|
带和轮间的压强及带宽 b |
带和轮间的实际压强式
D——轮径 S——带的变动张力,其值由带的最小张力F2变到最大张力F1,其相应的最小压强Pmin和最大压强Pmax为
Pp——摩擦材料的许用压强,MPa见表摩擦材料中表2 |
||||||||||||||||||||||||
|
覆面单位面积上摩擦功率 pυ 验算 |
pυ≤(pυ)p P——压强,取上栏中的Pmin与Pmax的平均值,MPa υ——制动轮圆周速度, n1——制动轮转速,r/min (pυ)p——覆面单位面积上许用摩擦功率值,MPa·m/s见表摩擦材料中表2 |
||||||||||||||||||||||||
|
制动钢带厚度 t |
m——沿带宽每排最多的铆钉数 d——连接钢带与连接件(摩擦材料)用的铆钉直径,mm,一般取d=4~10mm σp——钢带的许用拉应力,MPa。钢带材料常用Q235-A、Q275和45钢。当具有覆面材料时,取σp=80~100MPa,无覆面材料时,取σp=60MPa |
||||||||||||||||||||||||
|
表4 带式制动器荐用退距值 mm |
|||||||||||||||||||||||||
|
制动轮直径 D/mm |
100 |
200 |
300 |
400 |
500 |
600 |
700 |
800 |
|||||||||||||||||
|
退距 ε/mm |
0.8 |
1.0 |
1.25~1.5 |
1.5 |
|||||||||||||||||||||
|
这种制动器的特点: 1.构造简单紧凑; 2.包角大(可超过2π),制动转矩大,相同制动轮直径时,带式为块式的2~2.5倍。 其缺点为: 1.在制动时,制动轴附加相当大的弯曲作用力,其值等于带张力F1、F2的向量和; 2.由于带的绕出端和绕入端的张力不等,故带沿制动轮周围的压强也不等,随着磨损也不均匀,其差别为eμα倍(如μ=0.2~0.4,α=250°~270°时,eμα=2.4~6.6倍); 3.简单和差动带式制动器的制动转矩随转向而异。因而限制了它的应用范围。 这种制动器适于应用在转矩较大而又要求紧凑的场合,如用于移动式起重机中。 |
|||||||||||||||||||||||||









