|
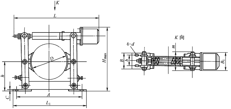
TJ2A型交流电磁铁块式制动器(JB/ZQ 4715—1998) |
|||||||||||||||||||||
|
|
|||||||||||||||||||||
|
使用条件: 1.周围介质温度-25~100℃。 2.海拔高度小于等于2000m。 3.空气相对湿度不大于90%。 4.适用于50~60Hz,380V或220V交流电路。 5.全方位安装。 6.周围介质无足以腐蚀金属和破坏绝缘的气体。 |
|
||||||||||||||||||||
|
技术参数与尺寸 |
|||||||||||||||||||||
|
制动器型号 |
制动轮直径 /mm |
瓦块退距 /mm |
额定制 动转矩 /N·m |
配 用 电 磁 铁 |
|||||||||||||||||
|
型 号 |
额定行程 /mm |
吸持力/启动力 /N |
启动电流/A 持续电流/mA |
操作频率 /次·h-1 |
通电持续率 /% |
||||||||||||||||
|
TJ2A-100 |
100 |
0.6 |
200 |
MZDA/100 |
3~5 |
320/250 |
3/20 |
1200 |
0~100 |
||||||||||||
|
TJ2A-200/100 |
200 |
0.6 |
400 |
MZDA/100 |
3.2~7 |
320/250 |
3/20 |
1200 |
0~100 |
||||||||||||
|
TJ2A-200 |
200 |
0.6 |
1600 |
MZDA/200 |
3.2~7 |
160/1250 |
3/20 |
1200 |
0~100 |
||||||||||||
|
TJ2A-300/200 |
300 |
0.8 |
2400 |
MZDA/200 |
3.2~7 |
1600/1250 |
3/20 |
1200 |
0~100 |
||||||||||||
|
TJ2A-300 |
300 |
0.8 |
5000 |
MZDA/300 |
3.2~7 |
3150/2500 |
3/20 |
1200 |
0~100 |
||||||||||||
|
制动器型号 |
基 本 尺 寸 /mm |
质量 /kg |
|||||||||||||||||||
|
D |
h |
A |
b |
d |
L |
L1 |
B |
B1 |
m |
Hmax |
C |
||||||||||
|
TJ2A-100 |
100 |
100 |
230 |
40 |
13 |
320 |
260 |
70 |
110 |
90 |
245 |
5 |
9.0 |
||||||||
|
TJ2A-200/100 |
200 |
170 |
380 |
60 |
17 |
500 |
420 |
90 |
126 |
90 |
390 |
7 |
21 |
||||||||
|
TJ2A-200 |
200 |
170 |
380 |
60 |
17 |
520 |
420 |
90 |
126 |
125 |
400 |
7 |
32 |
||||||||
|
TJ2A-300/200 |
300 |
240 |
540 |
80 |
21 |
650 |
580 |
120 |
160 |
125 |
535 |
9 |
59 |
||||||||
|
TJ2A-300 |
300 |
240 |
540 |
80 |
21 |
670 |
580 |
120 |
160 |
150 |
545 |
9 |
82 |
||||||||
|
注:1.只用于旧设备维修、新设计中不得选用。 2.生产厂家为焦作制动器有限公司,上海奉城制动器厂生产TJ2(交流)TZ2(直流),安装尺寸与TJ2A相同,但制动力矩比TJ2A小。 |
|||||||||||||||||||||


