|
MWJ型电磁块式制动器 |
||||||||||||||||
|
|
||||||||||||||||
|
该制动器分短行程、长行程和防风型三种。配用MZJ型制动电磁铁,具有节能优点。可代替JWZ、JCZ、ZWZ型等产品。根据使用场所和环境条件的不同,分为通用、防风和冶金型。
工作条件: 1.安装地点的海拔高度不超过2000m。 2.周围环境温度-25~40℃;冶金型-5~55℃。 3.周围空气相对湿度不大于90%;且最湿月份的平均最低温度不高于25℃。 4.在无易燃易爆和无足以腐蚀金属和破坏绝缘的气体和导电尘埃的环境中。 5.额定电压为380V、额定频率50Hz的交流电源,允许电压波动上、下限分别为额定电压的10%和-15%。 |
||||||||||||||||
|
制动器型号 |
制动轮直径 /mm |
退距 δ/mm |
制动力矩 Tf /N·m |
制动 弹簧长 P额/mm |
补偿间隙 δ1/mm |
配用电磁铁 |
|
|||||||||
|
型号 |
额定吸力 /N |
额定行程 |
质量 /kg |
|||||||||||||
|
MWJ-100 |
100 |
|
|
|
|
MZJ-100 |
|
|
|
|||||||
|
MWJ-200 |
200 |
0.6 |
150 |
140 |
0.5~4.5 |
MZJ-200 |
900 |
3.5 |
31 |
|||||||
|
MWJ-200G |
220 |
130 |
MZJ-200G |
1300 |
32 |
|||||||||||
|
MWJ-200Y |
190 |
135 |
MZJ-200Y |
1100 |
||||||||||||
|
MWJ-300 |
300 |
0.7 |
470 |
180 |
0.5~4 |
MZJ-300 |
1900 |
4 |
54 |
|||||||
|
MWJ-300G |
570 |
218 |
0.5~6 |
MZJ-300G |
2300 |
60 |
||||||||||
|
MWJ-300Y |
520 |
174 |
MZJ-300Y |
2100 |
||||||||||||
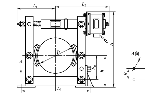
|
制动器型号 |
D |
L1≤ |
L2≤ |
L3 |
H≤ |
h1 |
h2 |
B |
d |
|||||||
|
MWJ-100 |
100 |
|
|
230 (220) |
|
|
|
40 |
13 |
|||||||
|
MWJ-200 |
200 |
219 |
338 |
380 (350) |
410 |
170 |
130 |
60 |
17 |
|||||||
|
MWJ-300 |
300 |
293 |
460 |
540 (500) |
560 |
240 |
190 |
80 |
21 |
|||||||
|
MWJ-315 |
315 |
|
|
|
|
|
|
|
|
|||||||
|
MWJ-400 |
400 |
|
|
650 |
|
|
|
130 |
22 |
|||||||
|
MWJ-500 |
500 |
|
|
760 |
|
|
|
150 |
|
|||||||
|
注:1.L3括号外尺寸适用于TJ2和TZ2型,括号内尺寸适用于JWZ、JCZ、ZWZ和YDWZ、YDZ型。 2.生产厂家为石家庄中储起重设备厂、天水长城控制电器厂。 |
||||||||||||||||


