|
MW型电磁块式制动器(JB/T 7685—1995) |
|||||||||||||||||||||||||||||
|
|
|||||||||||||||||||||||||||||
|
|
工作条件: 1.交流电压380V,直流电压220V,是外接交流或直流,内用直流结构。 2.制动器中电磁铁的基准工作方式为连续工作制(S1)和断续周期工作制(S3)两种。断续周期工作制时负载持续率为40%,额定操作频率为1200次/h(D≤250mm)、900次/h(250mm<D≤500mm)、600次/h(500mm<D≤800mm)。D为制动轮直径。 3.制动器使用地点的海拔高度不应超过2000m。 4.制动器正常使用时,适合的环境温度为:普通型-25~40℃、冶金型-5~55℃。 5.制动器使用地点的最潮湿月份的月平均相对湿度不超过90%,同时该月月平均最低温度不高于25℃。 6.制动器周围工作环境中不得有易燃、易爆及腐蚀性气体(防爆制动器除外)。 |
||||||||||||||||||||||||||||
|
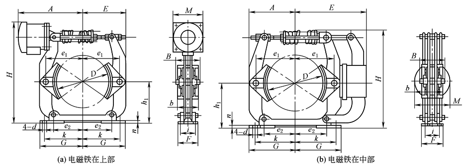
表1 制动器基本参数和主要尺寸(JB/T 7685—1995) |
|||||||||||||||||||||||||||||
|
制动器 规格 |
退距δ /mm |
在基准工作方式下 |
主要尺寸/mm |
||||||||||||||||||||||||||
|
额定制动 力矩Tf /N·m |
额定操作 频率 /次·h-1 |
D |
h1 |
k |
i |
d |
n ≥ |
e1 |
e2 |
b |
F |
G |
B ≤ |
E ≤ |
H ≤ |
A ≤ |
M ≤ |
||||||||||||
|
160 |
0.6 |
80 |
1200 |
160 |
132 |
130 |
55 |
14 |
6 |
115 |
88 |
65 |
90 |
150 |
125 |
150 |
380 |
280 |
135 |
||||||||||
|
200 |
160 |
200 |
160 |
145 |
8 |
140 |
108 |
70 |
165 |
180 |
455 |
325 |
160 |
||||||||||||||||
|
250 |
315 |
250 |
190 |
180 |
65 |
18 |
10 |
170 |
133 |
90 |
100 |
200 |
150 |
215 |
530 |
370 |
185 |
||||||||||||
|
315 |
0.8 |
630 |
900 |
315 |
230 |
220 |
80 |
212 |
168 |
110 |
115 |
245 |
190 |
265 |
630 |
410 |
240 |
||||||||||||
|
400 |
1250 |
400 |
280 |
270 |
100 |
22 |
12 |
260 |
210 |
140 |
140 |
300 |
220 |
320 |
780 |
535 |
310 |
||||||||||||
|
500 |
1 |
2500 |
500 |
340 |
325 |
130 |
16 |
320 |
262 |
180 |
180 |
365 |
270 |
390 |
890 |
630 |
380 |
||||||||||||
|
630 |
5000 |
600 |
630 |
420 |
400 |
170 |
27 |
20 |
390 |
327 |
225 |
220 |
450 |
320 |
470 |
1000 |
725 |
450 |
|||||||||||
|
710 |
1.25 |
8000 |
710 |
470 |
450 |
190 |
440 |
370 |
255 |
240 |
500 |
355 |
530 |
1120 |
815 |
530 |
|||||||||||||
|
800 |
10000 |
800 |
530 |
520 |
210 |
22 |
510 |
422 |
280 |
280 |
570 |
410 |
600 |
1230 |
890 |
615 |
|||||||||||||
|
注:1.制动器结构不一定与图示相符,只要求符合给定的尺寸。 2.额定退距一般为最小退距,允许的最大退距由生产厂自行确定,但应有明确的规定。 3.基准工作方式为:连续和断续周期两种工作制,断续周期工作制的负载持续率为40%。 4.生产厂家为焦作制动器股份有限公司、石家庄中储起重设备厂。 |
|||||||||||||||||||||||||||||
|
表2 相配电磁铁基本参数(JB/T 7685—1995) |
|||||||||||||||||||||||||||||
|
制动器规格 |
160 |
200 |
250 |
315 |
400 |
500 |
630 |
710 |
800 |
||||||||||||||||||||
|
额定吸持力 F/N |
装设在上部时 |
800 |
1250 |
2000 |
3150 |
5000 |
8000 |
12500 |
16000 |
20000 |
|||||||||||||||||||
|
装设在中部时 |
2000 |
3150 |
5000 |
8000 |
12500 |
20000 |
31500 |
40000 |
50000 |
||||||||||||||||||||
|
额定工作行程 δ/mm |
装设在上部时 |
3.55 |
4.25 |
5 |
6 |
||||||||||||||||||||||||
|
装设在中部时 |
1.25 |
1.8 |
2.24 |
2.8 |
|||||||||||||||||||||||||
|
注:1.额定吸持力为基准工作方式时的吸持力。 2.额定工作行程指最小行程,允许的最大行程由生产厂自行确定。 |
|||||||||||||||||||||||||||||


