|
YBS断电保护双功能制动器 |
|||||||||||||||||
|
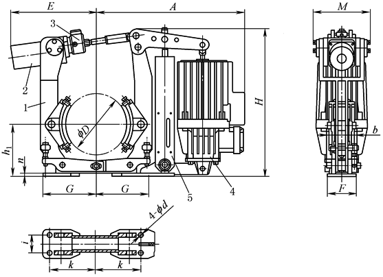
1—制动架;2—直流制动电机;3—安全制动机构; 4—液压推动器;5—制动弹簧 |
|||||||||||||||||
|
该制动器既是工作制动器又是安全制动器,如行车行走机构制动器制动力矩设定较小,以获得适当滑行距离,减小吊具晃动,当供电意外中断后,因制动力矩不足,会引起撞车事故,但该制动器能在供电中断后通过件2、3自动加载额定制动力矩,避免撞击,制动滑行距离可调整。还可以转换为常开松闸状态并保持,使设备在无动力状态下被推移挪位。该制动器还设有紧急制动按键,在任何情况下,实现紧急安全制动,松开按键能自行复位到正常状态。该制动器具有自动补偿功能。安全装置配用UPS电源。该制动器广泛用于桥式起重机的行走机构等。 |
|||||||||||||||||
|
制动器型号 |
推动器型号 |
制动力矩 /N·m |
安装及外形尺寸/mm |
质量 /kg |
|||||||||||||
|
D |
h1 |
k |
i |
d |
n |
b |
F |
G |
E |
H |
A |
M |
|||||
|
YBS6型 |
YBS6-200/30 |
Ed30/5 |
100-200 |
200 |
170 |
175 |
60 |
17 |
8 |
90 |
100 |
195 |
270 |
470 |
420 |
160 |
33 |
|
YBS6-300/30 |
160-320 |
300 |
240 |
250 |
80 |
22 |
10 |
140 |
130 |
275 |
375 |
590 |
525 |
160 |
65 |
||
|
YBS6-300/50 |
Ed50/6 |
315-630 |
580 |
197 |
86 |
||||||||||||
|
YBS6-400/50 |
Ed50/6 |
500-1000 |
400 |
320 |
325 |
130 |
12 |
180 |
180 |
350 |
450 |
745 |
660 |
197 |
111 |
||
|
YBS6-400/80 |
Ed80/6 |
800-1600 |
800 |
197 |
115 |
||||||||||||
|
YBS6-400/121 |
Ed121/6 |
1000-2000 |
810 |
620 |
240 |
133 |
|||||||||||
|
YBS5型 |
YBS5-200/30 |
Ed30/5 |
140-280 |
200 |
160 |
145 |
55 |
14 |
8 |
80 |
90 |
165 |
290 |
470 |
406 |
160 |
39 |
|
YBS5-250/30 |
Ed30/5 |
250 |
190 |
180 |
65 |
18 |
10 |
100 |
100 |
200 |
325 |
500 |
416 |
160 |
47 |
||
|
YBS5-250/50 |
Ed50/6 |
250-500 |
550 |
490 |
197 |
61 |
|||||||||||
|
YBS5-300/30 |
Ed30/5 |
160-315 |
300 |
225 |
220 |
80 |
125 |
115 |
245 |
375 |
575 |
485 |
160 |
74 |
|||
|
YBS5-315/30 |
Ed30/5 |
315 |
160 |
74 |
|||||||||||||
|
YBS5-300/50 |
Ed50/6 |
250-500 |
300 |
525 |
197 |
86 |
|||||||||||
|
YBS5-315/50 |
Ed50/6 |
315 |
197 |
86 |
|||||||||||||
|
YBS5-300/80 |
Ed80/6 |
500-1000 |
300 |
197 |
88 |
||||||||||||
|
YBS5-315/80 |
Ed80/6 |
315 |
197 |
88 |
|||||||||||||
|
YBS5-400/50 |
Ed50/6 |
315-630 |
400 |
280 |
270 |
100 |
22 |
12 |
160 |
140 |
300 |
435 |
705 |
560 |
197 |
108 |
|
|
YBS5-400/80 |
Ed80/6 |
630-1250 |
197 |
110 |
|||||||||||||
|
YBS5-400/121 |
Ed121/6 |
900-1600 |
770 |
565 |
240 |
133 |
|||||||||||
|
注:1.YBS6符合JB/ZQ 4388,YBS5符合GB/T 6333,技术条件均符合JB/T 6406.2。 2.生产厂家为长沙普雷科机电技术有限公司。 |
|||||||||||||||||

