|
YKS断电可控释放制动器 |
||||||||||||||||||
|
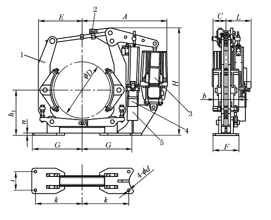
1—制动架;2—制动补偿装置;3—液压推动器; 4—制动释放推动器;5—制动弹簧 |
||||||||||||||||||
|
当电网断电以后,通过司机室操作按键,远程控制制动释放推动器4(直流驱动),使制动力矩按要求逐步减小,直至为零,将悬吊在空中的物件缓慢放下,不需人工松动制动弹簧。该制动器带有机械式自动补偿装置,实现瓦块磨损后自行补偿、恒定瓦块退距和液压推动器补偿行程。在控制释放过程中的二次制动响应快。执行机构配用UPS电源。主要用于卷扬机等,如电磁吊、淬火吊等。 |
||||||||||||||||||
|
制动器型号 |
推动器型号 |
制动力矩 /N·m |
安装及外形尺寸/mm |
|
||||||||||||||
|
D |
h1 |
k |
i |
d |
n |
b |
F |
G |
E |
H |
A |
L |
C |
质量 /kg |
||||
|
YKS6型 |
YKS6-300/30 |
Ed30/5 |
320 |
300 |
240 |
250 |
80 |
22 |
10 |
140 |
130 |
275 |
252 |
590 |
525 |
157 |
90 |
65 |
|
YKS6-300/50 |
Ed50/6 |
630 |
580 |
197 |
107 |
86 |
||||||||||||
|
YKS6-400/50 |
Ed50/6 |
1250 |
400 |
320 |
325 |
130 |
12 |
180 |
180 |
350 |
305 |
745 |
660 |
111 |
||||
|
YKS6-400/80 |
Ed80/6 |
1600 |
800 |
115 |
||||||||||||||
|
YKS6-400/121 |
Ed121/6 |
2000 |
810 |
620 |
178 |
122 |
133 |
|||||||||||
|
YKS6-500/121 |
Ed121/6 |
2500 |
500 |
400 |
380 |
150 |
16 |
200 |
200 |
405 |
370 |
925 |
770 |
208 |
||||
|
YKS6-600/201 |
Ed201/6 |
5000 |
600 |
475 |
475 |
170 |
26 |
18 |
240 |
220 |
500 |
460 |
1023 |
860 |
309 |
|||
|
YKS5型 |
YKS5-300/30 |
Ed30/5 |
160-315 |
300 |
225 |
220 |
80 |
18 |
10 |
125 |
115 |
245 |
375 |
575 |
485 |
157 |
90 |
74 |
|
YKS5-315/30 |
Ed30/5 |
315 |
||||||||||||||||
|
YKS5-300/50 |
Ed50/6 |
250-500 |
300 |
525 |
197 |
107 |
86 |
|||||||||||
|
YKS5-315/50 |
Ed50/6 |
315 |
86 |
|||||||||||||||
|
YKS5-300/80 |
Ed80/6 |
500-1000 |
300 |
88 |
||||||||||||||
|
YKS5-315/80 |
Ed80/6 |
315 |
88 |
|||||||||||||||
|
YKS5-400/50 |
Ed50/6 |
315-630 |
400 |
280 |
270 |
100 |
22 |
12 |
160 |
140 |
300 |
435 |
705 |
560 |
108 |
|||
|
YKS5-400/80 |
Ed80/6 |
630-1250 |
110 |
|||||||||||||||
|
YKS5-400/121 |
Ed121/6 |
900-1600 |
770 |
565 |
178 |
122 |
133 |
|||||||||||
|
YKS5-500/80 |
Ed80/6 |
800-1600 |
500 |
335 |
325 |
130 |
16 |
200 |
180 |
365 |
370 |
860 |
770 |
197 |
107 |
211 |
||
|
YKS5-500/121 |
Ed121/6 |
1250-2500 |
178 |
122 |
213 |
|||||||||||||
|
YKS5-500/201 |
Ed201/6 |
2000-4000 |
215 |
|||||||||||||||
|
YKS5-630/125 |
Ed121/6 |
1600-3150 |
630 |
425 |
400 |
170 |
27 |
20 |
250 |
220 |
450 |
455 |
970 |
870 |
319 |
|||
|
YKS5-630/201 |
Ed201/6 |
2500-5000 |
320 |
|||||||||||||||
|
YKS5-630/301 |
Ed301/6 |
3550-7100 |
325 |
|||||||||||||||
|
注:1.YKS6型符合JB/ZQ 4388—1997,YKS5型符合GB/T 6333,技术条件均符合JB/T 6406.2。 2.生产厂家为长沙普雷科机电技术有限公司。该公司还生产YWM5、YWM6型免维护制动器(该制动器增加制动释放推动器即为YKS6、YKS5型),可选配相应附件,实现打开指示,磨损报警等功能,其技术参数及尺寸与本表基本相同。 |
||||||||||||||||||

