|
CKF-A型离心式楔块式单向离合器(无轴承支承) |
|||||||||||
|
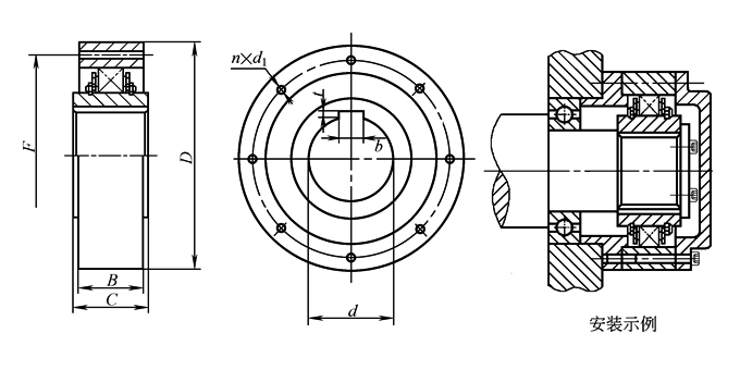
CKF-A为离心式楔块单向离合器,内环旋转,使用时应安装轴承,见示例。主要用于防逆转,超运转速度不可低于最低允许值
|
|||||||||||
|
型号 |
额定扭矩 /N·m |
超运转速度 /r·min-1 |
外形尺寸 /mm |
质量 /kg |
|||||||
|
nmin |
nmax |
d (H7) |
D (h7) |
F |
C |
B |
n×d1 |
b×t |
|||
|
CKF-A30102 |
340 |
780 |
6000 |
30 |
102 |
87 |
40 |
40 |
6×6.6 |
8×3.3 |
1.80 |
|
CKF-A35110 |
425 |
740 |
6000 |
35 |
110 |
96 |
40 |
40 |
6×6.6 |
10×3.3 |
2.10 |
|
CKF-A40125 |
625 |
720 |
5000 |
40 |
125 |
108 |
40 |
40 |
8×6.6 |
12×3.3 |
2.90 |
|
CKF-A45130 |
715 |
665 |
5000 |
45 |
130 |
112 |
40 |
40 |
8×9.0 |
14×3.8 |
3.10 |
|
CKF-A50150 |
1120 |
610 |
4000 |
50 |
150 |
132 |
40 |
40 |
8×9.0 |
14×3.8 |
4.70 |
|
CKF-A55160 |
1300 |
600 |
4000 |
55 |
160 |
138 |
45 |
45 |
8×9.0 |
16×4.3 |
5.40 |
|
CKF-A60175 |
1500 |
490 |
3200 |
60 |
175 |
155 |
70 |
60 |
8×11 |
18×4.4 |
8.50 |
|
CKF-A70190 |
2250 |
480 |
3200 |
70 |
190 |
165 |
70 |
60 |
12×11 |
20×4.9 |
10 |
|
CKF-A80210 |
3000 |
450 |
2400 |
80 |
210 |
185 |
80 |
70 |
12×11 |
22×5.4 |
14 |
|
CKF-A90230 |
4600 |
420 |
2400 |
90 |
230 |
206 |
90 |
80 |
12×13.5 |
25×5.4 |
19 |
|
CKF-A100280 |
7600 |
455 |
2000 |
100 |
280 |
240 |
105 |
100 |
12×17.5 |
28×6.4 |
34 |
|
CKF-A130320 |
13600 |
415 |
2000 |
130 |
320 |
278 |
105 |
100 |
12×17.5 |
32×7.4 |
44 |
|
CKF-A150400 |
24500 |
365 |
2000 |
150 |
400 |
360 |
105 |
100 |
12×17.5 |
36×8.4 |
73 |
|
注:生产厂家为咸阳超越离合器有限公司。 |
|||||||||||

