|
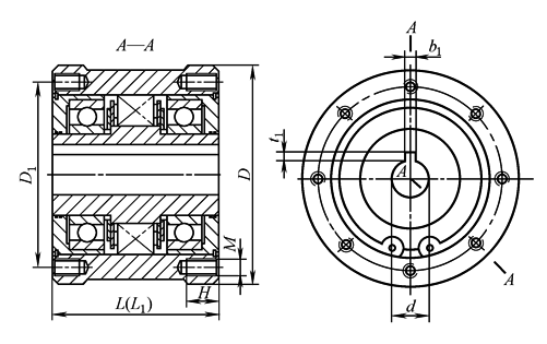
CKF型(非接触式)单向楔块超越离合器(JB/T 9130—2002) |
||||||||||||
|
CKF型为带轴承非接触式单向楔块超越离合器。它是利用楔块的离心力及其与外环之间的特殊几何关系以实现“超越”传动。当内环转速达到310~420r/min时,楔块与内、外环滚道非接触,无磨损运转,反向逆止可靠。常与减速器配套用于运输机械、提升机、冶金机械、矿山机械、水泥机械、高温风机、电站设备等,一般用于中、高速传动。
|
||||||||||||
|
CKF型(非接触式)单向楔块超越离合器基本参数和主要尺寸 mm |
||||||||||||
|
型号 |
公称 转矩 Tn /N·m |
螺钉拧 紧力矩 /N·m |
最小非 接触转 速n /r·min-1 |
最高转 速nmax /r·min-1 |
外环 |
内环 |
质量 m/kg |
|||||
|
D (h8) |
两端各螺纹孔 数-直径×深 (n-M×H) |
螺栓分 布直径 D1 |
宽L (js9) |
内径d (H7) |
键槽 b1×t1 |
宽L1 (js9) |
||||||
|
CKF185×130-35 |
800 |
18 |
430 |
1500 |
185 |
8-M10×25 |
162 |
130 |
35 |
10×3.3 |
130 |
26.46 |
|
CKF185×130-40 |
800 |
18 |
430 |
1500 |
185 |
8-M10×25 |
162 |
130 |
40 |
12×3.3 |
130 |
24.16 |
|
CKF190×135-32 |
1000 |
22 |
420 |
1500 |
190 |
8-M10×25 |
168 |
135 |
32 |
10×3.3 |
135 |
28.13 |
|
CKF190×135-38 |
1000 |
22 |
420 |
1500 |
190 |
8-M10×25 |
168 |
135 |
38 |
10×3.3 |
135 |
27.79 |
|
CKF190×135-40 |
1000 |
22 |
420 |
1500 |
190 |
8-M10×25 |
168 |
135 |
40 |
12×3.3 |
135 |
27.67 |
|
CKF190×135-42 |
1000 |
22 |
420 |
1500 |
190 |
8-M10×25 |
168 |
135 |
42 |
12×3.3 |
135 |
27.54 |
|
CKF190×135-45 |
1000 |
22 |
420 |
1500 |
190 |
8-M10×25 |
168 |
135 |
45 |
14×3.8 |
135 |
27.33 |
|
CKF190×135-50 |
1000 |
22 |
420 |
1500 |
190 |
8-M10×25 |
168 |
135 |
50 |
14×3.8 |
135 |
26.95 |
|
CKF208×150-45 |
1600 |
27 |
400 |
1500 |
208 |
10-M10×25 |
185 |
150 |
45 |
14×3.8 |
150 |
38.16 |
|
CKF208×150-48 |
1600 |
27 |
400 |
1500 |
208 |
10-M10×25 |
185 |
150 |
48 |
14×3.8 |
150 |
37.9 |
|
CKF208×150-50 |
1600 |
27 |
400 |
1500 |
208 |
10-M10×25 |
185 |
150 |
50 |
14×3.8 |
150 |
37.72 |
|
CKF208×150-55 |
1600 |
27 |
400 |
1500 |
208 |
10-M10×25 |
185 |
150 |
55 |
16×4.3 |
150 |
37.24 |
|
CKF208×150-60 |
1600 |
27 |
400 |
1500 |
208 |
10-M10×25 |
185 |
150 |
60 |
18×4.4 |
150 |
36.71 |
|
CKF220×150-50 |
2000 |
30 |
400 |
1500 |
220 |
10-M10×25 |
195 |
150 |
50 |
14×3.8 |
150 |
42.48 |
|
CKF220×150-55 |
2000 |
30 |
400 |
1500 |
220 |
10-M10×25 |
195 |
150 |
55 |
16×4.3 |
150 |
41.99 |
|
CKF220×150-60 |
2000 |
30 |
400 |
1500 |
220 |
10-M10×25 |
195 |
150 |
60 |
18×4.4 |
150 |
41.46 |
|
CKF220×150-65 |
2000 |
30 |
400 |
1500 |
220 |
10-M10×25 |
195 |
150 |
65 |
18×4.4 |
150 |
40.88 |
|
CKF230×150-50 |
2500 |
32 |
390 |
1500 |
230 |
12-M10×25 |
205 |
150 |
50 |
14×3.8 |
150 |
46.65 |
|
CKF230×150-55 |
2500 |
32 |
390 |
1500 |
230 |
12-M10×25 |
205 |
150 |
55 |
16×4.3 |
150 |
46.16 |
|
CKF230×150-60 |
2500 |
32 |
390 |
1500 |
230 |
12-M10×25 |
205 |
150 |
60 |
18×4.4 |
150 |
45.63 |
|
CKF230×150-65 |
2500 |
32 |
390 |
1500 |
230 |
12-M10×25 |
205 |
150 |
65 |
18×4.4 |
150 |
45.05 |
|
CKF230×150-70 |
2500 |
32 |
390 |
1500 |
230 |
12-M10×25 |
205 |
150 |
70 |
20×4.9 |
150 |
44.42 |
|
CKF245×160-60 |
4000 |
52 |
380 |
1500 |
245 |
12-M12×25 |
218 |
160 |
60 |
18×4.4 |
160 |
55.7 |
|
CKF245×160-65 |
4000 |
52 |
380 |
1500 |
245 |
12-M12×25 |
218 |
160 |
65 |
18×4.4 |
160 |
55.09 |
|
CKF245×160-70 |
4000 |
52 |
380 |
1500 |
245 |
12-M12×25 |
218 |
160 |
70 |
20×4.9 |
160 |
54.42 |
|
CKF245×160-75 |
4000 |
52 |
380 |
1500 |
245 |
12-M12×25 |
218 |
160 |
75 |
20×4.9 |
160 |
53.70 |
|
CKF245×160-80 |
4000 |
52 |
380 |
1500 |
245 |
12-M12×25 |
218 |
160 |
80 |
22×5.4 |
160 |
52.93 |
|
CKF260×160-70 |
6300 |
95 |
370 |
1500 |
260 |
12-M14×25 |
230 |
160 |
70 |
20×4.9 |
160 |
61.90 |
|
CKF260×160-75 |
6300 |
95 |
370 |
1500 |
260 |
12-M14×25 |
230 |
160 |
75 |
20×4.9 |
160 |
61.18 |
|
CKF260×160-80 |
6300 |
95 |
370 |
1500 |
260 |
12-M14×25 |
230 |
160 |
80 |
22×5.4 |
160 |
60.42 |
|
CKF260×160-85 |
6300 |
95 |
370 |
1500 |
260 |
12-M14×25 |
230 |
160 |
85 |
22×5.4 |
160 |
59.60 |
|
CKF260×160-90 |
6300 |
95 |
370 |
1500 |
260 |
12-M14×25 |
230 |
160 |
90 |
22×5.4 |
160 |
58.74 |
|
CKF275×170-85 |
8000 |
110 |
370 |
1500 |
275 |
12-M14×25 |
245 |
170 |
85 |
22×5.4 |
170 |
72.61 |
|
CKF275×170-85 |
8000 |
110 |
370 |
1500 |
275 |
12-M14×25 |
245 |
170 |
85 |
22×5.4 |
170 |
71.75 |
|
CKF275×170-90 |
8000 |
110 |
370 |
1500 |
275 |
12-M14×25 |
245 |
170 |
90 |
25×5.4 |
170 |
70.83 |
|
CKF275×170-95 |
8000 |
110 |
370 |
1500 |
275 |
12-M14×25 |
245 |
170 |
95 |
25×5.4 |
170 |
69.86 |
|
CKF275×170-100 |
8000 |
110 |
370 |
1500 |
275 |
12-M14×25 |
245 |
170 |
100 |
28×6.4 |
170 |
68.63 |
|
CKF295×185-90 |
10000 |
140 |
370 |
1500 |
295 |
12-M16×30 |
260 |
185 |
90 |
25×5.4 |
185 |
90.09 |
|
CKF295×185-95 |
10000 |
140 |
370 |
1500 |
295 |
12-M16×30 |
260 |
185 |
95 |
25×5.4 |
185 |
89.03 |
|
CKF295×185-100 |
10000 |
140 |
370 |
1500 |
295 |
12-M16×30 |
260 |
185 |
100 |
28×6.4 |
185 |
87.92 |
|
CKF295×185-110 |
10000 |
140 |
370 |
1500 |
295 |
12-M16×30 |
260 |
185 |
110 |
28×6.4 |
185 |
85.46 |
|
CKF330×200-100 |
12500 |
170 |
350 |
1500 |
330 |
12-M16×30 |
295 |
200 |
100 |
28×6.4 |
200 |
121.95 |
|
CKF330×200-110 |
12500 |
170 |
350 |
1500 |
330 |
12-M16×30 |
295 |
200 |
110 |
28×6.4 |
200 |
119.36 |
|
CKF330×200-120 |
12500 |
170 |
350 |
1500 |
330 |
12-M16×30 |
295 |
200 |
120 |
32×6.4 |
200 |
116.53 |
|
CKF330×200-130 |
12500 |
170 |
350 |
1500 |
330 |
12-M16×30 |
295 |
200 |
130 |
32×6.4 |
200 |
113.44 |
|
CKF360×215-110 |
16000 |
215 |
350 |
1500 |
360 |
12-M18×30 |
320 |
215 |
110 |
28×6.4 |
215 |
155.75 |
|
CKF360×215-120 |
16000 |
215 |
350 |
1500 |
360 |
12-M18×30 |
320 |
215 |
120 |
32×7.4 |
215 |
152.7 |
|
CKF360×215-130 |
16000 |
215 |
350 |
1500 |
360 |
12-M18×30 |
320 |
215 |
130 |
32×7.4 |
215 |
149.39 |
|
CKF360×215-140 |
16000 |
215 |
350 |
1500 |
360 |
12-M18×30 |
320 |
215 |
140 |
36×8.4 |
215 |
145.81 |
|
CKF410×225-120 |
20000 |
230 |
350 |
1500 |
410 |
16-M20×30 |
360 |
225 |
120 |
32×7.4 |
225 |
213.21 |
|
CKF410×225-130 |
20000 |
230 |
350 |
1500 |
410 |
16-M20×30 |
360 |
225 |
130 |
32×7.4 |
225 |
209.75 |
|
CKF410×225-140 |
20000 |
230 |
350 |
1500 |
410 |
16-M20×30 |
360 |
225 |
140 |
36×8.4 |
225 |
206 |
|
CKF410×225-150 |
20000 |
230 |
350 |
1500 |
410 |
16-M20×30 |
360 |
225 |
150 |
36×8.4 |
225 |
201.98 |
|
CKF440×235-130 |
25000 |
240 |
310 |
1000 |
440 |
16-M20×30 |
390 |
235 |
130 |
32×7.4 |
235 |
256.01 |
|
CKF440×235-140 |
25000 |
240 |
310 |
1000 |
440 |
16-M20×30 |
390 |
235 |
140 |
36×8.4 |
235 |
252.1 |
|
CKF440×235-150 |
25000 |
240 |
310 |
1000 |
440 |
16-M20×30 |
390 |
235 |
150 |
36×8.4 |
235 |
247.9 |
|
CKF440×235-160 |
25000 |
240 |
310 |
1000 |
440 |
16-M20×30 |
390 |
235 |
160 |
40×9.4 |
235 |
243.41 |
|
注:生产厂家为北京新兴超越离合器有限公司。 |
||||||||||||

