|
离心离合器的计算 |
||||||
|
带弹簧闸块式拉簧
|
无弹簧闸块式
|
带拉簧楔块式
|
||||
|
|
R=(2~3.5)d b=(1~2)d r=(0.7~0.9)R |
|
||||
|
钢珠式
|
板 簧
|
|
||||
|
R2=(2~3.5)d b=(1~2)d |
R=(2~3.5)d b=(1~2)d r=(0.6~0.9)R |
R=(2~3.5)d r=(0.6~0.8)R |
||||
|
型 式 |
计 算 项 目 |
计 算 公 式 |
单 位 |
说 明 |
||
|
带弹簧 (拉簧、板簧)闸块式 |
计算转矩 |
Tc=βTt |
N·cm |
β——工作储备系数,一般取β=1.5~2 Tt——需传递的转矩,N·cm R——闸块外半径,cm r——闸块质心所处半径,cm z——闸块数量 b——闸块宽度,cm d——主动轴直径,cm n——正常工作转速,r/min L1、L2、L3——长度,cm n0——开始接合转速,r/min,一般取n0=(0.7~0.8)n m——单个闸块质量,kg R——壳体内半径,即闸块摩擦半径,cm μ——摩擦面材料摩擦因数;见表摩擦元件的材料、性能及适用范围 Pp——摩擦面许用压强,N/cm2,见表摩擦元件的材料、性能及适用范围 φ——闸块所对角度,rad |
||
|
传递转矩所需离心力 |
|
N |
||||
|
闸块有效离心力 |
|
N |
||||
|
摩擦面压强 |
|
N/cm2 |
||||
|
预定弹簧力 拉簧 片簧 |
|
N |
||||
|
无弹簧闸块式 |
计算转矩 |
Tc=βTt |
N·cm |
|||
|
传递转矩所需离心力 |
|
N |
||||
|
闸块有效离心力 |
|
N |
||||
|
摩擦面压强 |
|
N/cm2 |
||||
|
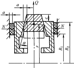
带拉簧楔块式 |
计算转矩 |
Tc=βTt |
N·cm |
r——楔块质心所处半径,cm z——楔块数量 b——摩擦面宽度,cm α——楔块倾斜角,(°) d——主动轴直径,cm m——单个楔块质量,kg ρ——摩擦角,tan ρ=μ φ——闸块所对角度,rad 其他符号说明同前 |
||
|
传递转矩所需离心力 |
|
N |
||||
|
楔块有效离心力 |
|
N |
||||
|
楔块脱开力 |
|
N |
||||
|
预定弹簧力 |
|
N |
||||
|
每根弹簧力 |
|
N |
||||
|
摩擦面压强 |
|
N/cm2 |
||||
|
摩擦面平均半径 |
|
cm |
||||
|
钢珠式 |
计算转矩 |
Tc=βTt |
N·cm |
β——工作储备系数取β=2 R2——壳体内半径,cm b——叶片宽度,cm μ——摩擦因数,钢珠对钢或铸铁μ=0.2~0.3 C——比值,一般取
其他符号说明同带弹簧闸块离心离合器 |
||
|
圆周产生的摩擦转矩 |
|
N·cm |
||||
|
端面产生的摩擦转矩 |
|
N·cm |
||||
|
许用转矩 |
Tp=T1+T2≥Tc |
N·cm |
||||
|
注:其他未注明的长度尺寸单位均匀为cm。 |
||||||







