|
DLZ1系列电磁离合制动器 |
||||||||||||||||||||||||||||||||||
|
安装示例 |
||||||||||||||||||||||||||||||||||
|
表1 |
||||||||||||||||||||||||||||||||||
|
规 格 |
额定静转矩/N·m |
额定电压(DC)/V |
线圈消耗功率(20℃)/W |
允许最高转速/r·min-1 |
||||||||||||||||||||||||||||||
|
离合器 |
制动器 |
|||||||||||||||||||||||||||||||||
|
25 |
250 |
80 |
24 |
81 |
2500 |
|||||||||||||||||||||||||||||
|
40 |
400 |
120 |
115 |
2500 |
||||||||||||||||||||||||||||||
|
50 |
500 |
90 |
137 |
1500 |
||||||||||||||||||||||||||||||
|
80 |
800 |
120 |
131 |
1500 |
||||||||||||||||||||||||||||||
|
|
||||||||||||||||||||||||||||||||||
|
表2 |
||||||||||||||||||||||||||||||||||
|
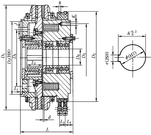
规 格 |
D1 |
D2 |
D3 |
D4 |
D5 |
D6 |
J |
K |
L |
L1 |
L2 |
L3 |
L4 |
δ |
f |
e |
h |
电刷型号 |
||||||||||||||||
|
mm |
||||||||||||||||||||||||||||||||||
|
25 |
285 |
247 |
200 |
155 |
180 |
45 |
8-f 11 |
8-M10深25 |
147 |
5 |
45 |
16 |
20.7 |
0.5 |
50 |
14 |
53.8 |
DS-009 |
||||||||||||||||
|
40 |
315 |
265 |
210 |
170 |
195 |
50 |
8-f 13 |
8-M12深25 |
166 |
6 |
51 |
16 |
20 |
0.7 |
55 |
16 |
59.4 |
DS-010 |
||||||||||||||||
|
|
||||||||||||||||||||||||||||||||||
|
表3 |
||||||||||||||||||||||||||||||||||
|
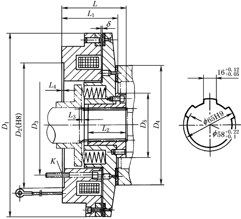
规 格 |
D1 |
D2 |
D3 |
D4 |
D5 |
K |
L |
L1 |
L2 |
L3 |
L4 |
δ |
电刷型号 |
|||||||||||||||||||||
|
mm |
||||||||||||||||||||||||||||||||||
|
50 |
350 |
237 |
188 |
224 |
120 |
6-f 12 |
122 |
105 |
73 |
4 |
3 |
0.5 |
DS-10 |
|||||||||||||||||||||
|
80 |
402 |
242 |
194 |
280 |
165 |
6-f 13.5 |
138.5 |
115.5 |
94.5 |
4 |
6 |
0.6 |
||||||||||||||||||||||
|
注:生产厂家为天津机床电器有限公司。 |
||||||||||||||||||||||||||||||||||



