|
DLD5型单片电磁离合器 |
||||||||||||||||||
|
|
||||||||||||||||||
|
表1 DLD5基型、A型、B型单片电磁离合器性能参数 |
||||||||||||||||||
|
型号 |
摩擦转矩/N·m |
功率/W (20℃) |
最高转速 /r·min-1 |
转动惯量/kg·m2 |
质量/kg |
|||||||||||||
|
动转矩 |
静转矩 |
转子 |
衔铁 |
|||||||||||||||
|
DLD5-5 -5/A -5/B |
5 |
5.5 |
11 |
8000 |
7.35×10-5 |
4.23×10-5 |
0.46 |
|||||||||||
|
6.03×10-5 |
0.50 |
|||||||||||||||||
|
1.05×10-4 |
0.66 |
|||||||||||||||||
|
DLD5-10 -10/A -10/B |
10 |
11 |
15 |
6000 |
2.24×10-4 |
1.18×10-4 |
0.83 |
|||||||||||
|
1.71×10-4 |
0.91 |
|||||||||||||||||
|
3.00×10-4 |
1.19 |
|||||||||||||||||
|
DLD5-20 -20/A -20/B |
20 |
22 |
20 |
5000 |
6.78×10-4 |
4.78×10-4 |
1.5 |
|||||||||||
|
6.63×10-4 |
1.66 |
|||||||||||||||||
|
9.45×10-4 |
2.11 |
|||||||||||||||||
|
DLD5-30 -30/A -30/B |
30 |
33 |
23 |
4000 |
1.22×10-3 |
7.40×10-4 |
2.24 |
|||||||||||
|
1.01×10-3 |
2.38 |
|||||||||||||||||
|
1.58×10-3 |
3.05 |
|||||||||||||||||
|
DLD5-40 -40/A -40/B |
40 |
45 |
25 |
4000 |
2.14×10-3 |
1.31×10-3 |
2.76 |
|||||||||||
|
1.81×10-3 |
3.05 |
|||||||||||||||||
|
2.75×10-3 |
3.80 |
|||||||||||||||||
|
DLD5-60 -60/A -60/B |
60 |
66 |
30 |
3500 |
3.75×10-3 |
3.15×10-3 |
4.05 |
|||||||||||
|
4.22×10-3 |
4.30 |
|||||||||||||||||
|
5.70×10-3 |
5.40 |
|||||||||||||||||
|
DLD5-80 -80/A -80/B |
80 |
90 |
35 |
3000 |
6.30×10-3 |
4.80×10-3 |
5.10 |
|||||||||||
|
6.35×10-3 |
5.40 |
|||||||||||||||||
|
9.05×10-3 |
6.90 |
|||||||||||||||||
|
DLD5-120 -120/A -120/B |
120 |
135 |
40 |
3000 |
1.08×10-2 |
7.20×10-3 |
5.18 |
|||||||||||
|
9.75×10-3 |
5.48 |
|||||||||||||||||
|
1.35×10-2 |
6.98 |
|||||||||||||||||
|
DLD5-160 -160/A -160/B |
160 |
175 |
45 |
2500 |
1.93×10-2 |
1.37×10-2 |
9.30 |
|||||||||||
|
1.90×10-2 |
10.5 |
|||||||||||||||||
|
2.65×10-2 |
13.0 |
|||||||||||||||||
|
DLD5-250 -250/A -250/B |
250 |
275 |
52 |
2000 |
3.15×10-2 |
2.47×10-2 |
13.2 |
|||||||||||
|
3.32×10-2 |
14.6 |
|||||||||||||||||
|
4.81×10-2 |
18.5 |
|||||||||||||||||
|
DLD5-320 -320/A -320/B |
320 |
350 |
60 |
2000 |
4.48×10-2 |
3.58×10-2 |
17.0 |
|||||||||||
|
4.83×10-2 |
18.7 |
|||||||||||||||||
|
7.45×10-2 |
23.6 |
|||||||||||||||||
|
注:产品生产厂家为北京古德高机电技术有限公司,该公司还生产DLD6型带轴承的电磁离合器,见厂家样本。 |
||||||||||||||||||
|
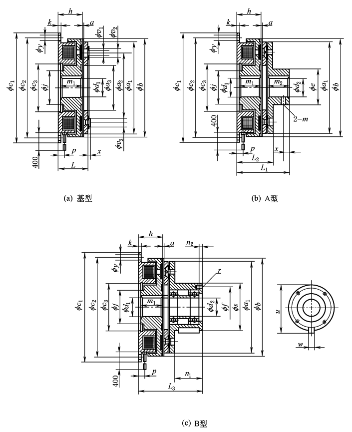
表2 DLD5基型、A型、B型单片电磁离合器规格尺寸 mm |
||||||||||||||||||
|
规格 |
5 |
10 |
20 |
30 |
40 |
60 |
80 |
120 |
160 |
250 |
320 |
|||||||
|
d1 |
11-15 |
14-20 |
19-25 |
20-25 |
24-30 |
20-30 |
28-40 |
28-40 |
40-50 |
40-50 |
50-70 |
|||||||
|
d2 |
12-17 |
15-20 |
20-25 |
20-25 |
25-30 |
25-30 |
30-40 |
30-40 |
40-50 |
40-50 |
50-70 |
|||||||
|
d3 |
12 |
15 |
20 |
20 |
25 |
25 |
30 |
30 |
40 |
40 |
50 |
|||||||
|
a |
0.2±0.05 |
0.3±0.05 |
0.5±0.1 |
|||||||||||||||
|
a1 |
63 |
80 |
100 |
105 |
125 |
137 |
160 |
160 |
200 |
230 |
250 |
|||||||
|
a2 |
46 |
60 |
76 |
76 |
95 |
95 |
120 |
120 |
158 |
158 |
210 |
|||||||
|
a3 |
34.5 |
41.5 |
51.5 |
51.5 |
61.5 |
65 |
79.5 |
79.5 |
99.5 |
124 |
124.5 |
|||||||
|
b |
67.5 |
85 |
106 |
112 |
133 |
145 |
169 |
169 |
212.5 |
242 |
264 |
|||||||
|
c1 |
80 |
100 |
125 |
130 |
150 |
160 |
190 |
190 |
230 |
270 |
292 |
|||||||
|
c2 |
72 |
90 |
112 |
118 |
137 |
148 |
175 |
175 |
215 |
255 |
276 |
|||||||
|
c3 |
35 |
42 |
52 |
52 |
62 |
62 |
80 |
80 |
100 |
100 |
125 |
|||||||
|
h |
23.6 |
26.6 |
29.8 |
31.8 |
33.3 |
37.5 |
37.5 |
37.5 |
44.5 |
46.5 |
50.7 |
|||||||
|
j |
23 |
28.5 |
40 |
40 |
45 |
45 |
62 |
62 |
78 |
78 |
106 |
|||||||
|
k |
2 |
2.5 |
3.3 |
3.2 |
3.2 |
4.4 |
4.4 |
4.4 |
5.5 |
5.5 |
6.1 |
|||||||
|
m |
4 |
5 |
6 |
8 |
10 |
|||||||||||||
|
p |
6 |
7 |
8 |
9 |
11 |
13 |
16 |
|||||||||||
|
x |
1.4 |
1.6 |
2.6 |
3.0 |
||||||||||||||
|
e |
26 |
31 |
41 |
41 |
49 |
49 |
65 |
65 |
83 |
83 |
105 |
|||||||
|
L |
27.8 |
31.4 |
35.8 |
38.9 |
40.8 |
46.7 |
47.1 |
47.1 |
56.3 |
58.3 |
63.6 |
|||||||
|
L1 |
42.8 |
51.4 |
60.8 |
63.9 |
70.8 |
76.7 |
85.1 |
85.31 |
101.3 |
103.3 |
117.6 |
|||||||
|
L2 |
33.8 |
38.4 |
43.8 |
46.9 |
48.8 |
54.7 |
55.1 |
55.1 |
66.3 |
68.3 |
77.6 |
|||||||
|
L3 |
51.3 |
60.4 |
70.8 |
73.9 |
86.8 |
92.7 |
105.1 |
105.1 |
126.3 |
128.3 |
144.6 |
|||||||
|
m1 |
21.3 |
23.7 |
26.7 |
28.5 |
29.7 |
31.7 |
33.7 |
33.7 |
39.7 |
41.7 |
46.2 |
|||||||
|
m2 |
15 |
20 |
25 |
25 |
30 |
30 |
38 |
38 |
45 |
45 |
54 |
|||||||
|
t |
6 |
8 |
10 |
10 |
12 |
12 |
15 |
15 |
18 |
18 |
22 |
|||||||
|
f |
33 |
37 |
47 |
47 |
52 |
52 |
65 |
65 |
74.5 |
74.5 |
101.5 |
|||||||
|
n1 |
17.5 |
22 |
27 |
27 |
38 |
38 |
50 |
50 |
60 |
60 |
67 |
|||||||
|
n2 |
4 |
4 |
5 |
6 |
8 |
10 |
||||||||||||
|
r |
4×M4 |
4×M5 |
4×M6 |
4×M8 |
||||||||||||||
|
s |
38 |
45 |
55 |
55 |
64 |
64 |
75 |
75 |
90 |
90 |
115 |
|||||||
|
v1 |
3×4.1 |
3×5.2 |
3×6.2 |
3×8.2 |
3×10.3 |
4×12.4 |
||||||||||||
|
v2 |
3-7 |
3-8.5 |
3-11 |
3-12 |
3-16 |
3-20 |
4-24 |
|||||||||||
|
v3 |
3-6 |
3-7.4 |
3-10 |
3-11 |
3-14.9 |
3-18 |
3-20 |
|||||||||||
|
u |
39.4 |
47 |
57.5 |
67 |
78 |
93 |
118 |
|||||||||||
|
w |
4 |
5 |
6 |
8 |
10 |
12 |
||||||||||||
|
y |
4-5 |
4-6 |
4-7 |
4-9.5 |
4-11.5 |
|||||||||||||

