|
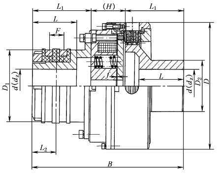
DLM2系列大型有滑环干式多片电磁离合器(JB/T 8808—1998) |
|||||||||||||||||
|
|
|||||||||||||||||
|
表1 |
|||||||||||||||||
|
型号 |
公称 转矩 Tn /N·m |
许用 转速 np /r·min-1 |
轴孔直径 |
轴孔长度 J、Z |
B |
D |
H |
集电环 置尺寸 /直径 L2/D1 |
F |
D2 |
气隙 f |
通电 动作 时间 |
断电 动作 时间 |
转动惯量 /kg·m2 |
质量 /kg |
||
|
d(dz) |
L |
L1 |
|||||||||||||||
|
mm |
s |
主动端 |
从动端 |
||||||||||||||
|
DLM2-630 |
630 |
2000 |
40,42,45,48,50,55 |
84 |
112 |
290 |
210 |
|
45/120 |
27 |
85 |
0.8~1.1 |
0.15 |
0.30 |
0.14 |
0.01 |
31.5 |
|
DLM2-1000 |
1000 |
2000 |
45,48,50,55 |
84 |
112 |
300 |
235 |
|
45/130 |
95 |
0.8~1.1 |
0.15 |
0.30 |
0.26 |
0.03 |
45.2 |
|
|
60 |
107 |
142 |
360 |
||||||||||||||
|
DLM2-1600 |
1600 |
2000 |
50,55 |
84 |
112 |
310 |
260 |
|
45/145 |
110 |
1.0~1.3 |
0.20 |
0.35 |
0.43 |
0.05 |
62.8 |
|
|
60,63,65,70 |
107 |
142 |
370 |
||||||||||||||
|
DLM2-2500 |
2500 |
1800 |
65,70,75 |
107 |
142 |
380 |
300 |
|
60/170 |
30 |
130 |
1.0~1.3 |
0.22 |
0.38 |
0.84 |
0.10 |
89.4 |
|
80,85 |
132 |
172 |
440 |
||||||||||||||
|
DLM2-4000 |
4000 |
1600 |
70,75 |
107 |
142 |
390 |
340 |
|
60/195 |
145 |
1.0~1.3 |
0.22 |
0.38 |
1.59 |
0.18 |
132.1 |
|
|
80,85,90,95 |
132 |
172 |
450 |
||||||||||||||
|
DLM2-6300 |
6300 |
1400 |
80,85,90,95 |
132 |
172 |
460 |
390 |
|
80/220 |
165 |
1.0~1.3 |
0.25 |
0.40 |
3.02 |
0.41 |
193.4 |
|
|
100,110 |
167 |
212 |
540 |
||||||||||||||
|
DLM2-10000 |
10000 |
1200 |
90,95 |
132 |
172 |
480 |
440 |
|
80/250 |
190 |
1.2~1.5 |
0.30 |
0.42 |
5.53 |
0.73 |
278.6 |
|
|
100,110,120,125 |
167 |
212 |
560 |
||||||||||||||
|
DLM2-16000 |
16000 |
1100 |
100,110,120,125 |
167 |
212 |
580 |
500 |
|
110/270 |
210 |
1.5~1.8 |
0.35 |
0.45 |
10.70 |
1.69 |
428.4 |
|
|
130,140 |
202 |
252 |
660 |
||||||||||||||
|
DLM2-25000 |
25000 |
1000 |
130,140,150 |
202 |
252 |
670 |
560 |
|
140/310 |
250 |
1.5~1.8 |
0.40 |
0.50 |
19.22 |
3.14 |
618.1 |
|
|
160,170 |
242 |
302 |
770 |
||||||||||||||
|
注:1.公称转矩为标定的公称静摩擦转矩,选用时应考虑机器的工况系数及电机过载系数。 2.离合器质量按表中最大轴孔直径计算。 3.所需电刷配套供应。 4.生产厂家为富拉尔基第一重型机器厂机电设备厂。 |
|||||||||||||||||
|
① 标记方法
标记示例: 例1 DLM2 型电磁离合器的公称转矩为1000N·m; 主动端:J型轴孔、A型键槽、轴孔直径d=55mm、轴孔长度L=84mm; 从动端:Z型轴孔、C型键槽、轴孔直径dz=48mm、轴孔长度L=84mm。标记为:
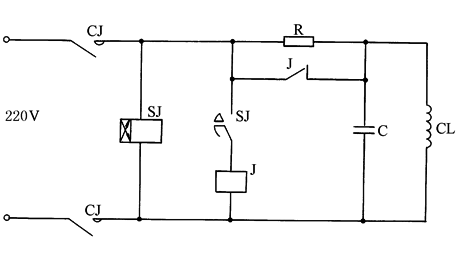
例2 DLM2型电磁离合器的公称转矩为1000N·m; 主动端:J型轴孔、A型键槽、轴孔直径d=50mm、轴孔长度L=84mm; 从动端:J型轴孔、A型键槽、轴孔直径d=50mm、轴孔长度L=84mm。标记为: DLM2-1000 J50×84 JB/T 8808—1998 ② 离合器的控制电路
SJ—时间继电器(控制强励时间);J—继电器(强励磁与额定励磁转换);R—分压电阻;C—放电电容器; CJ—接触器(操作离合器);CL—电磁离合器线圈时间继电器控制的强励磁时间为1~2s |
||||||||
|
表2 电气元件参数 |
||||||||
|
型号 |
线圈CL(75℃) |
放电电容C |
分压电阻R |
|||||
|
保持功率 /W |
电阻 /Ω |
保持电流 /A |
保持电压 /V |
容量 /μF |
额定电压 /V |
功率 /W |
阻值 /Ω |
|
|
DLM2-630 |
34.7 |
37.3 |
0.96 |
36 |
6 |
630 |
178 |
190 |
|
DLM2-1000 |
35.4 |
36.6 |
0.98 |
6 |
181 |
187 |
||
|
DLM2-1600 |
45.1 |
28.7 |
1.25 |
12 |
232 |
146 |
||
|
DLM2-2500 |
51.6 |
25.2 |
1.43 |
16 |
263 |
129 |
||
|
DLM2-4000 |
59.1 |
21.9 |
1.64 |
16 |
302 |
112 |
||
|
DLM2-6300 |
68.7 |
18.9 |
1.91 |
16 |
352 |
96 |
||
|
DLM2-10000 |
73.3 |
17.7 |
2.03 |
36 |
376 |
90 |
||
|
DLM2-16000 |
73.3 |
17.7 |
2.04 |
50 |
376 |
90 |
||
|
DLM2-25000 |
80.1 |
16.2 |
2.22 |
50 |
412 |
82 |
||
|
注:1.直流220V强励磁时,强励电流大约为保持电流的6.1倍,功率大约为37.3倍。 2.放电电容用直流电容器。 3.分压电阻消耗功率取决于阻值,选用时分压电阻阻值应充分留有余量。
|
||||||||
|
③ 离合器电刷架的型式及安装尺寸 |
|||||||||
|
表3 离合器电刷架的型式及安装尺寸 mm |
|||||||||
|
|
|||||||||
|
离合器型号 |
DLM2-630 |
DLM2-1000 |
DLM2-1600 |
DLM2-2500 |
DLM2-4000 |
DLM2-6300 |
DLM2-10000 |
DLM2-16000 |
DLM2-25000 |
|
B1 |
160 |
170 |
185 |
210 |
235 |
260 |
290 |
310 |
350 |
|
B2 |
296 |
306 |
321 |
346 |
371 |
396 |
426 |
446 |
486 |
|
注:D、D1、L2、F见表1;电刷架为离合器的附属装置,随离合器一同交货。 |
|||||||||
|
表4 保护罩尺寸 mm |
||||||||
|
|
离合器型号 |
A3 |
A4 |
B3 |
L4 |
L5 |
R |
D0 |
|
DLM2-630 |
440 |
480 |
|
|
|
193 |
125 |
|
|
DLM2-1000 |
450 |
490 |
|
|
|
198 |
135 |
|
|
DLM2-1600 |
460 |
500 |
|
|
|
203 |
150 |
|
|
DLM2-2500 |
490 |
530 |
|
|
|
218 |
175 |
|
|
DLM2-4000 |
520 |
560 |
B-15 |
35 |
B-75 |
233 |
200 |
|
|
DLM2-6300 |
540 |
580 |
B-20 |
40 |
B-80 |
243 |
225 |
|
|
DLM2-10000 |
580 |
620 |
|
|
|
263 |
260 |
|
|
DLM2-16000 |
640 |
680 |
|
|
|
293 |
280 |
|
|
DLM2-25000 |
700 |
740 |
|
|
|
323 |
320 |
|
|
注:1. B见表1。 2. H1尺寸按实际需要,但不应小于200mm。 |
||||||||





