|
DLM10(EKE)系列有滑环多片电磁离合器 |
||||||||||||||||||||
|
|
||||||||||||||||||||
|
规格 |
额定动 转 矩 /N·m |
额定静 转 矩 /N·m |
空载 转矩 /N·m |
接通时间 /s ≤ |
断开时间 /s ≤ |
额定电压 (DC) /V |
线圈消耗 功率(20℃) /W |
允许最高 转速 /r·min-1 |
质量 /kg |
电刷型号 |
||||||||||
|
1A/1AG |
12.5 |
20/14 |
0.088/0.05 |
0.14/0.11 |
0.03/0.025 |
24 |
26 |
3000 |
2 |
湿式采用DS-005、干式采用DS-006 |
||||||||||
|
2A/2AG |
25 |
40/27.5 |
0.175/0.10 |
0.18/0.16 |
0.032/0.028 |
27 |
3000 |
2.6 |
||||||||||||
|
4A/4AG |
40 |
63/44 |
0.280/0.16 |
0.20/0.18 |
0.04/0.03 |
33 |
3000 |
3.2 |
||||||||||||
|
6A/6AG |
63 |
100/70 |
0.350/0.26 |
0.25/0.20 |
0.45/0.04 |
43 |
3000 |
4 |
||||||||||||
|
10A/10AG |
100 |
160/110 |
0.500/0.35 |
0.28/0.25 |
0.06/0.045 |
43 |
3000 |
5.5 |
||||||||||||
|
16A/16AG |
160 |
250/175 |
1.00/0.56 |
0.30/0.28 |
0.08/0.06 |
47 |
2500 |
7.8 |
||||||||||||
|
25A/25AG |
250 |
400/280 |
1.50/0.88 |
0.35/0.30 |
0.11/0.08 |
55 |
2200 |
11 |
||||||||||||
|
40A/40AG |
400 |
630/440 |
2.50/1.40 |
0.40/0.35 |
0.12/0.11 |
62 |
2000 |
15 |
||||||||||||
|
63A/63AG |
630 |
1000/700 |
4.00/2.20 |
0.50/0.40 |
0.15/0.12 |
70 |
1750 |
21 |
||||||||||||
|
100A/100AG |
1000 |
1600/1100 |
6.00/3.00 |
0.60/0.50 |
0.18/0.15 |
79 |
1600 |
32 |
||||||||||||
|
160A/160AG |
1600 |
2500/1750 |
10/5.5 |
0.90/0.70 |
0.22/0.18 |
93 |
1350 |
50 |
||||||||||||
|
250A/250AG |
2500 |
4000/2750 |
15/8.6 |
1.15/0.90 |
0.28/0.25 |
110 |
1200 |
77 |
||||||||||||
|
400A/400AG |
4000 |
6300/4400 |
24/14 |
1.30/1.20 |
0.35/0.30 |
123 |
1000 |
122 |
||||||||||||
|
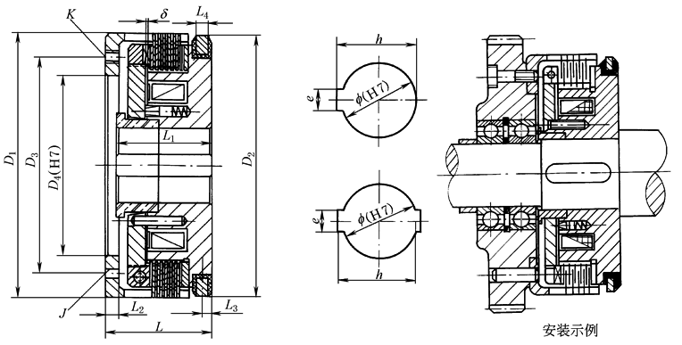
规格 |
D1 |
D2 |
D3 |
D4 |
f |
e |
h |
J |
K |
L |
L1 |
L2 |
L3 |
L4 |
δ |
|||||
|
mm |
||||||||||||||||||||
|
1A/1AG |
100 |
100 |
85 |
50 |
18 |
|
|
2-f 6 |
4-M6 |
45 |
42 |
5 |
5.5 |
8 |
0.30 |
|||||
|
2A/2AG |
110 |
110 |
90 |
55 |
20 |
|
|
2-f 6 |
4-M6 |
48 |
45 |
5 |
5.5 |
8 |
0.30 |
|||||
|
4A/4AG |
120 |
120 |
100 |
60 |
25 |
|
|
3-f 6 |
6-M6 |
52 |
48 |
6 |
5.5 |
8 |
0.30 |
|||||
|
6A/6AG |
132 |
132 |
105 |
65 |
30 |
|
|
3-f 6 |
6-M8 |
55 |
50 |
7 |
5.5 |
8 |
0.30 |
|||||
|
10A/10AG |
147 |
145 |
120 |
75 |
40 |
|
|
3-f 8 |
6-M8 |
58 |
53 |
7 |
5.5 |
8 |
0.35 |
|||||
|
16A/16AG |
162 |
160 |
135 |
85 |
45 |
|
|
3-f 8 |
6-M8 |
62 |
57 |
7 |
5.5 |
8 |
0.40 |
|||||
|
25A/25AG |
182 |
180 |
155 |
95 |
50 |
|
|
3-f 10 |
6-M16 |
68 |
63 |
8 |
6 |
8 |
0.45 |
|||||
|
40A/40AG |
202 |
200 |
170 |
120 |
60 |
|
|
3-f 10 |
6-M10 |
76 |
70 |
9 |
6.25 |
8 |
0.50 |
|||||
|
63A/63AG |
235 |
230 |
200 |
125 |
70 |
|
|
3-f 14 |
6-M12 |
86 |
80 |
10 |
6.25 |
8 |
0.60 |
|||||
|
100A/100AG |
270 |
255 |
235 |
150 |
70 |
|
|
3-f 14 |
6-M16 |
100 |
92 |
12 |
8.5 |
10 |
0.70 |
|||||
|
160A/160AG |
310 |
295 |
260 |
180 |
75 |
20±0.026 |
|
3-f 16 |
6-M16 |
115 |
107 |
14 |
8 |
10 |
0.80 |
|||||
|
250A/250AG |
360 |
340 |
305 |
200 |
100 |
28±0.026 |
|
4-f 16 |
8-M16 |
132 |
122 |
15 |
8.5 |
10 |
0.90 |
|||||
|
400A/400AG |
420 |
395 |
350 |
235 |
120 |
|
|
4-f 20 |
8-M16 |
150 |
138 |
17 |
8.5 |
10 |
1 |
|||||
|
注:1. D3、J、K为用户连接用尺寸,由用户自行加工,本表数据仅供参考。 2.250A/250AG、400A/400AG为双键孔,位置180°,h1为 3.离合器工作时必须在摩擦片间加润滑油,供油方式为外浇油或油溶式,但其浸入油深为离合器外径的1/5~1/4。高速或频繁动作时应采用轴心供油,其量见本表。 4.安装示例为同轴安装齿轮输出,也可分轴安装,但主、从动轴都应轴向固定,不得窜动,且同轴度不低于9级。输出及安装方式由用户决定并实现。 5.G为干式多片电磁离合器。 6.生产厂家为天津机床电器有限公司。 |
||||||||||||||||||||

