|
DLM9(ERD)系列无滑环湿式多片电磁离合器 |
||||||||||||||||||||
|
|
||||||||||||||||||||
|
规格 |
额 定 动转矩 /N·m |
额 定 静转矩 /N·m |
空载 转矩 /N·m |
接通 时间/s ≤ |
断开 时间/s ≤ |
额定 电压 (DC)/V |
线圈消耗 功率(20℃) /W |
允许最高 转速 /r·min-1 |
质量 /kg |
供油量 /L·min-1 |
||||||||||
|
DLM 9-2 |
16 |
25 |
0.48 |
0.28 |
0.09 |
24 |
24 |
3000 |
2.9 |
0.25 |
||||||||||
|
DLM 9-5 |
50 |
80 |
0.85 |
0.30 |
0.10 |
24 |
37 |
3000 |
3.9 |
0.40 |
||||||||||
|
DLM 9-10 |
100 |
160 |
1.80 |
0.32 |
0.14 |
24 |
50 |
3000 |
5.9 |
0.65 |
||||||||||
|
DLM 9-16 |
160 |
250 |
2.40 |
0.36 |
0.16 |
24 |
56 |
2500 |
7.8 |
0.65 |
||||||||||
|
DLM 9-25 |
250 |
400 |
3.80 |
0.40 |
0.18 |
24 |
76 |
2200 |
10.7 |
1.00 |
||||||||||
|
DLM 9-40 |
400 |
630 |
6.00 |
0.60 |
0.22 |
24 |
86 |
2000 |
15 |
1.00 |
||||||||||
|
DLM 9-63 |
630 |
1000 |
9.50 |
0.70 |
0.26 |
24 |
88 |
1800 |
22 |
1.20 |
||||||||||
|
DLM 9-100 |
1000 |
1600 |
15.00 |
0.85 |
0.31 |
24 |
104 |
1600 |
33 |
1.20 |
||||||||||
|
DLM 9-160 |
1600 |
2500 |
24.00 |
1.20 |
0.43 |
24 |
122 |
1500 |
51 |
1.50 |
||||||||||
|
DLM 9-250 |
2500 |
4000 |
38.00 |
1.40 |
0.50 |
24 |
175.5 |
1200 |
67 |
2.00 |
||||||||||
|
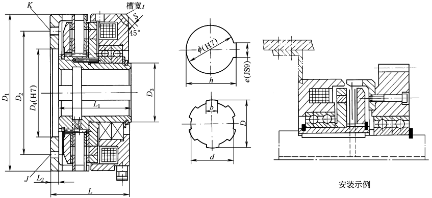
规格 |
D1 |
D2 |
D3 |
D4 |
f |
e |
h |
J |
K |
L |
L1 |
L2 |
S |
t |
||||||
|
mm |
||||||||||||||||||||
|
DLM 9-2 |
95 |
80 |
35 |
50 |
20 |
6 |
|
2-f 6 |
4-M6 |
55 |
50 |
5 |
4 |
8 |
||||||
|
DLM 9-5 |
110 |
90 |
45 |
65 |
30 |
8 |
|
3-f 6 |
4-M6 |
60 |
55 |
5 |
4 |
8 |
||||||
|
DLM 9-10 |
132 |
105 |
50 |
75 |
40 |
12 |
|
3-f 6 |
6-M8 |
67 |
60 |
7 |
5 |
10 |
||||||
|
DLM 9-16 |
147 |
120 |
55 |
85 |
45 |
14 |
|
3-f 8 |
6-M8 |
72 |
65 |
7 |
5 |
10 |
||||||
|
DLM 9-25 |
162 |
135 |
65 |
95 |
50 |
16 |
|
3-f 8 |
6-M8 |
82 |
75 |
7 |
6 |
12 |
||||||
|
DLM 9-40 |
182 |
155 |
75 |
120 |
60 |
18 |
|
3-f 10 |
6-M10 |
93 |
85 |
8 |
6 |
12 |
||||||
|
DLM 9-63 |
202 |
170 |
85 |
125 |
70 |
20 |
|
3-f 10 |
6-M10 |
109 |
100 |
9 |
8 |
14 |
||||||
|
DLM 9-100 |
235 |
200 |
100 |
150 |
70 |
20 |
|
3-f 14 |
6-M12 |
120 |
110 |
10 |
8 |
14 |
||||||
|
DLM 9-160 |
270 |
235 |
110 |
200 |
90 |
25 |
|
3-f 14 |
6-M12 |
142 |
130 |
12 |
10 |
16 |
||||||
|
DLM 9-250 |
310 |
260 |
140 |
220 |
110 |
28 |
|
3-f 16 |
6-M16 |
157 |
145 |
14 |
10 |
16 |
||||||
|
注:1. D2、J、K为用户连接用尺寸,由用户自行加工,本表数据仅供参考。 2.离合器工作时必须在摩擦片间加润滑油,供油方式为外浇油或油溶式,但其浸入油深为离合器外径的1/5~1/4。高速或频繁动作时应采用轴心供油,其量见本表。 3.安装示例为同轴安装齿轮输出,也可分轴安装,但主、从动轴都应轴向固定,不得窜动,且同轴度不低于9级。输出及安装方式由用户决定并实现。 4.生产厂家为天津机床电器有限公司。 |
||||||||||||||||||||

