|
DLM5系列有滑环湿式多片电磁离合器 |
|||||||||||||||||||||||
|
|
|||||||||||||||||||||||
|
规格 |
额定动 转矩 /N·m |
额定静 转矩 /N·m |
空载转矩 /N·m |
接通时间 /s≤ |
断开时间 /s≤ |
额定电压 (DC)/V |
线圈消耗 功率(20℃) /W |
允许最高 转速 /r·min-1 |
质量 /kg |
供油量 /L·min-1 |
|||||||||||||
|
1.2/1.2C |
12 |
20 |
0.39 |
0.28 |
0.09 |
24 |
10 |
3500 |
1.3 |
0.20 |
|||||||||||||
|
2.5 |
25 |
40 |
0.40 |
0.30 |
0.09 |
24 |
17 |
3500 |
1.73 |
0.25 |
|||||||||||||
|
5/5C |
50 |
80 |
0.90 |
0.32 |
0.10 |
24 |
17 |
3000 |
2.9 |
0.40 |
|||||||||||||
|
10/10C |
100 |
160 |
1.80 |
0.35 |
0.14 |
24 |
19 |
3000 |
4.3 |
0.65 |
|||||||||||||
|
16 |
160 |
250 |
2.40 |
0.37 |
0.14 |
24 |
26 |
2500 |
5.8 |
0.65 |
|||||||||||||
|
25/25C |
250 |
400 |
3.50 |
0.40 |
0.18 |
24 |
39 |
2200 |
7.7 |
1.00 |
|||||||||||||
|
40 |
400 |
630 |
5.60 |
0.42 |
0.20 |
24 |
45 |
2000 |
12.2 |
1.00 |
|||||||||||||
|
63 |
630 |
1000 |
9.00 |
0.45 |
0.25 |
24 |
66 |
1800 |
16.2 |
1.2 |
|||||||||||||
|
100 |
1000 |
1600 |
15.0 |
0.65 |
0.35 |
24 |
81 |
1600 |
23.2 |
1.2 |
|||||||||||||
|
160 |
1600 |
2500 |
24.0 |
0.90 |
0.45 |
24 |
87 |
1600 |
31.7 |
1.5 |
|||||||||||||
|
250 |
2500 |
4000 |
37.5 |
1.20 |
0.60 |
24 |
100 |
1200 |
47.1 |
2.0 |
|||||||||||||
|
400 |
4000 |
6300 |
60.0 |
1.50 |
0.80 |
24 |
134 |
1000 |
100.9 |
3.0 |
|||||||||||||
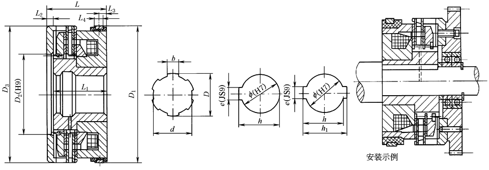
|
规格 |
D1 |
D2 |
D3 |
D |
d |
b |
f |
e |
h |
h1 |
L |
L1 |
L2 |
L3 |
L4 |
电刷型号 |
|||||||
|
mm |
|||||||||||||||||||||||
|
1.2 |
86 |
50 |
86 |
|
|
|
20 |
6 |
|
|
43.5 |
38 |
5.5 |
5 |
7 |
DS-002 |
|||||||
|
2.5 |
96 |
56 |
96 |
|
|
|
25 |
8 |
|
|
48.5 |
43 |
5.5 |
7 |
7 |
||||||||
|
5 |
113 |
65 |
113 |
|
|
|
30 |
8 |
|
|
55.5 |
50 |
5.5 |
7 |
8 |
||||||||
|
10 |
133 |
75 |
133 |
|
|
|
40 |
12 |
|
|
61 |
54.5 |
6.5 |
8 |
10 |
DS-001 |
|||||||
|
16 |
145 |
85 |
145 |
|
|
|
45 |
14 |
|
|
63.5 |
57 |
6.5 |
8 |
10 |
||||||||
|
25 |
166 |
95 |
166 |
|
|
|
50 |
14 |
|
|
72 |
64.5 |
7.5 |
10 |
10 |
||||||||
|
40 |
192 |
120 |
192 |
|
|
|
60 |
18 |
|
|
82.5 |
74.5 |
8 |
10 |
10 |
||||||||
|
63 |
212 |
125 |
212 |
|
|
|
70 |
20 |
|
|
91.5 |
82 |
9.5 |
12 |
10 |
||||||||
|
100 |
235 |
150 |
235 |
|
|
|
70 |
20 |
|
|
105 |
96 |
10 |
15 |
10 |
||||||||
|
160 |
270 |
180 |
270 |
|
|
|
100 |
28 |
|
|
118 |
104 |
14 |
15 |
10 |
||||||||
|
250 |
310 |
220 |
310 |
|
|
|
110 |
28 |
|
|
130 |
116 |
14 |
10 |
12 |
||||||||
|
400 |
415 |
235 |
415 |
|
|
|
120 |
32 |
|
|
150 |
132 |
18 |
10 |
12 |
||||||||
|
1.2C |
94 |
50 |
86 |
|
|
|
|
|
|
|
56 |
50.5 |
5.5 |
19 |
10 |
||||||||
|
5C |
116 |
65 |
113 |
|
|
|
|
|
|
|
59.5 |
54 |
5.5 |
19 |
10 |
||||||||
|
10C |
142 |
85 |
133 |
|
|
|
|
|
|
|
64.5 |
58 |
6.5 |
19 |
10 |
||||||||
|
25C |
176 |
105 |
160 |
|
|
|
|
|
|
|
81 |
73.5 |
7.5 |
21 |
10 |
||||||||
|
注:1.离合器工作时必须在摩擦片间加润滑油,供油方式为外浇油或油溶式,但其浸入油深为离合器外径的1/5~1/4。高速或频繁动作时应采用轴心供油,其量见本表。 2.安装示例为同轴安装齿轮输出,也可分轴安装,但主、从动轴都应轴向固定,不得窜动,且同轴度不低于9级。输出及安装方式由用户决定并实现。 3.生产厂家为天津机床电器有限公司。 |
|||||||||||||||||||||||

