|
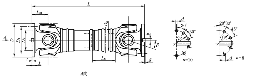
DH 型联轴器(JB/T 5513—1991) |
|||||||||||||||||||
|
DH型—短伸缩焊接式 |
|||||||||||||||||||
|
基本参数和主要尺寸 |
|||||||||||||||||||
|
型 号 |
回转 直径 D |
公称 转矩 Tn |
疲劳 转矩 Tf |
轴线 折角 β |
伸缩 量Ls |
Lmin |
D1 (js11) |
D2 (H7) |
D3 |
Lm |
n×d |
k |
t |
b (h9) |
g |
转动惯量 |
质量 |
||
|
Lmin |
增长 100mm |
Lmin |
增长 100mm |
||||||||||||||||
|
mm |
kN·m |
(°) |
mm |
kg·m2 |
kg |
||||||||||||||
|
SWC 180 DH 1 |
180 |
12.5 |
6.3 |
≤25 |
75 |
650 |
155 |
105 |
114 |
110 |
8×17 |
17 |
5 |
— |
— |
0.165 |
0.0070 |
58 |
2.8 |
|
SWC 180 DH 2 |
55 |
600 |
0.162 |
56 |
|||||||||||||||
|
SWC 180 DH 3 |
40 |
550 |
0.160 |
52 |
|||||||||||||||
|
SWC 225 DH 1 |
225 |
40 |
20 |
≤15 |
85 |
710 |
196 |
135 |
152 |
120 |
8×17 |
20 |
5 |
32 |
9.0 |
0.415 |
0.0234 |
95 |
4.9 |
|
SWC 225 DH 2 |
70 |
640 |
0.397 |
92 |
|||||||||||||||
|
SWC 250 DH 1 |
250 |
63 |
31.5 |
≤15 |
100 |
795 |
218 |
150 |
168 |
140 |
8×19 |
25 |
6 |
40 |
12.5 |
0.900 |
0.0277 |
148 |
5.3 |
|
SWC 250 DH 2 |
70 |
735 |
0.885 |
136 |
|||||||||||||||
|
SWC 285 DH 1 |
285 |
90 |
45 |
≤15 |
120 |
950 |
245 |
170 |
194 |
160 |
8×21 |
27 |
7 |
40 |
15.0 |
1.876 |
0.0510 |
229 |
6.3 |
|
SWC 285 DH 2 |
80 |
880 |
1.801 |
221 |
|||||||||||||||
|
SWC 315 DH 1 |
315 |
125 |
63 |
≤15 |
130 |
1070 |
280 |
185 |
219 |
180 |
10×23 |
32 |
8 |
40 |
15.0 |
3.331 |
0.0795 |
346 |
8.0 |
|
SWC 315 DH 2 |
90 |
980 |
3.163 |
334 |
|||||||||||||||
|
SWC 350 DH 1 |
350 |
180 |
90 |
≤15 |
140 |
1170 |
310 |
210 |
267 |
194 |
10×23 |
35 |
8 |
50 |
16.0 |
6.215 |
0.2219 |
508 |
15.0 |
|
SWC 350 DH 2 |
90 |
1070 |
5.824 |
485 |
|||||||||||||||
|
SWC 390 DH 1 |
390 |
250 |
125 |
≤15 |
150 |
1300 |
345 |
235 |
267 |
215 |
10×25 |
40 |
8 |
70 |
18.0 |
11.125 |
0.2219 |
655 |
15.0 |
|
SWC 390 DH 2 |
90 |
1200 |
10.763 |
600 |
|||||||||||||||
|
注:1.Tf—— 在交变载荷下按疲劳强度所允许的转矩;L—— 安装长度,按需要确定。 2.BH型的Lmin为缩短后的最小长度。 3.Lmin—— 缩短后的最小长度。 |
|||||||||||||||||||

