|
BF、WF、WD型联轴器(JB/T 5513—1991) |
|||||||||||||
|
|
|||||||||||||
|
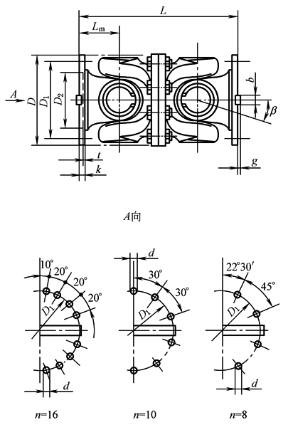
WD 型—无伸缩短式 |
标记示例: 例1 SWC 440 WF型无伸缩法兰式万向联轴器,长度L=3200mm,标记为: SWC 440 WF×3200联轴器 JB/T 5513—1991 例2 SWC 350WD型无伸缩短式万向联轴器,标记为: SWC 350 WD联轴器 JB/T 5513—1991 |
||||||||||||
|
基本参数和主要尺寸 |
|||||||||||||
|
类型 |
项 目 |
型 号 |
|||||||||||
|
SWC 180□ |
SWC 225□ |
SWC 250□ |
SWC 285□ |
SWC 315□ |
SWC 350□ |
SWC 390□ |
SWC 440□ |
SWC 490□ |
SWC 550□ |
SWC 620□ |
|||
|
BF WF WD |
回转直径D |
mm |
180 |
225 |
250 |
285 |
315 |
350 |
390 |
440 |
490 |
550 |
620 |
|
公称转矩Tn |
kN·m |
12.5 |
40 |
63 |
90 |
125 |
180 |
250 |
355 |
500 |
710 |
1000 |
|
|
疲劳转矩Tf |
6.3 |
20 |
31.5 |
45 |
63 |
90 |
125 |
180 |
250 |
355 |
500 |
||
|
轴线折角β |
(°) |
≤25 |
≤15 |
≤15 |
≤15 |
≤15 |
≤15 |
≤15 |
≤15 |
≤15 |
≤15 |
≤15 |
|
|
D1(js11) |
mm |
155 |
196 |
218 |
245 |
280 |
310 |
345 |
390 |
435 |
492 |
555 |
|
|
D2(H7) |
105 |
135 |
150 |
170 |
185 |
210 |
235 |
255 |
275 |
320 |
380 |
||
|
Lm |
110 |
120 |
140 |
160 |
180 |
194 |
215 |
260 |
270 |
305 |
340 |
||
|
n-d |
8-17 |
8-17 |
8-19 |
8-21 |
10-23 |
10-23 |
10-25 |
16-28 |
16-31 |
16-31 |
10-38 |
||
|
k |
17 |
20 |
25 |
27 |
32 |
35 |
40 |
42 |
47 |
50 |
55 |
||
|
t |
5 |
5 |
6 |
7 |
8 |
8 |
8 |
10 |
12 |
12 |
12 |
||
|
b(h9) |
— |
32 |
40 |
40 |
40 |
50 |
70 |
80 |
90 |
100 |
100 |
||
|
g |
— |
9.0 |
12.5 |
15.0 |
15.0 |
16.0 |
18.0 |
20.0 |
22.5 |
22.5 |
25.0 |
||
|
BF WF |
D3 |
114 |
152 |
168 |
194 |
219 |
267 |
267 |
325 |
325 |
426 |
426 |
|
|
转动惯量, 增长100mm |
kg·m2 |
0.007 |
0.0234 |
0.0277 |
0.051 |
0.0795 |
0.2219 |
0.2219 |
0.4744 |
0.4744 |
1.357 |
1.357 |
|
|
质量,增长 100mm |
kg |
2.8 |
4.9 |
5.3 |
6.3 |
8.0 |
15.0 |
15.0 |
21.7 |
21.7 |
34.0 |
34.0 |
|
|
BF |
伸缩量Ls |
mm |
100 |
140 |
140 |
140 |
140 |
150 |
170 |
190 |
190 |
240 |
240 |
|
Lmin |
810 |
920 |
1035 |
1190 |
1315 |
1410 |
1590 |
1875 |
1985 |
2300 |
2500 |
||
|
Lmin的 转动惯量 |
kg·m2 |
0.267 |
0.788 |
1.445 |
2.873 |
5.094 |
9.195 |
16.62 |
28.24 |
46.33 |
86.98 |
147.5 |
|
|
Lmin的质量 |
kg |
80 |
138 |
196 |
295 |
428 |
632 |
817 |
1290 |
1631 |
2567 |
3267 |
|
|
WF |
Lmin |
mm |
560 |
610 |
715 |
810 |
915 |
980 |
1100 |
1290 |
1360 |
1510 |
1690 |
|
Lmin的 转动惯量 |
kg·m2 |
0.248 |
0.636 |
1.352 |
2.664 |
4.469 |
7.388 |
13.184 |
23.25 |
40.75 |
68.48 |
127.53 |
|
|
Lmin的质量 |
kg |
58 |
93 |
143 |
220 |
300 |
412 |
588 |
880 |
1173 |
1663 |
2332 |
|
|
WD |
L |
mm |
440 |
480 |
560 |
640 |
720 |
776 |
860 |
1040 |
1080 |
1220 |
1360 |
|
转动惯量 |
kg·m2 |
0.145 |
0.355 |
0.831 |
1.715 |
2.820 |
4.791 |
8.229 |
15.32 |
25.74 |
46.78 |
83.76 |
|
|
质量 |
kg |
52 |
82 |
127 |
189 |
270 |
370 |
524 |
798 |
1055 |
1524 |
2120 |
|
|
注:1.Tf—— 在交变载荷下按疲劳强度所允许的转矩;L—— 安装长度,按需要确定。 2.□表示BF、WF、WD任意一种类型。 3.BF型的Lmin为缩短后的最小长度。 4.BF、WF型的安装长度L,按需要确定。 5.标准附录中尚有大规格的万向联轴器,可见原标准。 |
|||||||||||||



