|
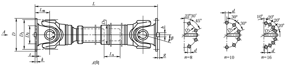
CH 型联轴器(JB/T 5513—1991) |
|||||||||||||||||||
|
CH 型—长伸缩焊接式 |
|||||||||||||||||||
|
基本参数和尺寸 |
|||||||||||||||||||
|
型 号 |
回转 直径 D |
公称 转矩 Tn |
疲劳 转矩 Tf |
轴线 折角 β |
伸缩 量Ls |
Lmin |
D1 (js11) |
D2 (H7) |
D3 |
Lm |
n×d |
k |
t |
b (h9) |
g |
转动惯量 |
质量 |
||
|
Lmin |
增长 100mm |
Lmin |
增长 100mm |
||||||||||||||||
|
mm |
kN·m |
(°) |
mm |
kg·m2 |
kg |
||||||||||||||
|
SWC 180 CH 1 |
180 |
12.5 |
6.3 |
≤25 |
200 |
925 |
155 |
105 |
114 |
110 |
8×17 |
17 |
5 |
— |
— |
0.181 |
0.0070 |
74 |
2.8 |
|
SWC 180 CH 2 |
700 |
1425 |
0.216 |
104 |
|||||||||||||||
|
SWC 225 CH 1 |
225 |
40 |
20 |
≤15 |
220 |
1020 |
196 |
135 |
152 |
120 |
8×17 |
20 |
5 |
32 |
9 |
0.561 |
0.0234 |
132 |
4.9 |
|
SWC 225 CH 2 |
700 |
1500 |
0.674 |
182 |
|||||||||||||||
|
SWC 250 CH 1 |
250 |
63 |
31.5 |
≤15 |
300 |
1215 |
218 |
150 |
168 |
140 |
8×19 |
25 |
6 |
40 |
12.5 |
1.016 |
0.0277 |
190 |
5.3 |
|
SWC 250 CH 2 |
700 |
1615 |
1.127 |
235 |
|||||||||||||||
|
SWC 285 CH 1 |
285 |
90 |
45 |
≤15 |
400 |
1475 |
245 |
170 |
194 |
160 |
8×21 |
27 |
7 |
40 |
15 |
2.156 |
0.0510 |
300 |
6.3 |
|
SWC 285 CH 2 |
800 |
1875 |
2.360 |
358 |
|||||||||||||||
|
SWC 315 CH 1 |
315 |
125 |
63 |
≤15 |
400 |
1600 |
280 |
185 |
219 |
180 |
10×23 |
32 |
8 |
40 |
15 |
3.812 |
0.0795 |
434 |
8.0 |
|
SWC 315 CH 2 |
800 |
2000 |
4.150 |
514 |
|||||||||||||||
|
SWC 350 CH 1 |
350 |
180 |
90 |
≤15 |
400 |
1715 |
310 |
210 |
267 |
194 |
10×23 |
35 |
8 |
50 |
16 |
7.663 |
0.2219 |
672 |
15.0 |
|
SWC 350 CH 2 |
800 |
2115 |
8.551 |
823 |
|||||||||||||||
|
SWC 390 CH 1 |
390 |
250 |
125 |
≤15 |
400 |
1845 |
345 |
235 |
267 |
215 |
10×25 |
40 |
8 |
70 |
18 |
12.730 |
0.2219 |
817 |
15.0 |
|
SWC 390 CH 2 |
800 |
2245 |
13.617 |
964 |
|||||||||||||||
|
SWC 440 CH 1 |
440 |
355 |
180 |
≤15 |
400 |
2110 |
390 |
255 |
325 |
260 |
16×28 |
42 |
10 |
80 |
20 |
22.540 |
0.4744 |
1312 |
21.7 |
|
SWC 440 CH 2 |
800 |
2510 |
24.430 |
1537 |
|||||||||||||||
|
SWC 490 CH 1 |
490 |
500 |
250 |
≤15 |
400 |
2220 |
435 |
275 |
325 |
270 |
16×31 |
47 |
12 |
90 |
22.5 |
33.970 |
0.4744 |
1554 |
21.7 |
|
SWC 490 CH 2 |
800 |
2620 |
35.870 |
1779 |
|||||||||||||||
|
SWC 550 CH 1 |
550 |
710 |
355 |
≤15 |
500 |
2585 |
492 |
320 |
426 |
305 |
16×31 |
50 |
12 |
100 |
22.5 |
72.790 |
1.3570 |
2585 |
34 |
|
SWC 550 CH 2 |
1000 |
3085 |
79.570 |
3045 |
|||||||||||||||
|
注:1.Tf—— 在交变载荷下按疲劳强度所允许的转矩;L—— 安装长度,按需要确定。 2.BH 型的Lmin为缩短后的最小长度。 3.Lmin—— 缩短后的最小长度。 |
|||||||||||||||||||

