|
注射模具与注射机的关系 |
|||||||||||||
|
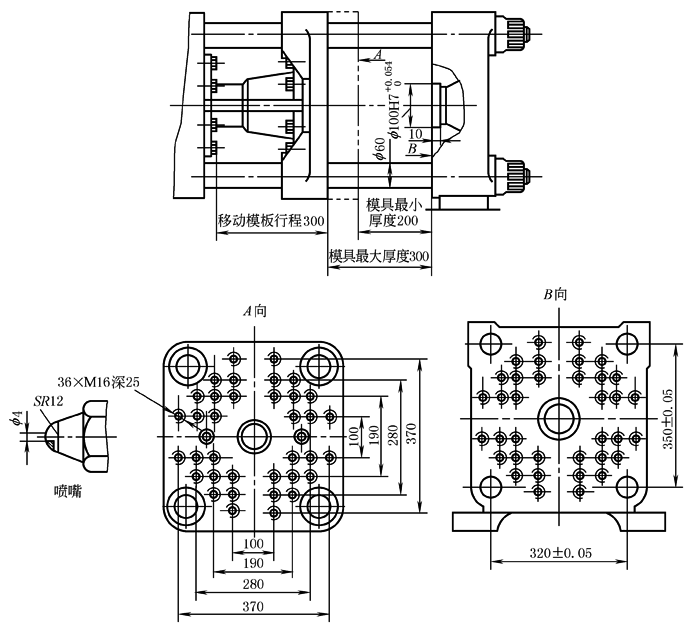
注射机合模部分的基本参数包括模板尺寸、拉杆间距、模板间最大开距、动模板的行程、模具最大厚度和最小厚度等。这些参数规定了注射机所安装模具的尺寸范围。 下图所示为国产XS-ZY-125塑料注射机合模部分的基本尺寸。 塑料注射机分为卧式塑料注射机、立式塑料注射机和直角式塑料注射机。各种塑料注射机基本技术参数见表1~表3。
图 XS-ZY-125塑料注射机合模部分的基本尺寸 表1 卧式塑料注射机主要技术参数 |
|||||||||||||
|
技术参数 |
国际通用规格(国内型号) |
||||||||||||
|
60/32 (SZ-30/32) |
90/40 (SZ-68/40①) |
250/80 (SZ-160/80) |
450/160 (SZ-250/160①) |
880/200 (XS-ZY-500C①3) |
1600/300 (SZ-1000/300) |
||||||||
|
理论注射容积/cm3 |
37、49 |
58、77 |
125、163 |
200、254、314 |
536、630、730 |
1030、1200 |
|||||||
|
实际注射量/g |
33、44 |
53、68 |
110、145 |
187、266、280 |
478、560、650 |
920、1070 |
|||||||
|
螺杆直径/mm |
26、30 |
26、30 |
35、40 |
40、45、50 |
60、65、70 |
75、80 |
|||||||
|
塑化能力/g·s-1 |
3.6、5.4 |
5.6、8.3 |
11、13 |
13.8、16.7、21 |
22.7、29.5、36.7 |
41.6 |
|||||||
|
注射速率/g·s-1 |
43、57 |
61、78 |
100、130 |
145、184、227 |
180、210、250 |
450、525 |
|||||||
|
注射压力/MPa |
170、130 |
160、123 |
205、157 |
229、180、147 |
166、140、122 |
155、136 |
|||||||
|
螺杆转速/r·min-1 |
10~160 |
40~250 |
10~220 |
10~200 |
10~150 |
10~145 |
|||||||
|
螺杆行程/mm |
70 |
110 |
130 |
160 |
190 |
240 |
|||||||
|
锁模力/kN |
320 |
400 |
800 |
1600 |
2000 |
3000 |
|||||||
|
拉杆有效间距/mm |
300×300 |
250×230 |
330×310 |
415×385 |
540×440 |
670×600 |
|||||||
|
模板行程/mm |
110 |
220 |
260 |
280 |
560 |
660 |
|||||||
|
模具最小厚度/mm |
80 |
130 |
170 |
205 |
180 |
310 |
|||||||
|
模具最大厚度/mm |
110 |
240 |
320 |
400 |
390 |
600 |
|||||||
|
最大开距/mm |
220 |
460 |
580 |
680 |
950 |
1260 |
|||||||
|
模板尺寸/mm |
400×400 |
410×390 |
550×520 |
690×650 |
790×690 |
1030×1030 |
|||||||
|
顶出行程/mm |
50 |
40 |
55 |
70 |
100 |
130 |
|||||||
|
液压顶出力/kN |
|
17 |
28 |
40 |
79 |
89 |
|||||||
|
① 除常规控制外,还有电脑控制注射机。 |
|||||||||||||
|
表2 立式塑料注射机主要技术参数 |
|||||||||||||
|
技术参数 |
型 号 |
技术参数 |
型 号 |
||||||||||
|
SYS-10 |
SYS-30 |
SYS-10 |
SYS-30 |
||||||||||
|
注射量/g |
10 |
30 |
拉杆间距/mm |
300×250 |
300×190 |
||||||||
|
注射柱塞直径/mm |
22 |
28 |
模具最大厚度/mm |
180 |
200 |
||||||||
|
注射压力/MPa |
150 |
157 |
模具最小厚度/mm |
100 |
70 |
||||||||
|
锁模力/kN |
15 |
50 |
模板行程/mm |
120 |
180 |
||||||||
|
注射面积/cm2 |
45 |
130 |
|
|
|
||||||||
|
表3 直角式塑料注射成型机主要技术参数 |
|||||||||||||
|
技术参数 |
型 号 |
技术参数 |
型 号 |
||||||||||
|
SYS-20 |
SYS-45 |
SYS-60 |
SYS-20 |
SYS-45 |
SYS-60 |
||||||||
|
注射量/g |
20 |
45 |
60 |
注射面积/cm2 |
45 |
95 |
140 |
||||||
|
注射柱塞直径/mm |
22 |
28 |
|
模具最大厚度/mm |
250 |
180 |
|
||||||
|
注射压力/MPa |
120 |
125 |
130 |
模具最小厚度/mm |
50 |
70 |
|
||||||
|
锁模力/kN |
20 |
40 |
60 |
模板行程/mm |
150 |
280 |
|
||||||

