|
注射 |
|
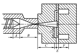
注射过程是用柱塞或者螺杆的推挤作用,使具有流动性、温度均匀、组分均匀的熔体入模的过程。塑料熔体注射入模需要克服一系列的流动阻力,包括熔体与机筒、喷嘴、浇注系统、模具的摩擦阻力以及熔体的内摩擦阻力,同时还要对熔体进行保压,因此,注射压力是很高的。注射历程虽然时间很短,但是熔体的变化并不小,对产品质量有很大影响。熔体流经流道示意图见图1
图1 熔体流经流道示意图 A—计量变流道;B—喷嘴流道;C—主流道; D—分流道;E—浇口;F—模腔 塑料在柱塞式注射机中受热、受压时,首先将粒状物料挤压成柱状固体,在受热过程中逐渐变成固体与熔融的混合体,最后成熔融体,熔化慢,阻力大,注射时压力损失较大。增大机筒直径虽能减小注射压力损失,但是塑化质量大大下降。所以柱塞式注射机注射压力损失大,注射速率较低 在螺杆式注射机中,物料在固体输送段已经形成固体塞,阻力较小,而在计量段物料已经熔化,由于料层较薄,摩擦因数较小,所以熔化快,注射压力损失小,注射速率较高 物料在柱塞式与螺杆式注射机中注射速率对比见图2
图2 柱塞式与螺杆式注射机注射速率比较 1—螺杆式注射机;2—柱塞式注射机 |


