|
起重用短环链(JB/T 8108.2—1999) |
|||||||||
|
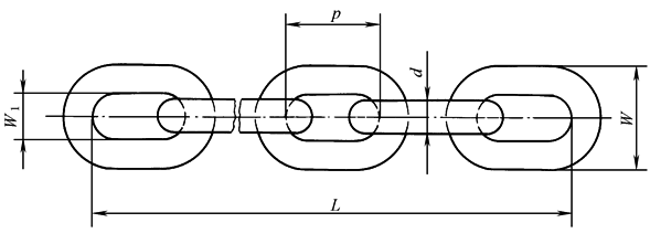
起重用短环链经过精确校准用于葫芦和类似设备的承载链 短环链应采用力学性能不低于YB/T 5211中的20Mn2钢制造。钢材的晶粒度按照YB/T 5148进行测定,应达到奥氏体晶粒度5级以上。链条制造过程中的试验力检验之前,应进行淬火和回火处理。焊接影响长度e≤0.6dn(见下表)
|
|||||||||
|
名义直径 dn |
直径公差 (d-dn) |
焊缝处最大公差 |
优选节距 (内长) p(3dn) |
单链环节距公差 (取正值) |
优选外宽 W (3.25dn) |
非焊缝处的 外宽公差 (取正值) (0.075dn) |
最小破 断 力 Fmmin/kN |
极限工 作载荷 Cp/t |
|
|
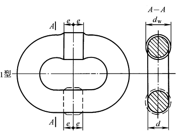
1型和3型 (dw-d) |
3型 (G-d) |
||||||||
|
T(8)级校准链尺寸/mm |
试验要求 |
||||||||
|
4 |
+0.08 -0.24 |
0.32 |
0.7 |
12 |
0.23 |
13 |
0.30 |
20.2 |
0.5 |
|
5 |
+0.10 -0.30 |
0.4 |
0.85 |
15 |
0.29 |
17 |
0.38 |
31.6 |
0.8 |
|
5.6 |
+0.11 -0.34 |
0.45 |
0.95 |
17 |
0.33 |
19 |
0.42 |
39.6 |
1.0 |
|
6.3 |
+0.13 -0.38 |
0.5 |
1.05 |
19 |
0.37 |
21 |
0.48 |
50 |
1.25 |
|
7.1 |
+0.14 -0.43 |
0.57 |
1.2 |
21 |
0.41 |
23 |
0.54 |
63.1 |
1.6 |
|
8 |
+0.16 -0.48 |
0.64 |
1.35 |
24 |
0.46 |
26 |
0.60 |
80.6 |
2.0 |
|
9 |
+0.18 -0.54 |
0.72 |
1.55 |
27 |
0.52 |
30 |
0.68 |
102 |
2.5 |
|
10 |
+0.20 -0.60 |
0.8 |
1.7 |
30 |
0.58 |
33 |
0.75 |
126 |
3.2 |
|
11.2 |
+0.22 -0.67 |
0.9 |
1.9 |
34 |
0.66 |
37 |
0.84 |
158 |
4.0 |
|
12.5 |
+0.25 -0.75 |
1.0 |
2.15 |
38 |
0.73 |
41 |
0.94 |
198 |
5.0 |
|
14 |
+0.28 -0.84 |
1.12 |
2.4 |
42 |
0.81 |
46 |
1.05 |
248 |
6.3 |
|
16 |
+0.32 -0.96 |
1.28 |
2.7 |
48 |
0.93 |
52 |
1.2 |
322 |
8.0 |
|
18 |
±0.90 |
1.44 |
3.05 |
54 |
1.04 |
59 |
1.35 |
408 |
10.0 |
|
20 |
±1.0 |
1.6 |
3.4 |
60 |
1.16 |
65 |
1.5 |
504 |
12.5 |
|
T(8)级校准链暂用附加尺寸/mm |
试验要求 |
||||||||
|
6 |
+0.12 -0.36 |
0.48 |
1.0 |
18 |
0.35 |
20 |
0.45 |
45.4 |
1.1 |
|
7 |
+0.14 -0.42 |
0.56 |
1.2 |
21 |
0.41 |
23 |
0.53 |
61.6 |
1.5 |
|
8.7 |
+0.17 -0.52 |
0.7 |
1.5 |
26 |
0.50 |
29 |
0.66 |
95.2 |
2.4 |
|
9.5 |
+0.19 -0.57 |
0.76 |
1.6 |
29 |
0.56 |
31 |
0.72 |
114 |
2.8 |
|
10.3 |
+0.21 -0.62 |
0.82 |
1.75 |
31 |
0.60 |
34 |
0.78 |
134 |
3.3 |
|
11 |
+0.22 -0.66 |
0.88 |
1.85 |
33 |
0.64 |
36 |
0.83 |
154 |
3.8 |
|
12 |
+0.24 -0.72 |
0.96 |
2.05 |
36 |
0.69 |
39 |
0.90 |
182 |
4.6 |
|
13 |
+0.26 -0.78 |
1.04 |
2.2 |
39 |
0.75 |
43 |
0.98 |
214 |
5.4 |
|
13.5 |
+0.27 -0.81 |
1.08 |
2.3 |
41 |
0.79 |
44 |
1.02 |
230 |
5.8 |
|
16.7 |
+0.33 -1.00 |
1.34 |
2.85 |
50 |
0.97 |
55 |
1.26 |
352 |
8.9 |
|
19 |
±0.95 |
1.52 |
3.25 |
57 |
1.10 |
62 |
1.43 |
454 |
11.5 |
|
注:1.表中所列的暂用附加尺寸及试验要求作为选择链条的过渡措施。 2.W1≥1.25dn,L为从链条承载面到承载面测得 N 个链环的内长总和。 |
|||||||||


