|
绳槽断面尺寸(JB/T 9005.1—1999) |
||||||||||||||
|
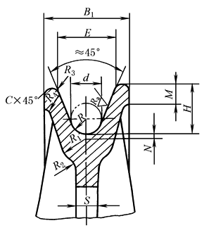
本标准的绳槽半径 R 是根据钢丝绳直径 d 的最大允许偏差为 +7% 确定的 钢丝绳绕进或绕出滑轮槽时偏斜的最大角度(即钢丝绳中心线和与滑轮轴垂直的平面之间的角度)应不大于4° 绳槽表面粗糙度分为两级: 1级:Ra6.3μm 2级:Ra12.5μm
标记示例: 滑轮绳槽半径 R=13.5 mm,表面粗糙度为2级的绳槽断面,标记为:绳槽断面 13.5-2 JB/T 9005.1—1999 mm |
||||||||||||||
|
钢丝绳 直径 d |
R |
H |
B1 |
E |
C |
参 考 尺 寸 |
||||||||
|
尺寸 |
极限偏差 |
R1 |
R2 |
R3 |
R4 |
M |
N |
S |
||||||
|
1 级 |
2 级 |
|||||||||||||
|
5~6 |
3.3 |
+0.1 0 |
+0.2 0 |
12.5 |
22 |
15 |
0.5 |
7 |
5 |
1.5 |
2.0 |
4 |
0 |
6 |
|
>6~7 |
3.8 |
15.0 |
26 |
17 |
0.5 |
8 |
6 |
2.0 |
2.5 |
5 |
0 |
7 |
||
|
>7~8 |
4.3 |
|
|
18 |
|
|
|
|
|
|
|
|
||
|
>8~9 |
5.0 |
17.5 |
32 |
21 |
1.0 |
10 |
8 |
2.0 |
2.5 |
6 |
0 |
8 |
||
|
>9~10 |
5.5 |
|
|
22 |
|
|
|
|
|
|
|
|
||
|
>10~11 |
6.0 |
+0.2 0 |
+0.3 0 |
20.0 |
36 |
25 |
1.0 |
12 |
10 |
2.5 |
3.0 |
8 |
0 |
9 |
|
>11~12 |
6.5 |
|
|
|
|
|
|
|
|
|
|
|
||
|
>12~13 |
7.0 |
22.5 |
40 |
28 |
1.0 |
13 |
11 |
2.5 |
3.0 |
8 |
0 |
10 |
||
|
>13~14 |
7.5 |
25.0 |
45 |
31 |
1.0 |
15 |
12 |
3.0 |
4.0 |
10 |
0 |
11 |
||
|
>14~15 |
8.2 |
|
|
|
|
|
|
|
|
|
|
|
||
|
>15~16 |
9.0 |
+0.4 0 |
27.5 |
50 |
35 |
1.5 |
16 |
13 |
3.0 |
4.0 |
10 |
0 |
12 |
|
|
>16~17 |
9.5 |
30.0 |
53 |
38 |
1.5 |
18 |
15 |
3.0 |
5.0 |
12 |
0 |
12 |
||
|
>17~18 |
10.0 |
|
|
|
|
|
|
|
|
|
|
|
||
|
>18~19 |
10.5 |
32.5 |
56 |
41 |
1.5 |
18 |
15 |
3.0 |
5.0 |
12 |
0 |
12 |
||
|
>19~20 |
11.0 |
35.0 |
60 |
44 |
1.5 |
20 |
16 |
3.0 |
5.0 |
14 |
0 |
14 |
||
|
>20~21 |
11.5 |
|
|
|
|
|
|
|
|
|
|
|||
|
>21~22 |
12.0 |
63 |
45 |
1.5 |
20 |
16 |
3.0 |
5.0 |
14 |
2.0 |
14 |
|||
|
>22~23 |
12.5 |
|
46 |
|
|
|
|
|
|
|
|
|||
|
>23~24 |
13.0 |
37.5 |
67 |
48 |
1.5 |
20 |
16 |
4.0 |
6.0 |
16 |
2.5 |
16 |
||
|
>24~25 |
13.5 |
40.0 |
71 |
51 |
1.5 |
22 |
18 |
4.0 |
6.0 |
16 |
3.0 |
16 |
||
|
>25~26 |
14.0 |
|
52 |
|
|
|
|
|
|
|
|
|||
|
>26~28 |
15.0 |
75 |
53 |
1.5 |
25 |
20 |
4.0 |
6.0 |
16 |
3.0 |
18 |
|||
|
>28~30 |
16.0 |
+0.4 0 |
+0.8 0 |
45.0 |
85 |
59 |
2.0 |
25 |
20 |
5.0 |
6.0 |
18 |
4.0 |
18 |
|
>30~32 |
17.0 |
|
|
61 |
|
|
|
|
|
|
|
|
||
|
>32~34 |
18.0 |
50.0 |
90 |
66 |
2.0 |
28 |
22 |
5.0 |
6.0 |
18 |
4.0 |
20 |
||
|
>34~36 |
19.0 |
55.0 |
100 |
72 |
2.5 |
32 |
25 |
5.0 |
8.0 |
20 |
4.0 |
20 |
||
|
>36~38 |
20.0 |
|
|
73 |
|
|
|
|
|
|
|
|
||
|
>38~40 |
21.0 |
60.0 |
105 |
78 |
2.5 |
36 |
28 |
5.0 |
8.0 |
22 |
5.0 |
22 |
||
|
>40~41 |
22.0 |
|
|
79 |
|
|
|
|
|
|
|
|
||
|
>41~43 |
23.0 |
65.0 |
115 |
84 |
2.5 |
36 |
28 |
6.0 |
8.0 |
25 |
5.0 |
24 |
||
|
>43~45 |
24.0 |
|
|
86 |
|
|
|
|
|
|
|
|
||
|
>45~46 |
25.0 |
67.5 |
120 |
90 |
2.5 |
40 |
32 |
6.0 |
8.0 |
25 |
5.0 |
24 |
||
|
>46~47 |
70.0 |
125 |
92 |
3.0 |
40 |
32 |
6.0 |
8.0 |
28 |
6.0 |
26 |
|||
|
>47~48.5 |
26.0 |
|
|
94 |
|
|
|
|
|
|
|
|
||
|
>48.5~50 |
27.0 |
72.5 |
130 |
96 |
3.0 |
45 |
36 |
6.0 |
10.0 |
28 |
6.0 |
26 |
||
|
>50~52 |
28.0 |
75.0 |
99 |
|||||||||||
|
>52~54.5 |
29.0 |
77.5 |
140 |
103 |
4.0 |
45 |
36 |
6.0 |
10.0 |
32 |
6.0 |
28 |
||
|
>54.5~56 |
30.0 |
80.0 |
106 |
|||||||||||
|
>56~58 |
31.0 |
82.5 |
150 |
110 |
4.0 |
50 |
40 |
8.0 |
10.0 |
32 |
8.0 |
30 |
||
|
>58~60.5 |
32.0 |
85.0 |
114 |
|||||||||||
|
注:1.对于冶金起重机推荐用 1 级精度。 2.绳槽断面允许按JB/T 9005.2 匹配,将同一直径的滑轮按最大绳径作成一种。 3.参考尺寸是按铸铁滑轮提出的。 |
||||||||||||||

