|
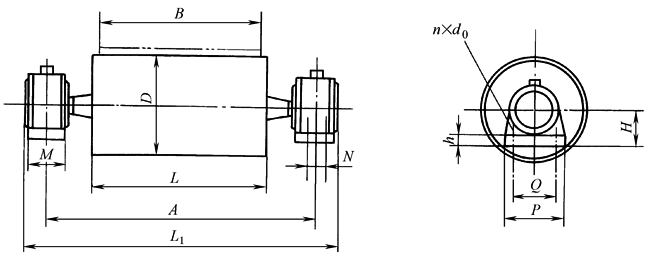
改向滚筒的基本参数与尺寸 |
|||||||||||||||||||
|
|
|||||||||||||||||||
|
B /mm |
D /mm |
许用 合力 /kN |
轴承 型号 |
基本尺寸/mm |
光 面 |
胶 面 |
图 号 |
||||||||||||
|
A |
L |
L1 |
Q |
P |
H |
h |
M |
N |
d0 |
n |
转动惯量 /kg·m2 |
质量 /kg |
转动惯量 /kg·m2 |
质量 /kg |
|||||
|
500 |
250 |
9 |
22210 |
850 |
600 |
945 |
260 |
320 |
90 |
33 |
70 |
— |
M16 |
2 |
0.5 |
102 |
|
|
50B102(G) |
|
315 |
10 |
1.3 |
116 |
|
|
50B103(G) |
|||||||||||||
|
400 |
3 |
135 |
3.5 |
147 |
50B104(G) |
||||||||||||||
|
23 |
22212 |
953 |
280 |
340 |
100 |
166 |
177 |
50B204(G) |
|||||||||||
|
500 |
28 |
5 |
187 |
6 |
201 |
50B105(G) |
|||||||||||||
|
49 |
22216 |
959 |
350 |
410 |
120 |
M20 |
245 |
260 |
50B205(G) |
||||||||||
|
650 |
250 |
8 |
22210 |
1000 |
750 |
1095 |
260 |
320 |
90 |
M16 |
0.8 |
117 |
|
|
65B102(G) |
||||
|
315 |
1.5 |
133 |
|
|
65B103(G) |
||||||||||||||
|
16 |
22212 |
1103 |
280 |
340 |
100 |
1.8 |
166 |
|
|
65B203(G) |
|||||||||
|
26 |
22216 |
1109 |
350 |
410 |
120 |
M20 |
2 |
227 |
|
|
65B303(G) |
||||||||
|
400 |
20 |
22212 |
1103 |
280 |
340 |
100 |
M16 |
3 |
189 |
3.5 |
203 |
65B104(G) |
|||||||
|
32 |
22216 |
1109 |
350 |
410 |
120 |
M20 |
3.3 |
251 |
3.8 |
265 |
65B204(G) |
||||||||
|
46 |
22220 |
1129 |
380 |
460 |
135 |
46 |
80 |
M24 |
3.5 |
332 |
4 |
346 |
65B304(G) |
||||||
|
500 |
40 |
22216 |
1109 |
350 |
410 |
120 |
33 |
70 |
M20 |
6.5 |
278 |
7.8 |
296 |
65B105(G) |
|||||
|
59 |
22220 |
1129 |
380 |
460 |
135 |
46 |
80 |
M24 |
368 |
386 |
65B205(G) |
||||||||
|
630 |
16.3 |
422 |
18.5 |
440 |
65B106(G) |
||||||||||||||
|
70 |
22224 |
1050 |
1189 |
440 |
530 |
155 |
110 |
20.3 |
613 |
21.3 |
640 |
65B206(G) |
|||||||
|
800 |
250 |
6 |
22210 |
1250 |
950 |
1345 |
260 |
320 |
90 |
33 |
70 |
M16 |
0.8 |
136 |
|
|
80B102(G) |
||
|
315 |
12 |
22212 |
1353 |
280 |
340 |
100 |
1.5 |
200 |
|
|
80B103(G) |
||||||||
|
20 |
22216 |
1359 |
350 |
410 |
120 |
M20 |
1.8 |
260 |
|
|
80B203(G) |
||||||||
|
400 |
4.5 |
288 |
4.8 |
306 |
80B104(G) |
||||||||||||||
|
29 |
22220 |
1300 |
1429 |
380 |
460 |
135 |
46 |
80 |
M24 |
4.8 |
360 |
5 |
487 |
80B204(G) |
|||||
|
45 |
22224 |
1439 |
440 |
530 |
155 |
110 |
5.5 |
509 |
6.3 |
527 |
80B304(G) |
||||||||
|
500 |
40 |
22220 |
1429 |
380 |
460 |
135 |
80 |
7.8 |
412 |
9.8 |
434 |
80B105(G) |
|||||||
|
56 |
22224 |
1439 |
440 |
530 |
155 |
110 |
560 |
9.3 |
582 |
80B205(G) |
|||||||||
|
630 |
50 |
22220 |
1429 |
380 |
460 |
135 |
80 |
19.5 |
472 |
23.5 |
560 |
80B106(G) |
|||||||
|
73 |
22224 |
1439 |
440 |
530 |
155 |
110 |
24.3 |
690 |
49.5 |
719 |
80B206(G) |
||||||||
|
100 |
22228 |
1449 |
480 |
570 |
170 |
63 |
120 |
M30 |
27.8 |
855 |
30.8 |
883 |
80B306(G) |
||||||
|
170 |
22232 |
1400 |
1600 |
520 |
640 |
200 |
60 |
200 |
105 |
4 |
30 |
1080 |
33 |
1108 |
80B406(G) |
||||
|
800 |
90 |
22224 |
1300 |
1439 |
440 |
530 |
155 |
46 |
110 |
— |
M24 |
2 |
49.8 |
780 |
57.3 |
823 |
80B107(G) |
||
|
126 |
22228 |
1449 |
480 |
570 |
170 |
63 |
120 |
M30 |
54.8 |
942 |
61.8 |
976 |
80B207(G) |
||||||
|
170 |
22232 |
1400 |
1600 |
520 |
640 |
200 |
65 |
200 |
105 |
4 |
60.5 |
1200 |
67.5 |
1243 |
80B307(G) |
||||
|
250 |
22236 |
1620 |
570 |
700 |
220 |
70 |
220 |
120 |
61.8 |
1469 |
68.8 |
1533 |
80B407(G) |
||||||
|
1000 |
240 |
22232 |
1600 |
520 |
640 |
200 |
65 |
200 |
105 |
125.3 |
1413 |
140 |
1487 |
80B108(G) |
|||||
|
330 |
22236 |
1620 |
570 |
700 |
220 |
70 |
220 |
120 |
126.5 |
1675 |
140.3 |
1755 |
80B208(G) |
||||||
|
400 |
23240 |
1655 |
640 |
780 |
240 |
75 |
255 |
140 |
285.8 |
2397 |
290.4 |
2463 |
80B308(G) |
||||||
|
1250 |
23244 |
1702 |
720 |
880 |
270 |
80 |
270 |
140 |
M36 |
365.4 |
3104 |
370.8 |
3174 |
80B109(G) |
|||||
|
1000 |
250 |
6 |
22210 |
1450 |
1150 |
1545 |
260 |
320 |
90 |
33 |
70 |
— |
M16 |
2 |
1 |
156 |
|
|
100B102(G) |
|
315 |
11 |
22212 |
1553 |
280 |
340 |
100 |
1.8 |
221 |
|
|
100B103(G) |
||||||||
|
18 |
22216 |
1559 |
350 |
410 |
120 |
M20 |
2 |
296 |
|
|
100B203(G) |
||||||||
|
400 |
5 |
328 |
6 |
350 |
100B104(G) |
||||||||||||||
|
29 |
22220 |
1500 |
1629 |
380 |
460 |
135 |
46 |
80 |
M24 |
427 |
445 |
100B204(G) |
|||||||
|
45 |
22224 |
1639 |
440 |
530 |
155 |
110 |
7.3 |
567 |
8.3 |
589 |
100B304(G) |
||||||||
|
500 |
35 |
22220 |
1629 |
380 |
460 |
135 |
80 |
8.5 |
472 |
9.8 |
500 |
100B105(G) |
|||||||
|
45 |
22224 |
1639 |
440 |
530 |
155 |
110 |
9.5 |
624 |
11.3 |
652 |
100B205(G) |
||||||||
|
75 |
22228 |
1649 |
480 |
570 |
170 |
63 |
120 |
M30 |
11.5 |
804 |
13.3 |
831 |
100B305(G) |
||||||
|
630 |
43 |
22220 |
1629 |
380 |
460 |
135 |
46 |
80 |
M24 |
23 |
546 |
26.5 |
567 |
100B106(G) |
|||||
|
64 |
22224 |
1639 |
440 |
530 |
155 |
110 |
29.8 |
753 |
33.3 |
797 |
100B206(G) |
||||||||
|
87 |
22228 |
1649 |
480 |
570 |
170 |
63 |
120 |
M30 |
32.5 |
940 |
36 |
975 |
100B306(G) |
||||||
|
168 |
22232 |
1600 |
1800 |
520 |
640 |
200 |
65 |
200 |
105 |
4 |
34 |
1180 |
38.5 |
1214 |
100B406(G) |
||||
|
800 |
79 |
22224 |
1500 |
1639 |
440 |
530 |
155 |
46 |
110 |
— |
M24 |
2 |
58.3 |
864 |
67 |
916 |
100B107(G) |
||
|
110 |
22228 |
1649 |
480 |
570 |
170 |
63 |
120 |
M30 |
64.3 |
1042 |
73 |
1094 |
100B207(G) |
||||||
|
168 |
22232 |
1600 |
1800 |
520 |
640 |
200 |
65 |
200 |
105 |
4 |
73.3 |
1313 |
81.8 |
1365 |
100B307(G) |
||||
|
220 |
22236 |
1820 |
570 |
700 |
220 |
70 |
220 |
120 |
74.8 |
1606 |
83.3 |
1659 |
100B407(G) |
||||||
|
1000 |
130 |
22228 |
1500 |
1649 |
480 |
570 |
170 |
63 |
120 |
— |
131.5 |
1214 |
150.8 |
1280 |
100B108(G) |
||||
|
200 |
22232 |
1600 |
1800 |
520 |
640 |
200 |
65 |
200 |
105 |
151.5 |
1542 |
168.3 |
1607 |
100B208(G) |
|||||
|
290 |
22236 |
1822 |
570 |
700 |
220 |
70 |
220 |
120 |
153.3 |
1830 |
170 |
1885 |
100B308(G) |
||||||
|
387 |
23240 |
1650 |
1930 |
640 |
780 |
240 |
75 |
255 |
140 |
198.5 |
2440 |
215.3 |
2510 |
100B408(G) |
|||||
|
429 |
23244 |
1952 |
720 |
880 |
270 |
80 |
270 |
M36 |
215.8 |
2818 |
232.5 |
2884 |
100B508(G) |
||||||
|
1250 |
400 |
410.5 |
3340 |
419.8 |
3425 |
100B109(G) |
|||||||||||||
|
1400 |
600 |
23248 |
1976 |
750 |
900 |
290 |
90 |
300 |
150 |
556.3 |
3972 |
232.5 |
5684 |
100B110(G) |
|||||
|
1200 |
250 |
6 |
22210 |
1700 |
1400 |
1795 |
260 |
320 |
90 |
33 |
70 |
— |
M16 |
2 |
1.3 |
181 |
|
|
120B102(G) |
|
315 |
11 |
22212 |
1803 |
280 |
340 |
100 |
1.8 |
255 |
|
|
120B103(G) |
||||||||
|
17 |
22216 |
1809 |
350 |
410 |
120 |
M20 |
2 |
341 |
|
|
120B203(G) |
||||||||
|
400 |
6 |
378 |
7 |
405 |
120B104(G) |
||||||||||||||
|
26 |
22220 |
1750 |
1879 |
380 |
460 |
135 |
46 |
80 |
M24 |
|
|
556 |
120B204(G) |
||||||
|
38 |
22224 |
1889 |
440 |
530 |
155 |
110 |
|
|
10 |
659 |
120B304(G) |
||||||||
|
500 |
30 |
22220 |
1879 |
380 |
460 |
135 |
80 |
|
|
16.3 |
572 |
120B105(G) |
|||||||
|
41 |
22224 |
1889 |
440 |
530 |
155 |
110 |
|
|
13.8 |
731 |
120B205(G) |
||||||||
|
70 |
22228 |
1899 |
480 |
570 |
170 |
63 |
120 |
M30 |
|
|
21 |
925 |
120B305(G) |
||||||
|
630 |
37 |
22220 |
1879 |
380 |
460 |
135 |
46 |
80 |
M24 |
|
|
32.3 |
659 |
120B106(G) |
|||||
|
53 |
22224 |
1889 |
440 |
530 |
155 |
46 |
110 |
M24 |
2 |
|
|
38 |
893 |
120B206(G) |
|||||
|
90 |
22228 |
1899 |
480 |
570 |
170 |
63 |
120 |
M30 |
|
|
42.5 |
1090 |
120B306(G) |
||||||
|
150 |
22232 |
1850 |
2050 |
520 |
640 |
200 |
65 |
200 |
105 |
4 |
|
|
46.8 |
1334 |
120B406(G) |
||||
|
800 |
64 |
22224 |
1750 |
1889 |
440 |
530 |
155 |
46 |
110 |
— |
M24 |
2 |
|
|
79.5 |
1032 |
120B107(G) |
||
|
100 |
22228 |
1899 |
480 |
570 |
170 |
63 |
120 |
M30 |
|
|
87 |
1229 |
120B207(G) |
||||||
|
150 |
22232 |
1850 |
2050 |
520 |
640 |
200 |
65 |
200 |
105 |
4 |
|
|
99.5 |
1507 |
120B307(G) |
||||
|
200 |
22236 |
2070 |
570 |
700 |
220 |
70 |
220 |
120 |
|
|
101.3 |
1824 |
120B407(G) |
||||||
|
230 |
22240 |
1900 |
2180 |
640 |
780 |
240 |
75 |
255 |
140 |
|
|
118.3 |
2309 |
120B507(G) |
|||||
|
1000 |
134 |
22228 |
1750 |
1899 |
480 |
570 |
170 |
63 |
120 |
— |
2 |
|
|
175.8 |
1438 |
120B108(G) |
|||
|
150 |
22232 |
1850 |
2050 |
520 |
640 |
200 |
65 |
200 |
105 |
4 |
|
|
204.8 |
1770 |
120B208(G) |
||||
|
200 |
22236 |
2070 |
570 |
700 |
220 |
70 |
220 |
120 |
|
|
207 |
2086 |
120B308(G) |
||||||
|
351 |
23240 |
1900 |
2180 |
640 |
780 |
240 |
75 |
255 |
140 |
|
|
262 |
2711 |
120B408(G) |
|||||
|
391 |
23244 |
2202 |
720 |
880 |
270 |
80 |
270 |
M36 |
|
|
283 |
3068 |
120B508(G) |
||||||
|
437 |
23248 |
2226 |
750 |
900 |
290 |
90 |
300 |
150 |
|
|
291 |
3622 |
120B608(G) |
||||||
|
1250 |
400 |
|
|
528 |
4173 |
120B109(G) |
|||||||||||||
|
550 |
24152 |
2230 |
320 |
170 |
|
|
564 |
4324 |
120B209(G) |
||||||||||
|
1400 |
900 |
24060 |
940 |
1150 |
330 |
100 |
|
|
906 |
5983 |
120B110(G) |
||||||||
|
1400 |
315 |
17 |
22216 |
1600 |
2009 |
350 |
410 |
120 |
33 |
70 |
— |
M20 |
2 |
2.3 |
356 |
|
|
140B103(G) |
|
|
400 |
6.5 |
398 |
8 |
429 |
140B104(G) |
||||||||||||||
|
25 |
22220 |
1950 |
2079 |
380 |
460 |
135 |
46 |
80 |
M24 |
|
|
560 |
140B204(G) |
||||||
|
40 |
22224 |
2089 |
440 |
530 |
155 |
110 |
|
|
11.5 |
729 |
140B304(G) |
||||||||
|
500 |
25 |
22220 |
2079 |
380 |
460 |
135 |
80 |
|
|
18.5 |
629 |
140B105(G) |
|||||||
|
40 |
22224 |
2089 |
440 |
530 |
155 |
110 |
|
|
15.8 |
809 |
140B205(G) |
||||||||
|
66 |
22228 |
2050 |
2199 |
480 |
570 |
170 |
63 |
120 |
M30 |
|
|
24 |
1009 |
140B305(G) |
|||||
|
630 |
50 |
22224 |
1950 |
2089 |
440 |
530 |
155 |
46 |
110 |
M24 |
|
|
42.8 |
971 |
140B106(G) |
||||
|
90 |
22228 |
2050 |
2199 |
480 |
570 |
170 |
63 |
120 |
M30 |
|
|
48 |
1197 |
140B206(G) |
|||||
|
120 |
22232 |
2250 |
520 |
640 |
200 |
65 |
200 |
105 |
4 |
|
|
53.5 |
1439 |
140B306(G) |
|||||
|
800 |
50 |
22224 |
1950 |
2089 |
440 |
530 |
155 |
46 |
110 |
— |
M24 |
2 |
|
|
89.3 |
1124 |
140B107(G) |
||
|
94 |
22228 |
2050 |
2199 |
480 |
570 |
170 |
63 |
120 |
M30 |
|
|
98.3 |
1350 |
140B207(G) |
|||||
|
150 |
22232 |
2250 |
520 |
640 |
200 |
65 |
200 |
105 |
4 |
|
|
113.8 |
1628 |
140B307(G) |
|||||
|
186 |
22236 |
2270 |
570 |
700 |
220 |
70 |
220 |
120 |
|
|
115.8 |
1970 |
140B407(G) |
||||||
|
214 |
23240 |
2100 |
2380 |
640 |
780 |
240 |
75 |
240 |
140 |
|
|
135.3 |
2253 |
140B507(G) |
|||||
|
1000 |
100 |
22228 |
2050 |
2199 |
480 |
570 |
170 |
63 |
120 |
— |
2 |
|
|
198 |
1580 |
140B108(G) |
|||
|
150 |
22232 |
2250 |
520 |
640 |
200 |
65 |
200 |
105 |
4 |
|
|
234 |
1910 |
140B208(G) |
|||||
|
236 |
22236 |
2270 |
570 |
700 |
220 |
70 |
220 |
120 |
|
|
236.5 |
2253 |
140B308(G) |
||||||
|
331 |
23240 |
2100 |
2380 |
640 |
780 |
240 |
75 |
255 |
140 |
|
|
299.5 |
2820 |
140B408(G) |
|||||
|
361 |
23244 |
2402 |
720 |
880 |
270 |
80 |
270 |
M36 |
|
|
300 |
3831 |
140B508(G) |
||||||
|
400 |
23248 |
2426 |
750 |
900 |
290 |
90 |
300 |
150 |
|
|
323.8 |
3748 |
140B608(G) |
||||||
|
427 |
24152 |
2444 |
320 |
170 |
|
|
375.5 |
4118 |
140B708(G) |
||||||||||
|
1250 |
600 |
24156 |
840 |
1000 |
310 |
100 |
|
|
592 |
4519 |
140B109(G) |
||||||||
|
900 |
24060 |
940 |
1150 |
330 |
|
|
713 |
5828 |
140B209(G) |
||||||||||
|
1400 |
|
|
990 |
6329 |
140B110(G) |
||||||||||||||
|
注:1.表中轴承型号均省略了尾标。其省略的尾标为:尾数小于或等于32的为C/W33,尾数大于或等于36的为CA/W33。如轴承2232全称为22232C/W33,轴承22236全称为22236CA/W33。 2.图号后加G为光面滚筒,无G为胶面滚筒。 |
|||||||||||||||||||

