|
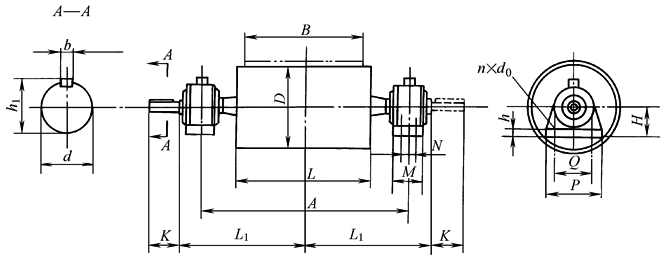
传动滚筒的基本参数与尺寸 |
||||||||||||||||||||||
|
|
||||||||||||||||||||||
|
B /mm |
D /mm |
许用 转矩 /kN·m |
许用 合力 /kN |
轴承 型号 |
基本尺寸/mm |
转动 惯量 /kg·m2 |
质量 /kg |
图 号 |
||||||||||||||
|
A |
L |
L1 |
d |
K |
M |
N |
Q |
P |
H |
h |
h1 |
b |
d0 |
n |
||||||||
|
500 |
500 |
2.7 |
49 |
22216 |
850 |
600 |
495 |
70 |
140 |
70 |
— |
350 |
410 |
120 |
33 |
74.5 |
20 |
M20 |
2 |
6 |
259 |
50A105Y(Z) |
|
650 |
3.5 |
40 |
1000 |
750 |
570 |
7.8 |
298 |
65A105Y(Z) |
||||||||||||||
|
6.3 |
59 |
22220 |
590 |
90 |
170 |
80 |
380 |
460 |
135 |
46 |
95 |
25 |
M24 |
393 |
65A205Y(Z) |
|||||||
|
630 |
4.1 |
40 |
22216 |
570 |
70 |
140 |
70 |
350 |
410 |
120 |
33 |
74.5 |
20 |
M20 |
18.5 |
342 |
65A106Y(Z) |
|||||
|
7.3 |
80 |
22220 |
590 |
90 |
170 |
80 |
380 |
460 |
135 |
46 |
95 |
25 |
M24 |
451 |
65A206Y(Z) |
|||||||
|
800 |
500 |
4.1 |
40 |
1300 |
950 |
740 |
9.8 |
454 |
80A105Y(Z) |
|||||||||||||
|
630 |
6.0 |
50 |
23.5 |
521 |
80A106Y(Z) |
|||||||||||||||||
|
12.0 |
80 |
22224 |
110 |
210 |
110 |
440 |
530 |
155 |
116 |
28 |
29.5 |
749 |
80A206Y(Z) |
|||||||||
|
20 |
100 |
22228 |
750 |
130 |
250 |
120 |
480 |
570 |
170 |
63 |
137 |
32 |
M30 |
32 |
932 |
80A306Y(Z) |
||||||
|
800 |
7 |
50 |
22220 |
740 |
90 |
170 |
80 |
380 |
460 |
135 |
46 |
95 |
25 |
M24 |
25 |
618 |
80A107Y(Z) |
|||||
|
12 |
80 |
22224 |
110 |
210 |
110 |
440 |
530 |
155 |
116 |
28 |
58 |
868 |
80A207Y(Z) |
|||||||||
|
20 |
110 |
22228 |
750 |
130 |
250 |
120 |
480 |
570 |
170 |
63 |
137 |
32 |
M30 |
66.3 |
1055 |
80A307Y(Z) |
||||||
|
32 |
160 |
22232 |
1400 |
800 |
150 |
200 |
105 |
520 |
640 |
200 |
60 |
158 |
36 |
4 |
67.5 |
1255 |
80A407Y(Z) |
|||||
|
1000 |
40 |
240 |
22236 |
870 |
170 |
300 |
220 |
120 |
570 |
700 |
220 |
70 |
179 |
40 |
132.7 |
1770 |
80A108Y(Z) |
|||||
|
1250 |
52 |
360 |
23240 |
1500 |
190 |
350 |
225 |
140 |
640 |
780 |
240 |
75 |
200 |
45 |
313 |
2884 |
80A109Y(Z) |
|||||
|
1000 |
630 |
6 |
40 |
22220 |
1150 |
840 |
90 |
170 |
80 |
— |
380 |
460 |
135 |
46 |
95 |
25 |
M24 |
2 |
26.5 |
585 |
100A106Y(Z) |
|
|
12 |
73 |
22224 |
110 |
210 |
110 |
440 |
530 |
155 |
116 |
28 |
38.3 |
823 |
100A206Y(Z) |
|||||||||
|
800 |
12 |
73 |
78.8 |
962 |
100A107Y(Z) |
|||||||||||||||||
|
20 |
110 |
22228 |
850 |
130 |
250 |
120 |
480 |
570 |
170 |
63 |
137 |
32 |
M30 |
80.3 |
1165 |
100A207Y(Z) |
||||||
|
27 |
160 |
22232 |
1600 |
900 |
150 |
200 |
105 |
520 |
640 |
200 |
60 |
158 |
36 |
4 |
81.8 |
1375 |
100A307Y(Z) |
|||||
|
40 |
190 |
22236 |
910 |
170 |
300 |
220 |
120 |
570 |
700 |
220 |
70 |
179 |
40 |
83.3 |
1693 |
100A407Y(Z) |
||||||
|
1000 |
12 |
80 |
22224 |
1500 |
840 |
110 |
210 |
110 |
— |
440 |
530 |
155 |
46 |
116 |
28 |
M24 |
2 |
164.8 |
1176 |
100A108Y(Z) |
||
|
20 |
110 |
22228 |
850 |
130 |
250 |
120 |
480 |
570 |
170 |
63 |
137 |
32 |
M30 |
166.8 |
1341 |
100A208Y(Z) |
||||||
|
27 |
170 |
22232 |
1600 |
900 |
150 |
200 |
105 |
520 |
640 |
200 |
65 |
158 |
36 |
4 |
168.3 |
1607 |
100A308Y(Z) |
|||||
|
1000 |
1000 |
40 |
210 |
22236 |
1600 |
1150 |
910 |
170 |
300 |
220 |
120 |
570 |
700 |
220 |
70 |
179 |
40 |
M30 |
4 |
170 |
1922 |
100A408Y(Z) |
|
52 |
330 |
23240 |
1650 |
875 |
190 |
350 |
255 |
140 |
640 |
780 |
240 |
75 |
200 |
45 |
215.3 |
2683 |
100A508Y(Z) |
|||||
|
1250 |
450 |
23244 |
1000 |
200 |
270 |
720 |
880 |
270 |
80 |
210 |
M36 |
410.7 |
3500 |
100A109Y(Z) |
||||||||
|
1400 |
66 |
560 |
23248 |
220 |
300 |
150 |
750 |
900 |
290 |
90 |
231 |
50 |
736 |
4233 |
100A110Y(Z) |
|||||||
|
1200 |
630 |
12 |
52 |
22224 |
1750 |
1400 |
975 |
110 |
210 |
110 |
— |
440 |
530 |
155 |
46 |
116 |
28 |
M24 |
2 |
46.5 |
924 |
120A106Y(Z) |
|
20 |
85 |
22228 |
130 |
250 |
120 |
480 |
570 |
170 |
63 |
137 |
32 |
M30 |
47.3 |
1141 |
120A206Y(Z) |
|||||||
|
800 |
12 |
80 |
22224 |
110 |
210 |
110 |
440 |
530 |
155 |
46 |
116 |
28 |
M24 |
96 |
1026 |
120A107Y(Z) |
||||||
|
20 |
110 |
22228 |
130 |
250 |
120 |
480 |
570 |
170 |
63 |
137 |
32 |
M30 |
97.8 |
1247 |
120A207Y(Z) |
|||||||
|
27 |
140 |
22232 |
1850 |
1025 |
150 |
200 |
105 |
520 |
640 |
200 |
65 |
158 |
36 |
4 |
99.5 |
1467 |
120A307Y(Z) |
|||||
|
40 |
180 |
22236 |
1035 |
170 |
300 |
220 |
120 |
570 |
700 |
220 |
70 |
179 |
40 |
101.3 |
1868 |
120A407Y(Z) |
||||||
|
52 |
230 |
23240 |
1900 |
1100 |
190 |
350 |
240 |
140 |
640 |
780 |
240 |
75 |
200 |
45 |
118.3 |
2517 |
120A507Y(Z) |
|||||
|
1000 |
12 |
80 |
22224 |
1750 |
975 |
110 |
210 |
110 |
— |
440 |
530 |
155 |
46 |
116 |
28 |
M24 |
2 |
200 |
1259 |
120A108Y(Z) |
||
|
20 |
110 |
22228 |
130 |
250 |
120 |
480 |
570 |
170 |
63 |
137 |
32 |
M30 |
202.5 |
1430 |
120A208Y(Z) |
|||||||
|
27 |
160 |
22232 |
1850 |
1025 |
150 |
200 |
105 |
520 |
640 |
200 |
65 |
158 |
36 |
4 |
204.8 |
1710 |
120A308Y(Z) |
|||||
|
40 |
210 |
22236 |
1035 |
170 |
300 |
220 |
120 |
570 |
700 |
220 |
70 |
179 |
40 |
207 |
2055 |
120A408Y(Z) |
||||||
|
52 |
290 |
23240 |
1900 |
1100 |
190 |
350 |
255 |
140 |
640 |
780 |
240 |
75 |
200 |
45 |
262 |
2911 |
120A508Y(Z) |
|||||
|
66 |
330 |
23244 |
200 |
270 |
720 |
880 |
270 |
80 |
210 |
M36 |
283 |
3311 |
120A608Y(Z) |
|||||||||
|
1250 |
40 |
420 |
23248 |
1150 |
220 |
300 |
150 |
750 |
900 |
290 |
90 |
231 |
50 |
444 |
4265 |
120A109Y(Z) |
||||||
|
66 |
560 |
24152 |
240 |
320 |
170 |
252 |
56 |
560 |
4569 |
120A209Y(Z) |
||||||||||||
|
1400 |
80 |
650 |
24156 |
260 |
840 |
1000 |
310 |
100 |
272 |
855 |
5390 |
120A110Y(Z) |
||||||||||
|
1400 |
800 |
20 |
100 |
22228 |
2050 |
1600 |
1125 |
130 |
250 |
120 |
— |
480 |
570 |
170 |
63 |
137 |
32 |
M30 |
2 |
111.8 |
1359 |
140A107Y(Z) |
|
27 |
130 |
22232 |
150 |
200 |
105 |
520 |
640 |
200 |
65 |
158 |
36 |
4 |
113.8 |
1614 |
140A207Y(Z) |
|||||||
|
40 |
170 |
22236 |
1135 |
170 |
300 |
220 |
120 |
570 |
700 |
220 |
70 |
179 |
40 |
115.8 |
1942 |
140A307Y(Z) |
||||||
|
52 |
210 |
23240 |
2100 |
1200 |
190 |
350 |
255 |
140 |
640 |
780 |
240 |
75 |
200 |
45 |
135.3 |
2673 |
140A407Y(Z) |
|||||
|
1000 |
20 |
100 |
22228 |
2050 |
1125 |
130 |
250 |
120 |
— |
480 |
570 |
170 |
63 |
137 |
32 |
2 |
202.5 |
1560 |
140A108Y(Z) |
|||
|
27 |
160 |
22232 |
150 |
200 |
105 |
520 |
640 |
200 |
60 |
158 |
36 |
4 |
204.8 |
1832 |
140A208Y(Z) |
|||||||
|
40 |
210 |
22236 |
1135 |
170 |
300 |
220 |
120 |
570 |
700 |
220 |
70 |
179 |
40 |
236.5 |
2199 |
140A308Y(Z) |
||||||
|
52 |
260 |
23240 |
2100 |
1200 |
190 |
350 |
255 |
140 |
640 |
780 |
240 |
75 |
200 |
45 |
299.5 |
3098 |
140A408Y(Z) |
|||||
|
66 |
300 |
23244 |
200 |
270 |
720 |
880 |
270 |
80 |
210 |
M36 |
300 |
3516 |
140A508Y(Z) |
|||||||||
|
1250 |
40 |
23248 |
1250 |
220 |
300 |
150 |
750 |
900 |
290 |
90 |
231 |
50 |
541 |
4515 |
140A109Y(Z) |
|||||||
|
66 |
560 |
24152 |
240 |
320 |
170 |
252 |
56 |
592 |
4793 |
140A209Y(Z) |
||||||||||||
|
1400 |
80 |
900 |
24060 |
280 |
940 |
1150 |
330 |
100 |
272 |
63 |
940 |
6546 |
140A110Y(Z) |
|||||||||
|
注:1.表中轴承型号均省略了尾标。其省略的尾标为:尾数小于或等于32的为C/W33,尾数大于或等于36的为CA/W33。如轴承22232全称为22232C/W33,轴承22236全称为22236CA/W33。 2.双出轴滚筒之质量约为表中单出轴滚筒质量的1.05倍。 3.图号后加-S为双出轴,无-S为单出轴。 4.滚筒一律为铸胶表面,图号后加Y为右向人字形,加Z为左向人字形,加Y、Z为菱形。 5.本章列出相关参数及尺寸的传动滚筒、改向滚筒、清扫器、拉紧装置均系DTⅡ(A)型带式输送机部件。 |
||||||||||||||||||||||

