|
缓冲器弹簧 |
||||||||||||||
|
|
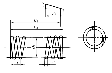
注:(1)Hg——预紧后的弹簧高度(弹簧工作高度); L——弹簧展开长度; DXmax——最大允许心轴直径; DTmin——最小允许套筒直径 (2)弹簧的技术要求应符合 GB/T 1239.2中规定的3级精度 (3)弹簧的材料应采用不低于 GB/T 1222中规定的60Si2Mn钢 |
|||||||||||||
|
缓冲器型号 |
主 要 尺 寸 /mm |
弹簧刚度 P /N·mm-1 |
有效圈数 n |
旋 向 |
单件质量 /kg |
备 注 |
||||||||
|
d |
D2 |
H0 |
Hg |
Fj |
t≈ |
DXmax |
DTmin |
L |
||||||
|
HT1-16 |
10 |
45 |
220 |
215 |
65 |
14.5 |
31 |
59 |
2273 |
75 |
14.5 |
右 |
1.4 |
|
|
HT1-40 |
12 |
50 |
370 |
360 |
105 |
17 |
34 |
66 |
3553 |
79 |
21 |
右 |
3.2 |
|
|
HT1-63 |
14 |
60 |
420 |
410 |
126 |
20.3 |
41 |
79 |
4081 |
89 |
20 |
右 |
5.4 |
|
|
HT1-100 |
18 |
75 |
450 |
440 |
126 |
25.4 |
52 |
98 |
4382 |
146 |
17 |
右 |
8.6 |
|
|
HT2-100 |
18 |
100 |
380 |
370 |
144 |
33.3 |
76 |
124 |
3770 |
100 |
10.5 |
右 |
7.5 |
|
|
HT2-160 |
20 |
95 |
500 |
490 |
154 |
31.9 |
69 |
121 |
4775 |
129 |
14.5 |
右 |
11.7 |
|
|
HT2-250 |
25 |
100 |
550 |
540 |
135 |
35 |
69 |
131 |
5027 |
269 |
14.5 |
右 |
19.7 |
|
|
HT2-315 |
30 |
140 |
550 |
540 |
161 |
47.2 |
103 |
177 |
5278 |
281 |
10.5 |
右 |
29.3 |
|
|
HT2-400 |
35 |
180 |
450 |
440 |
145 |
60 |
136 |
224 |
4524 |
396 |
6.5 |
右 |
34.2 |
|
|
HT2-500 |
35 |
150 |
580 |
570 |
155 |
51.5 |
108 |
192 |
5655 |
423 |
10.5 |
右 |
42.7 |
|
|
HT2-630 |
40 |
170 |
580 |
570 |
160 |
56.8 |
121 |
219 |
5905 |
548 |
9.5 |
右 |
58.0 |
|
|
HT3-630 |
||||||||||||||
|
HT3-800 |
45 |
190 |
580 |
570 |
153 |
62.9 |
135 |
245 |
5999 |
703 |
8.5 |
右 |
74.5 |
|
|
HT4-800 |
||||||||||||||
|
HT3-1000 |
50 |
220 |
520 |
510 |
145 |
72.3 |
159 |
281 |
5556 |
903 |
6.5 |
右 |
85.2 |
|
|
HT4-1000 |
||||||||||||||
|
HT3-1250 |
50 |
220 |
520 |
510 |
145 |
72.3 |
159 |
281 |
5556 |
903 |
6.5 |
右 |
85.2 |
内外 弹簧组 合式 |
|
HT4-1250 |
25 |
110 |
500 |
490 |
163 |
38 |
79 |
141 |
4864 |
235 |
12.5 |
左 |
18.6 |
|
|
HT3-1600 |
60 |
220 |
335 |
330 |
65 |
78.5 |
150 |
305 |
3479 |
3477 |
3.5 |
右 |
75.8 |
内外 弹簧组 合串联 式 |
|
HT4-1600 |
30 |
120 |
320 |
315 |
69.8 |
42 |
84 |
156 |
3016 |
721 |
6.5 |
左 |
16.7 |
|
|
HT3-2000 |
60 |
220 |
380 |
375 |
80 |
80 |
150 |
305 |
3839 |
3042 |
4 |
右 |
83.5 |
|
|
HT4-2000 |
30 |
120 |
360 |
355 |
80.1 |
42 |
84 |
156 |
3393 |
625 |
7.5 |
左 |
18.8 |
|

