|
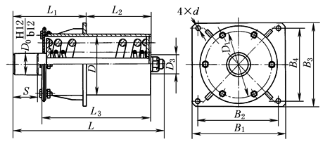
HT4型中部安装式弹簧缓冲器(JB/T 8110.1—1999) |
|||||||||||||||||
|
|
|||||||||||||||||
|
型号 |
缓冲容量 W /kN·m |
缓冲行程 S /mm |
缓冲力 Pj /kN |
主 要 尺 寸/ mm |
质量 /kg |
||||||||||||
L |
L1 |
L2 |
L3 |
B1 |
B2 |
B3 |
B4 |
D0 |
D |
D1 |
D3 |
d |
|||||
|
HT4-800 |
8.0 |
143 |
108 |
910 |
400 |
430 |
640 |
520 |
450 |
380 |
310 |
110 |
273 |
313 |
135 |
35 |
≈180.9 |
|
HT4-1000 |
10.0 |
135 |
131 |
840 |
400 |
360 |
580 |
520 |
450 |
450 |
390 |
120 |
325 |
365 |
135 |
35 |
≈208.6 |
|
HT4-1250① |
12.5 |
135 |
165 |
840 |
400 |
360 |
580 |
520 |
450 |
450 |
390 |
120 |
325 |
365 |
135 |
42 |
≈235.3 |
|
HT4-1600② |
16.0 |
120 |
273 |
1010 |
400 |
530 |
750 |
780 |
700 |
480 |
400 |
120 |
325 |
365 |
135 |
42 |
≈342.0 |
|
HT4-2000② |
20.0 |
150 |
293 |
1140 |
450 |
600 |
840 |
780 |
700 |
480 |
400 |
120 |
325 |
365 |
135 |
42 |
≈397.8 |
|
① 由内外弹簧组成。 ② 内外弹簧由两段串联而成。 |
|||||||||||||||||

