|
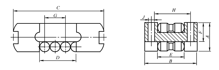
滚动式滚动导轨块支承结构形式基本尺寸 |
||||||||||||
|
|
||||||||||||
|
型号 |
主要尺寸/mm |
额定载荷/kN |
||||||||||
|
A |
|
C |
|
E |
F |
G |
H |
J |
动载荷 C |
静载荷 C0 |
||
|
T |
L |
|||||||||||
|
HJG-K3050 |
16.5 |
30 |
50.6 |
20.6 |
16 |
11 |
12 |
23 |
f 3.6 |
M4 |
15.5 |
18 |
|
HJG-K3662 |
17.5 |
36 |
62.6 |
32.6 |
21 |
12 |
18 |
29 |
f 4.8 |
M4 |
26.6 |
38.6 |
|
HJG-K4575 |
21 |
45 |
75 |
37 |
25 |
14 |
20 |
36 |
f 5.8 |
M5 |
41.2 |
62.3 |
|
HJG-K5585 |
21.5 |
55 |
85 |
45 |
32 |
15 |
27 |
44 |
f 5.8 |
M5 |
53.5 |
92.8 |
|
HJG-K68105 |
30 |
68 |
107 |
57 |
40 |
21 |
35 |
54 |
f 7 |
M6 |
86.2 |
143 |
|
HJG-K82145 |
40 |
82 |
144 |
78 |
50 |
30 |
40 |
66 |
f 9 |
M8 |
152 |
260 |

