|
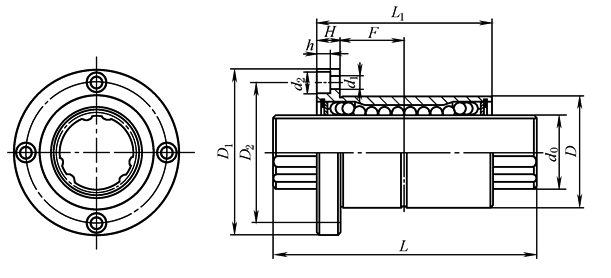
GJFG型凹槽式滚动花键副尺寸系列 /mm |
||||||||||||||
|
|
||||||||||||||
|
型号 规格 |
公称 轴径 d0(h7) |
外径 D |
套长度 L1 |
轴最大 长度L |
法兰直径 D1 |
安装孔 中心径 D2 |
法兰 厚度 H |
沉孔 深度 h |
沉孔 直径 d2 |
过孔 直径 d1 |
油孔 d |
油孔 位置 F |
基本额定转矩 |
|
|
动转矩 CT /N·m |
静转矩 C0T /N·m |
|||||||||||||
|
GJFG30 |
|
|
|
1000 |
|
60 |
10 |
6.5 |
11 |
6.6 |
3 |
30 |
171 |
148 |
|
GJFG60 |
|
|
|
1200 |
|
112 |
16 |
11 |
18 |
11 |
5 |
54 |
1220 |
1040 |

