|
微型 SGW 滚动直线导轨副 |
||||||||||
|
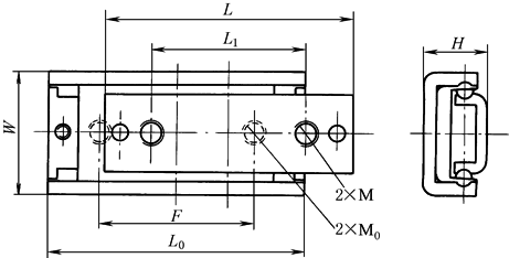
微型滚动直线导轨副,是由钢板冲制成形,重量轻、滚动轻便、摩擦阻力小、惯性小、反应灵敏。适用于录像机、半导体装置、硬盘等存储装置的读出与写入部位及医疗设备、绘图仪等高精度机械设备
|
||||||||||
|
型 号 |
结 构 尺 寸 /mm |
额定载荷/N |
||||||||
|
W |
H |
L0 |
L |
F |
L1 |
M0 |
M |
C0 |
C |
|
|
SGW 12 |
12 |
6 |
25 |
24 |
15 |
15 |
M2.5 |
M2.5 |
206 |
127 |
|
生产厂:上海中恒导轨厂。 |
||||||||||

