|
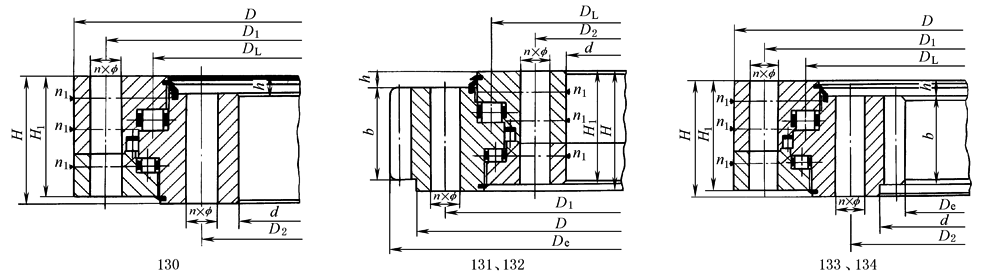
三排滚柱式回转支承(13系列) |
|||||||||||||||||||||||
|
三排滚柱式回转支承有三个座圆,上、下及径向滚道各自分开,使得每一排滚柱的负载都能确切地加以确定。能够同时承受各种载荷,是四种产品中承载能力最大的一种,轴、径向尺寸都较大,结构牢固,特别适用于要求较大直径的重型机械,如斗轮式挖掘机、轮式起重机、船用起重机、港口起重机、钢水运转台及大吨位汽车起重机等机械上 |
|||||||||||||||||||||||
|
承载 曲线 图编 号 |
基本型号 |
外形尺寸 |
安装尺寸 |
结构尺寸 |
齿轮参数 |
外齿参数 |
内齿参数 |
齿轮圆周力 |
参考 重量 /kg |
||||||||||||||
|
无齿式 DL /mm |
外齿式 DL /mm |
内齿式 DL /mm |
D /mm |
d /mm |
H /mm |
D1 /mm |
D2 /mm |
n |
f /mm |
n1 |
H1 /mm |
h /mm |
b /mm |
x |
m /mm |
De /mm |
z |
De /mm |
z |
正火 Z /104N |
调质 T /104N |
||
|
1 |
130.25.500 |
131.25.500 |
133.25.500 |
634 |
366 |
148 |
598 |
402 |
24 |
18 (M16) |
4 |
138 |
32 |
80 |
+0.5 |
5 |
664 |
130 |
337 |
68 |
5.0 |
6.7 |
224 |
|
132.25.500 |
134.25.500 |
6 |
664.8 |
108 |
338.4 |
57 |
6.0 |
8.0 |
|||||||||||||||
|
2 |
130.25.560 |
131.25.560 |
133.25.560 |
694 |
426 |
148 |
658 |
462 |
24 |
18 (M16) |
4 |
138 |
32 |
80 |
+0.5 |
5 |
724 |
142 |
397 |
80 |
5.0 |
6.7 |
240 |
|
132.25.560 |
134.25.560 |
6 |
724.8 |
118 |
398.4 |
67 |
6.0 |
8.0 |
|||||||||||||||
|
3 |
130.25.630 |
131.25.630 |
133.25.630 |
764 |
496 |
148 |
728 |
532 |
28 |
18 (M16) |
4 |
138 |
32 |
80 |
+0.5 |
6 |
808.8 |
132 |
458.4 |
77 |
6.0 |
8.0 |
270 |
|
132.25.630 |
134.25.630 |
8 |
806.4 |
98 |
459.2 |
58 |
8.0 |
11.0 |
|||||||||||||||
|
4 |
130.25.710 |
131.25.710 |
133.25.710 |
844 |
576 |
148 |
808 |
612 |
28 |
18 (M16) |
4 |
138 |
32 |
80 |
+0.5 |
6 |
886.8 |
145 |
536.4 |
90 |
6.0 |
8.0 |
300 |
|
132.25.710 |
134.25.710 |
8 |
886.4 |
108 |
539.2 |
68 |
8.0 |
11.0 |
|||||||||||||||
|
5 |
130.32.800 |
131.32.800 |
133.32.800 |
964 |
636 |
182 |
920 |
680 |
36 |
22 (M20) |
4 |
172 |
40 |
120 |
+0.5 |
8 |
1006.4 |
123 |
595.2 |
75 |
12.1 |
16.7 |
500 |
|
132.32.800 |
134.32.800 |
10 |
1008 |
98 |
594 |
60 |
15.1 |
20.9 |
|||||||||||||||
|
6 |
130.32.900 |
131.32.900 |
133.32.900 |
1064 |
736 |
182 |
1020 |
780 |
36 |
22 (M20) |
4 |
172 |
40 |
120 |
+0.5 |
8 |
1102.4 |
135 |
691.2 |
87 |
12.1 |
16.7 |
600 |
|
132.32.900 |
134.32.900 |
10 |
1108 |
108 |
694 |
70 |
15.1 |
20.9 |
|||||||||||||||
|
7 |
130.32.1000 |
131.32.1000 |
133.32.1000 |
1164 |
836 |
182 |
1120 |
880 |
40 |
22 (M20) |
5 |
172 |
40 |
120 |
+0.5 |
10 |
1218 |
119 |
784 |
79 |
15.1 |
20.9 |
680 |
|
132.32.1000 |
134.32.1000 |
12 |
1221.6 |
99 |
784.8 |
66 |
18.1 |
25.1 |
|||||||||||||||
|
8 |
130.32.1120 |
131.32.1120 |
133.32.1120 |
1284 |
956 |
182 |
1240 |
1000 |
40 |
22 (M20) |
5 |
172 |
40 |
120 |
+0.5 |
10 |
1338 |
131 |
904 |
91 |
15.1 |
20.9 |
820 |
|
132.32.1120 |
134.32.1120 |
12 |
1341.6 |
109 |
904.8 |
76 |
18.1 |
25.1 |
|||||||||||||||
|
9 |
130.40.1250 |
131.40.1250 |
133.40.1250 |
1445 |
1055 |
220 |
1393 |
1107 |
45 |
26 (M24) |
5 |
210 |
50 |
150 |
+0.5 |
12 |
1509.6 |
123 |
988.8 |
83 |
22.9 |
31.4 |
1200 |
|
132.40.1250 |
134.40.1250 |
14 |
1509.2 |
105 |
985.6 |
71 |
26.3 |
36.6 |
|||||||||||||||
|
10 |
130.40.1400 |
131.40.1400 |
133.40.1400 |
1595 |
1205 |
220 |
1543 |
1257 |
45 |
26 (M24) |
5 |
210 |
50 |
150 |
+0.5 |
12 |
1665.6 |
136 |
1144.8 |
96 |
22.9 |
31.4 |
1300 |
|
132.40.1400 |
134.40.1400 |
14 |
1663.2 |
116 |
1139.6 |
82 |
26.3 |
36.6 |
|||||||||||||||
|
11 |
130.40.1600 |
131.40.1600 |
133.40.1600 |
1795 |
1405 |
220 |
1743 |
1457 |
48 |
26 (M24) |
6 |
210 |
50 |
150 |
+0.5 |
14 |
1873.2 |
131 |
1335.6 |
96 |
26.3 |
36.6 |
1520 |
|
132.40.1600 |
134.40.1600 |
16 |
1868.8 |
114 |
1334.4 |
84 |
30.2 |
41.7 |
|||||||||||||||
|
12 |
130.40.1800 |
131.40.1800 |
133.40.1800 |
1995 |
1605 |
220 |
1943 |
1657 |
48 |
26 (M24) |
6 |
210 |
50 |
150 |
+0.5 |
14 |
2069.2 |
145 |
1531.6 |
110 |
26.3 |
36.6 |
1750 |
|
132.40.1800 |
134.40.1800 |
16 |
2076.8 |
127 |
1526.4 |
96 |
30.2 |
41.7 |
|||||||||||||||
|
13 |
130.45.2000 |
131.45.2000 |
133.45.2000 |
2221 |
1779 |
231 |
2155 |
1845 |
60 |
33 (M30) |
6 |
219 |
54 |
160 |
+0.5 |
16 |
2300.8 |
141 |
1702.4 |
107 |
32.2 |
44.5 |
2400 |
|
132.45.2000 |
134.45.2000 |
18 |
2300.4 |
125 |
1699.2 |
95 |
36.2 |
50.1 |
|||||||||||||||
|
14 |
130.45.2240 |
131.45.2240 |
133.45.2240 |
2461 |
2019 |
231 |
2395 |
2085 |
60 |
33 (M30) |
6 |
219 |
54 |
160 |
+0.5 |
16 |
2556.8 |
157 |
1926.4 |
121 |
32.2 |
44.5 |
2700 |
|
132.45.2240 |
134.45.2240 |
18 |
2552.4 |
139 |
1933.2 |
108 |
36.2 |
50.1 |
|||||||||||||||
|
15 |
130.45.2500 |
131.45.2500 |
133.45.2500 |
2721 |
2279 |
231 |
2655 |
2345 |
72 |
33 (M30) |
8 |
219 |
54 |
160 |
+0.5 |
18 |
2822.4 |
154 |
2185.2 |
122 |
36.2 |
50.1 |
3000 |
|
132.45.2500 |
134.45.2500 |
20 |
2816 |
138 |
2188 |
110 |
40.2 |
55.6 |
|||||||||||||||
|
16 |
130.45.2800 |
131.45.2800 |
133.45.2800 |
3021 |
2579 |
231 |
2955 |
2645 |
72 |
33 (M30) |
8 |
219 |
54 |
160 |
+0.5 |
18 |
3110.4 |
170 |
2491.2 |
139 |
36.2 |
50.1 |
3400 |
|
132.45.2800 |
134.45.2800 |
20 |
3116 |
153 |
2488 |
125 |
40.2 |
55.6 |
|||||||||||||||
|
17 |
130.50.3150 |
131.50.3150 |
133.50.3150 |
3432 |
2868 |
270 |
3342 |
2958 |
72 |
45 (M42) |
8 |
258 |
65 |
180 |
+0.5 |
20 |
3536 |
174 |
2768 |
139 |
45.2 |
62.6 |
5000 |
|
132.50.3150 |
134.50.3150 |
22 |
3537.6 |
158 |
2758.8 |
126 |
49.8 |
68.9 |
|||||||||||||||
|
18 |
130.50.3550 |
131.50.3550 |
133.50.3550 |
3832 |
3268 |
270 |
3742 |
3358 |
72 |
45 (M42) |
8 |
258 |
65 |
180 |
+0.5 |
20 |
3936 |
194 |
3168 |
159 |
45.2 |
62.6 |
5600 |
|
132.50.3550 |
134.50.3550 |
22 |
3933.6 |
176 |
3154.8 |
144 |
49.8 |
68.9 |
|||||||||||||||
|
19 |
130.50.4000 |
131.50.4000 |
133.50.4000 |
4282 |
3718 |
270 |
4192 |
3808 |
80 |
45 (M42) |
8 |
258 |
65 |
180 |
+0.5 |
22 |
4395.6 |
197 |
3616.8 |
165 |
49.8 |
68.9 |
6400 |
|
132.50.4000 |
134.50.4000 |
25 |
4395 |
173 |
3610 |
145 |
56.5 |
78.3 |
|||||||||||||||
|
20 |
130.50.4500 |
131.50.4500 |
133.50.4500 |
4782 |
4218 |
270 |
4692 |
4308 |
80 |
45 (M42) |
8 |
258 |
65 |
180 |
+0.5 |
22 |
4901.6 |
220 |
4122.8 |
188 |
49.8 |
68.9 |
7100 |
|
132.50.4500 |
134.50.4500 |
25 |
4895 |
193 |
4110 |
165 |
56.5 |
78.3 |
|||||||||||||||
|
注:1.n1 为润滑油孔数,均布;油杯M10×1 JB/T 7940.1~7940.2。 2.安装孔 n×f 可为光孔或螺孔;若为螺孔,螺纹深度是螺纹直径的2倍;齿宽 b 可改为H-h。 3.表内齿轮圆周力为最大圆周力,额定圆周力取其1/2。 4.外齿修顶系数为0.1,内齿修顶系数为0.2。 5.内外径均为自由公差。若主机与回转支承有配合要求,订货时必须注明。 6.生产厂:徐州罗特艾德回转支承公司。该公司除生产01、03系列回转支承外,还有单排交叉滚柱式(11系列)、双排球式(02系列)等多种产品。 |
|||||||||||||||||||||||

