|
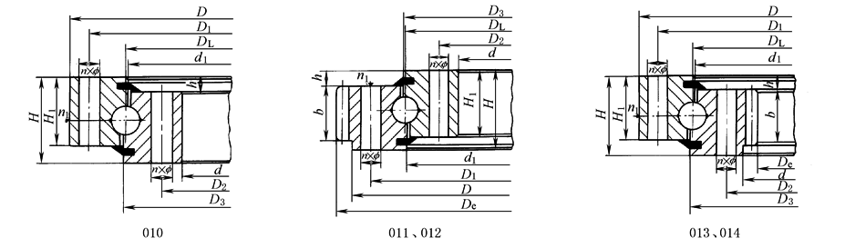
·单排四点接触球式回转支承(01系列) |
|||||||||||||||||||||||||
|
单排四点接触球式回转支承由两个座圈组成,结构紧凑、重量轻、钢球与圆弧滚道四点接触,能同时承受轴向力、径向力和倾翻力矩。适用于回转式输送机、焊接操作机、中小型起重机和挖掘机等工程机械 |
|||||||||||||||||||||||||
|
承载 曲线 图编 号 |
基本型号 |
外形尺寸 |
安装尺寸 |
结构尺寸 |
齿轮参数 |
外齿参数 |
内齿参数 |
齿轮圆周力 |
参考 重量 /kg |
||||||||||||||||
|
无齿式 DL /mm |
外齿式 DL /mm |
内齿式 DL /mm |
D /mm |
d /mm |
H /mm |
D1 /mm |
D2 /mm |
n |
f /mm |
n1 |
D3 /mm |
d1 /mm |
H1 /mm |
h /mm |
b /mm |
x |
m /mm |
De /mm |
z |
De /mm |
z |
正火 Z /104N |
调质 T /104N |
||
|
1 |
010.20.200 |
011.20.200 |
— |
280 |
120 |
60 |
248 |
152 |
12 |
16 (M14) |
2 |
201 |
199 |
50 |
10 |
40 |
— |
3 |
300 |
98 |
— |
— |
— |
— |
— |
|
2 |
010.20.224 |
011.20.224 |
— |
304 |
144 |
272 |
176 |
225 |
223 |
— |
321 |
105 |
— |
— |
— |
— |
— |
||||||||
|
3 |
010.20.250 |
011.20.250 |
— |
300 |
170 |
298 |
202 |
18 |
251 |
249 |
— |
4 |
352 |
86 |
— |
— |
— |
— |
— |
||||||
|
4 |
010.20.280 |
011.20.280 |
— |
360 |
200 |
328 |
232 |
281 |
279 |
— |
348 |
94 |
— |
— |
— |
— |
— |
||||||||
|
5 |
010.25.315 |
011.25.315 |
013.25.315 |
408 |
222 |
70 |
372 |
258 |
20 |
18 (M16) |
316 |
314 |
60 |
50 |
— |
5 |
435 |
85 |
190 |
40 |
— |
— |
— |
||
|
6 |
010.25.355 |
011.25.355 |
013.25.355 |
448 |
262 |
412 |
298 |
356 |
354 |
— |
475 |
93 |
235 |
49 |
— |
— |
— |
||||||||
|
7 |
010.25.400 |
011.25.400 |
013.25.400 |
493 |
307 |
457 |
343 |
24 |
401 |
399 |
— |
6 |
528 |
86 |
276 |
48 |
— |
— |
— |
||||||
|
8 |
010.25.450 |
011.25.450 |
013.25.450 |
543 |
357 |
507 |
393 |
451 |
449 |
— |
576 |
94 |
324 |
56 |
— |
— |
— |
||||||||
|
9 |
010.30.500 |
011.30.500 |
013.30.500 |
602 |
398 |
80 |
566 |
434 |
20 |
18 (M16) |
4 |
501 |
498 |
70 |
10 |
60 |
+0.5 |
5 |
629 |
123 |
367 |
74 |
3.7 |
5.2 |
85 |
|
012.30.500 |
014.30.500 |
6 |
628.8 |
102 |
368.4 |
62 |
4.5 |
6.2 |
|||||||||||||||||
|
10' |
010.25.500 |
011.25.500 |
013.25.500 |
602 |
398 |
80 |
566 |
434 |
20 |
18 (M16) |
4 |
501 |
499 |
70 |
10 |
60 |
+0.5 |
5 |
629 |
123 |
367 |
74 |
3.7 |
5.2 |
85 |
|
012.25.500 |
014.25.500 |
6 |
628.8 |
102 |
368.4 |
62 |
4.5 |
6.2 |
|||||||||||||||||
|
11 |
010.30.560 |
011.30.560 |
013.30.560 |
662 |
458 |
80 |
626 |
494 |
20 |
18 (M16) |
4 |
561 |
558 |
70 |
10 |
60 |
+0.5 |
5 |
689 |
135 |
427 |
86 |
3.7 |
5.2 |
95 |
|
012.30.560 |
014.30.560 |
6 |
688.8 |
112 |
428.4 |
72 |
4.5 |
6.2 |
|||||||||||||||||
|
12 |
010.25.560 |
011.25.560 |
013.25.560 |
662 |
458 |
80 |
626 |
494 |
20 |
18 (M16) |
4 |
561 |
559 |
70 |
10 |
60 |
+0.5 |
5 |
689 |
135 |
427 |
86 |
3.7 |
5.2 |
95 |
|
012.25.560 |
014.25.560 |
6 |
688.8 |
112 |
428.4 |
72 |
4.5 |
6.2 |
|||||||||||||||||
|
13 |
010.30.630 |
011.30.630 |
013.30.630 |
732 |
528 |
80 |
696 |
564 |
24 |
18 (M16) |
4 |
631 |
628 |
70 |
10 |
60 |
+0.5 |
6 |
772.8 |
126 |
494.4 |
83 |
4.5 |
6.2 |
110 |
|
012.30.630 |
014.30.630 |
8 |
774.4 |
94 |
491.2 |
62 |
6.0 |
8.3 |
|||||||||||||||||
|
14 |
010.25.630 |
011.25.630 |
013.25.630 |
732 |
528 |
80 |
696 |
564 |
24 |
18 (M16) |
4 |
631 |
629 |
70 |
10 |
60 |
+0.5 |
6 |
772.8 |
126 |
494.4 |
83 |
4.5 |
6.2 |
110 |
|
012.25.630 |
014.25.630 |
8 |
774.4 |
94 |
491.2 |
62 |
6.0 |
8.2 |
|||||||||||||||||
|
15 |
010.30.710 |
011.30.710 |
013.30.710 |
812 |
608 |
80 |
776 |
644 |
24 |
18 (M16) |
4 |
711 |
708 |
70 |
10 |
60 |
+0.5 |
6 |
850.8 |
139 |
572.4 |
96 |
4.5 |
6.2 |
120 |
|
012.30.710 |
014.30.710 |
8 |
854.4 |
104 |
571.2 |
72 |
6.0 |
8.3 |
|||||||||||||||||
|
16 |
010.25.710 |
011.25.710 |
013.25.710 |
812 |
608 |
80 |
776 |
644 |
24 |
18 (M16) |
4 |
711 |
709 |
70 |
10 |
60 |
+0.5 |
6 |
850.8 |
139 |
572.4 |
96 |
4.5 |
6.2 |
120 |
|
012.25.710 |
014.25.710 |
8 |
854.4 |
104 |
571.2 |
72 |
6.0 |
8.9 |
|||||||||||||||||
|
17 |
010.40.800 |
011.40.800 |
013.40.800 |
922 |
678 |
100 |
878 |
722 |
30 |
22 (M20) |
6 |
801 |
798 |
90 |
10 |
80 |
+0.5 |
8 |
966.4 |
118 |
635.2 |
80 |
8.0 |
11.1 |
220 |
|
012.40.800 |
014.40.800 |
10 |
968 |
94 |
634 |
64 |
10.0 |
14.0 |
|||||||||||||||||
|
18 |
010.30.800 |
011.30.800 |
013.30.800 |
922 |
678 |
100 |
878 |
722 |
30 |
22 (M20) |
6 |
801 |
798 |
90 |
10 |
80 |
+0.5 |
8 |
966.4 |
118 |
635.2 |
80 |
8.0 |
11.1 |
220 |
|
012.30.800 |
014.30.800 |
10 |
968 |
94 |
634 |
64 |
10.0 |
14.1 |
|||||||||||||||||
|
19 |
010.40.900 |
011.40.900 |
013.40.900 |
1022 |
778 |
100 |
978 |
822 |
30 |
22 (M20) |
6 |
901 |
898 |
90 |
10 |
80 |
+0.5 |
8 |
1062.4 |
130 |
739.2 |
93 |
8.0 |
11.1 |
240 |
|
012.40.900 |
014.40.900 |
10 |
1068 |
104 |
734 |
74 |
10.0 |
14.0 |
|||||||||||||||||
|
20 |
010.30.900 |
011.30.900 |
013.30.900 |
1022 |
778 |
100 |
978 |
822 |
30 |
22 (M20) |
6 |
901 |
898 |
90 |
10 |
80 |
+0.5 |
8 |
1062.4 |
130 |
739.2 |
93 |
8.0 |
11.1 |
240 |
|
012.30.900 |
014.30.900 |
10 |
1068 |
104 |
734 |
74 |
10.0 |
14.0 |
|||||||||||||||||
|
21 |
010.40.1000 |
011.40.1000 |
013.40.1000 |
1122 |
878 |
100 |
1078 |
922 |
36 |
22 (M20) |
6 |
1001 |
998 |
90 |
10 |
80 |
+0.5 |
10 |
1188 |
116 |
824 |
83 |
10.0 |
14.0 |
270 |
|
012.40.1000 |
014.40.1000 |
12 |
1185.6 |
96 |
820.8 |
69 |
12.0 |
16.7 |
|||||||||||||||||
|
22 |
010.30.1000 |
011.30.1000 |
013.30.1000 |
1122 |
878 |
100 |
1078 |
922 |
36 |
22 (M20) |
6 |
1001 |
998 |
90 |
10 |
80 |
+0.5 |
10 |
1188 |
116 |
824 |
83 |
10.0 |
14.0 |
270 |
|
012.30.1000 |
014.30.1000 |
12 |
1185.6 |
96 |
820.8 |
69 |
12.0 |
16.7 |
|||||||||||||||||
|
23 |
010.40.1120 |
011.40.1120 |
013.40.1120 |
1242 |
998 |
100 |
1198 |
1042 |
36 |
22 (M20) |
6 |
1121 |
1118 |
90 |
10 |
80 |
+0.5 |
10 |
1298 |
127 |
944 |
95 |
10.0 |
14.0 |
300 |
|
012.40.1120 |
014.40.1120 |
12 |
1305.6 |
106 |
940.8 |
79 |
12.0 |
16.7 |
|||||||||||||||||
|
24 |
010.30.1120 |
011.30.1120 |
013.30.1120 |
1242 |
998 |
100 |
1198 |
1042 |
36 |
22 (M20) |
6 |
1121 |
1118 |
90 |
10 |
80 |
+0.5 |
10 |
1298 |
127 |
944 |
95 |
10.0 |
14.0 |
300 |
|
012.30.1120 |
014.30.1120 |
12 |
1305.6 |
106 |
940.8 |
79 |
12.0 |
16.7 |
|||||||||||||||||
|
25 |
010.45.1250 |
011.45.1250 |
013.45.1250 |
1390 |
1110 |
110 |
1337 |
1163 |
40 |
26 (M24) |
5 |
1252 |
1248 |
100 |
10 |
90 |
+0.5 |
12 |
1449.6 |
118 |
1048.8 |
88 |
13.5 |
18.8 |
420 |
|
012.45.1250 |
014.45.1250 |
14 |
1453.2 |
101 |
1041.6 |
75 |
15.8 |
21.9 |
|||||||||||||||||
|
26 |
010.35.1250 |
011.35.1250 |
013.35.1250 |
1390 |
1110 |
110 |
1337 |
1163 |
40 |
26 (M24) |
5 |
1251 |
1248 |
100 |
10 |
90 |
+0.5 |
12 |
1449.6 |
118 |
1048.8 |
88 |
13.5 |
18.8 |
420 |
|
012.35.1250 |
014.35.1250 |
14 |
1453.2 |
101 |
1041.6 |
75 |
15.8 |
21.9 |
|||||||||||||||||
|
27 |
010.45.1400 |
011.45.1400 |
013.45.1400 |
1540 |
1260 |
110 |
1487 |
1313 |
40 |
26 (M24) |
5 |
1402 |
1398 |
100 |
10 |
90 |
+0.5 |
12 |
1605.6 |
131 |
1192.8 |
100 |
13.5 |
18.8 |
480 |
|
012.45.1400 |
014.45.1400 |
14 |
1607.2 |
112 |
1195.6 |
86 |
15.5 |
21.9 |
|||||||||||||||||
|
28 |
010.35.1400 |
011.35.1400 |
013.35.1400 |
1540 |
1260 |
110 |
1487 |
1313 |
40 |
26 (M24) |
5 |
1401 |
1398 |
100 |
10 |
90 |
+0.5 |
12 |
1605.6 |
131 |
1192.8 |
100 |
13.5 |
18.8 |
480 |
|
012.35.1400 |
014.35.1400 |
14 |
1607.2 |
112 |
1195.6 |
86 |
15.8 |
21.9 |
|||||||||||||||||
|
29 |
010.45.1600 |
011.45.1600 |
013.45.1600 |
1740 |
1460 |
110 |
1687 |
1513 |
45 |
26 (M24) |
5 |
1602 |
1598 |
100 |
10 |
90 |
+0.5 |
14 |
1817.2 |
127 |
1391.6 |
100 |
15.8 |
21.9 |
550 |
|
012.45.1600 |
014.45.1600 |
16 |
1820.8 |
111 |
1382.4 |
87 |
18.1 |
25.0 |
|||||||||||||||||
|
30 |
010.35.1600 |
011.35.1600 |
013.35.1600 |
1740 |
1460 |
110 |
1687 |
1513 |
45 |
26 (M24) |
5 |
1601 |
1598 |
100 |
10 |
90 |
+0.5 |
14 |
1817.2 |
127 |
1391.6 |
100 |
15.8 |
21.9 |
550 |
|
012.35.1600 |
014.35.1600 |
16 |
1820.8 |
111 |
1382.4 |
87 |
18.1 |
25.0 |
|||||||||||||||||
|
31 |
010.45.1800 |
011.45.1800 |
013.45.1800 |
1940 |
1660 |
110 |
1887 |
1713 |
45 |
26 (M24) |
5 |
1802 |
1798 |
100 |
10 |
90 |
+0.5 |
14 |
2013.2 |
141 |
1573.6 |
113 |
15.8 |
21.9 |
610 |
|
012.45.1800 |
014.45.1800 |
16 |
2012.8 |
123 |
1574.4 |
99 |
18.1 |
25.0 |
|||||||||||||||||
|
32 |
010.35.1800 |
011.35.1800 |
013.35.1800 |
1940 |
1660 |
110 |
1887 |
1713 |
45 |
26 (M24) |
5 |
1801 |
1798 |
100 |
10 |
90 |
+0.5 |
14 |
2013.2 |
141 |
1573.6 |
113 |
15.8 |
21.9 |
610 |
|
012.35.1800 |
014.35.1800 |
16 |
2012.8 |
123 |
1574.4 |
99 |
18.1 |
25.0 |
|||||||||||||||||
|
33 |
010.60.2000 |
011.60.2000 |
013.60.2000 |
2178 |
1825 |
144 |
2110 |
1891 |
48 |
33 (M30) |
8 |
2002 |
1998 |
132 |
12 |
120 |
+0.5 |
16 |
2268.8 |
139 |
1734.4 |
109 |
24.1 |
33.3 |
1100 |
|
012.60.2000 |
014.60.2000 |
18 |
2264.4 |
123 |
1735.2 |
97 |
27.1 |
37.5 |
|||||||||||||||||
|
34 |
010.40.2000 |
011.40.2000 |
013.40.2000 |
2178 |
1825 |
144 |
2110 |
1891 |
48 |
33 (M30) |
8 |
2001 |
1998 |
132 |
12 |
120 |
+0.5 |
16 |
2268.8 |
139 |
1734.4 |
109 |
24.1 |
33.3 |
1100 |
|
012.40.2000 |
014.40.2000 |
18 |
2264.4 |
123 |
1735.2 |
97 |
27.1 |
37.5 |
|||||||||||||||||
|
35 |
010.60.2240 |
011.60.2240 |
013.60.2240 |
2418 |
2065 |
144 |
2350 |
2131 |
48 |
33 (M30) |
8 |
2242 |
2238 |
132 |
12 |
120 |
+0.5 |
16 |
2492.8 |
153 |
1990.4 |
125 |
24.1 |
33.3 |
1250 |
|
012.60.2240 |
014.60.2240 |
18 |
2498.4 |
136 |
1987.2 |
111 |
27.1 |
37.5 |
|||||||||||||||||
|
36 |
010.40.2240 |
011.40.2240 |
013.40.2240 |
2418 |
2065 |
144 |
2350 |
2131 |
48 |
33 (M30) |
8 |
2241 |
2238 |
132 |
12 |
120 |
+0.5 |
16 |
2492.8 |
153 |
1990.4 |
125 |
24.1 |
33.3 |
1250 |
|
012.40.2240 |
014.40.2240 |
18 |
2498.4 |
136 |
1987.2 |
111 |
27.1 |
37.5 |
|||||||||||||||||
|
37 |
010.60.2500 |
011.60.2500 |
013.60.2500 |
2678 |
2325 |
144 |
2610 |
2391 |
56 |
33 (M30) |
8 |
2502 |
2498 |
132 |
12 |
120 |
+0.5 |
18 |
2768.4 |
151 |
2239.2 |
125 |
27.1 |
37.5 |
1400 |
|
012.60.2500 |
014.60.2500 |
20 |
2776 |
136 |
2228 |
112 |
30.1 |
41.8 |
|||||||||||||||||
|
38 |
010.40.2500 |
011.40.2500 |
013.40.2500 |
2678 |
2325 |
144 |
2610 |
2391 |
56 |
33 (M30) |
8 |
2501 |
2498 |
132 |
12 |
120 |
+0.5 |
18 |
2768.4 |
151 |
2239.2 |
125 |
27.1 |
37.5 |
1400 |
|
012.40.2500 |
014.40.2500 |
20 |
2776 |
136 |
2228 |
112 |
30.1 |
41.8 |
|||||||||||||||||
|
39 |
010.60.2800 |
011.60.2800 |
013.60.2800 |
2978 |
2625 |
144 |
2910 |
2691 |
56 |
33 (M30) |
8 |
2802 |
2798 |
132 |
12 |
120 |
+0.5 |
18 |
3074.4 |
168 |
2527.2 |
141 |
27.1 |
37.5 |
1600 |
|
012.60.2800 |
014.60.2800 |
20 |
3076 |
151 |
2528 |
127 |
30.1 |
41.8 |
|||||||||||||||||
|
40 |
010.40.2800 |
011.40.2800 |
013.40.2800 |
2978 |
2625 |
144 |
2910 |
2691 |
56 |
33 (M30) |
8 |
2802 |
2798 |
132 |
12 |
120 |
+0.5 |
18 |
3074.4 |
168 |
2527.2 |
141 |
27.1 |
37.5 |
1600 |
|
012.40.2800 |
014.40.2800 |
20 |
3076 |
151 |
2528 |
127 |
30.1 |
41.8 |
|||||||||||||||||
|
41 |
010.75.3150 |
011.75.3150 |
013.75.3150 |
3376 |
2922 |
174 |
3286 |
3014 |
56 |
45 (M42) |
8 |
3152 |
3147 |
162 |
12 |
150 |
+0.5 |
20 |
3476 |
171 |
2828 |
142 |
37.7 |
52.2 |
2800 |
|
012.75.3150 |
014.75.3150 |
22 |
3471.6 |
155 |
2824.8 |
129 |
41.5 |
57.4 |
|||||||||||||||||
|
42 |
010.50.3150 |
011.50.3150 |
013.50.3150 |
3376 |
2922 |
174 |
3286 |
3014 |
56 |
45 (M42) |
8 |
3152 |
3147 |
162 |
12 |
150 |
+0.5 |
20 |
3476 |
171 |
2828 |
142 |
37.7 |
52.2 |
2800 |
|
012.50.3150 |
014.50.3150 |
22 |
3471.6 |
155 |
2824.8 |
129 |
41.5 |
57.4 |
|||||||||||||||||
|
43 |
010.75.3550 |
011.75.3550 |
013.75.3550 |
3776 |
3322 |
174 |
3686 |
3414 |
56 |
45 (M42) |
8 |
3552 |
3547 |
162 |
12 |
150 |
+0.5 |
20 |
3876 |
191 |
3228 |
162 |
37.7 |
52.2 |
3200 |
|
012.75.3550 |
014.75.3550 |
22 |
3889.6 |
174 |
3220.8 |
147 |
41.5 |
57.4 |
|||||||||||||||||
|
44 |
010.50.3550 |
011.50.3550 |
013.50.3550 |
3776 |
3322 |
174 |
3686 |
3414 |
56 |
45 (M42) |
8 |
3552 |
3547 |
162 |
12 |
150 |
+0.5 |
20 |
3876 |
191 |
3228 |
162 |
37.7 |
52.2 |
3200 |
|
012.50.3550 |
014.50.3550 |
22 |
3889.6 |
174 |
2220.8 |
147 |
41.5 |
57.4 |
|||||||||||||||||
|
45 |
010.75.4000 |
011.75.4000 |
013.75.4000 |
4226 |
3772 |
174 |
4136 |
3864 |
60 |
45 (M42) |
10 |
4002 |
3997 |
162 |
12 |
150 |
+0.5 |
22 |
4329.6 |
194 |
3660.8 |
167 |
41.5 |
57.4 |
3600 |
|
012.75.4000 |
014.75.4000 |
25 |
4345 |
171 |
3660 |
147 |
47.1 |
65.2 |
|||||||||||||||||
|
46 |
010.50.4000 |
011.50.4000 |
013.50.4000 |
4226 |
3772 |
174 |
4136 |
3864 |
60 |
45 (M42) |
10 |
4002 |
3998 |
162 |
12 |
150 |
+0.5 |
22 |
4329.6 |
194 |
3660.8 |
167 |
41.5 |
57.4 |
3600 |
|
012.50.4000 |
014.50.4000 |
25 |
4345 |
171 |
3660 |
147 |
47.1 |
65.2 |
|||||||||||||||||
|
47 |
010.75.4500 |
011.75.4500 |
013.75.4500 |
4726 |
4272 |
174 |
4636 |
4364 |
60 |
45 (M42) |
10 |
4502 |
4497 |
162 |
12 |
150 |
+0.5 |
22 |
4835.6 |
217 |
4166.8 |
190 |
41.5 |
57.4 |
4000 |
|
012.75.4500 |
014.75.4500 |
25 |
4845 |
191 |
4160 |
167 |
47.1 |
65.2 |
|||||||||||||||||
|
48 |
010.50.4500 |
011.50.4500 |
013.50.4500 |
4726 |
4272 |
174 |
4636 |
4364 |
60 |
45 (M42) |
10 |
4502 |
4497 |
162 |
12 |
150 |
+0.5 |
22 |
4835.6 |
217 |
4166.8 |
190 |
41.5 |
57.4 |
4000 |
|
012.50.4500 |
014.50.4500 |
25 |
4845 |
191 |
4160 |
167 |
47.7 |
65.2 |
|||||||||||||||||
|
注:1.n1 为润滑油孔数,均布;油杯M10×1 JB/T 7940.1~7940.2。 2.安装孔 n×f 可为光孔或螺孔;若为螺孔,螺纹深度是螺纹直径的2倍;齿宽 b 可改为H-h。 3.表内齿轮圆周力为最大圆周力,额定圆周力取其1/2。 4.外齿修顶系数为0.1,内齿修顶系数为0.2。 5.内外径均为自由公差。若主机与回转支承有配合要求,订货时必须注明。 6.生产厂:徐州罗特艾德回转支承公司。该公司除生产01、03系列回转支承外,还有单排交叉滚柱式(11系列)、双排球式(02系列)等多种产品。 |
|||||||||||||||||||||||||

