|
无内圈圆柱滚子轴承(GB/T 283—2007) |
|||||||||||||
|
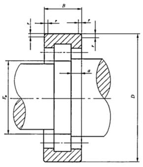
无内圈圆柱滚子轴承RNU型 |
符号含义与应用 RNU—无内圈,外圈有双挡边 应用基本同前。与轴承接触的轴颈表面的硬度、加工精度和表面质量应与套圈的滚道相近,用于径向尺寸受限制的部件。 |
||||||||||||
|
基本尺寸 /mm |
基本额定载荷 /kN |
极限转速 /r·min-1 |
质量 /kg |
轴承代号 |
其他尺寸 /mm |
安装尺寸 /mm |
|||||||
|
FW |
D |
B |
Cr |
C0r |
脂 |
油 |
W≈ |
RNU 型 |
a |
r min |
da max |
Da max |
ra max |
|
19.3 |
35 |
11 |
|
|
|
|
|
RNU 202 E |
— |
0.6 |
|
|
|
|
20 |
35 |
11 |
7.98 |
5.5 |
15000 |
19000 |
0.038 |
RNU 202 |
3 |
0.6 |
22.4 |
31 |
0.6 |
|
22.1 |
40 |
12 |
|
|
|
|
|
RNU 203 E |
— |
0.6 |
|
|
|
|
22.9 |
40 |
12 |
9.12 |
7.0 |
14000 |
18000 |
— |
RNU 203 |
3.25 |
0.6 |
25.3 |
36 |
0.6 |
|
26.5 |
47 |
14 |
25.8 |
24.0 |
12000 |
16000 |
0.089 |
RNU 204 E |
2.5 |
1 |
29.8 |
42 |
1 |
|
47 |
18 |
30.8 |
30.0 |
12000 |
16000 |
0.113 |
RNU 2204 E |
3.5 |
1 |
29.8 |
42 |
1 |
|
|
27.5 |
52 |
15 |
29.0 |
25.5 |
11000 |
15000 |
0.12 |
RNU 304 E |
2.5 |
1.1 |
32 |
45.5 |
1 |
|
52 |
21 |
39.2 |
37.5 |
10000 |
14000 |
0.168 |
RNU 2304 E |
3.5 |
1.1 |
32 |
45.5 |
1 |
|
|
30.5 |
47 |
12 |
11.0 |
10.2 |
11000 |
15000 |
— |
RNU 1005 |
3.25 |
0.6 |
32.6 |
43 |
0.6 |
|
31.5 |
52 |
15 |
27.5 |
26.8 |
11000 |
14000 |
0.104 |
RNU 205 E |
3 |
1 |
34.9 |
47 |
1 |
|
52 |
18 |
32.8 |
33.8 |
11000 |
14000 |
0.124 |
RNU 2205 E |
3.5 |
1 |
34.9 |
47 |
1 |
|
|
34 |
62 |
17 |
38.5 |
35.8 |
9000 |
12000 |
0.193 |
RNU 305 E |
3 |
1.1 |
39 |
55.5 |
1 |
|
62 |
24 |
53.2 |
54.5 |
9000 |
12000 |
0.272 |
RNU 2305 E |
4 |
1.1 |
39 |
55.5 |
1 |
|
|
36.5 |
55 |
13 |
|
|
|
|
|
RNU 1006 |
3.5 |
1 |
|
|
|
|
37.5 |
62 |
16 |
36.0 |
35.5 |
8500 |
11000 |
0.159 |
RNU 206 E |
3 |
1 |
41.8 |
57 |
1 |
|
62 |
20 |
45.5 |
48.0 |
8500 |
11000 |
0.202 |
RNU 2206 E |
3.5 |
1 |
41.8 |
57 |
1 |
|
|
40.5 |
72 |
19 |
49.2 |
48.2 |
8000 |
10000 |
0.285 |
RNU 306 E |
3.5 |
1.1 |
46.2 |
61.5 |
1 |
|
72 |
27 |
70.0 |
75.5 |
8000 |
10000 |
0.409 |
RNU 2306 E |
4.5 |
1.1 |
46.2 |
61.5 |
1 |
|
|
42 |
62 |
14 |
|
|
|
|
|
RNU 1007 |
3.75 |
1 |
|
|
|
|
44 |
72 |
17 |
46.5 |
48.0 |
7500 |
9500 |
0.233 |
RNU 207 E |
3 |
1.1 |
47.4 |
61.5 |
1 |
|
72 |
23 |
57.5 |
63.0 |
7500 |
9500 |
0.307 |
RNU 2207 E |
4.5 |
1.1 |
47.4 |
61.5 |
1 |
|
|
46.2 |
80 |
21 |
62.0 |
63.2 |
7000 |
9000 |
0.379 |
RNU 307 E |
3.5 |
1.5 |
50.3 |
72 |
1.5 |
|
80 |
31 |
87.5 |
98.2 |
7000 |
9000 |
0.557 |
RNU 2307 E |
5 |
1.5 |
50.3 |
72 |
1.5 |
|
|
47 |
68 |
15 |
|
|
|
|
|
RNU 1008 |
4 |
1 |
|
|
|
|
49.5 |
80 |
18 |
51.5 |
53.0 |
7000 |
9000 |
0.294 |
RNU 208 E |
3.5 |
1.1 |
54.2 |
73.5 |
1 |
|
80 |
23 |
67.5 |
75.2 |
7000 |
9000 |
0.38 |
RNU 2208 E |
4 |
1.1 |
54.2 |
73.5 |
1 |
|
|
52 |
90 |
23 |
76.8 |
77.8 |
6300 |
8000 |
0.515 |
RNU 308 E |
4 |
1.5 |
58.3 |
82 |
1.5 |
|
90 |
33 |
105 |
118 |
6300 |
8000 |
0.738 |
RNU 2308 E |
5.5 |
1.5 |
58.3 |
82 |
1.5 |
|
|
52.5 |
75 |
16 |
|
|
|
|
|
RNU 1009 |
4.25 |
1 |
|
|
|
|
54.5 |
85 |
19 |
58.5 |
63.8 |
6300 |
8000 |
0.335 |
RNU 209 E |
3.5 |
1.1 |
59 |
78.5 |
1 |
|
85 |
23 |
71.0 |
82.0 |
6300 |
8000 |
0.407 |
RNU 2209 E |
4 |
1.1 |
59 |
78.5 |
1 |
|
|
57.5 |
80 |
16 |
|
|
|
|
|
RNU 1010 |
4.25 |
1 |
|
|
|
|
58.5 |
100 |
25 |
93.0 |
98.0 |
5600 |
7000 |
0.703 |
RNU 309 E |
4.5 |
1.5 |
64 |
92 |
1.5 |
|
100 |
36 |
130 |
152 |
5600 |
7000 |
1.01 |
RNU 2309 E |
6 |
1.5 |
64 |
92 |
1.5 |
|
|
59.5 |
90 |
20 |
61.2 |
69.2 |
6000 |
7500 |
0.369 |
RNU 210 E |
4 |
1.1 |
64.1 |
83.5 |
1 |
|
90 |
23 |
74.2 |
88.8 |
6000 |
7500 |
0.433 |
RNU 2210 E |
4 |
1.1 |
64.1 |
83.5 |
1 |
|
|
64.5 |
90 |
18 |
|
|
|
|
|
RNU 1011 |
5 |
1.1 |
|
|
|
|
65 |
110 |
27 |
105 |
112 |
5300 |
6700 |
0.896 |
RNU 310 E |
5 |
2 |
71 |
101 |
2 |
|
110 |
40 |
155 |
185 |
5300 |
6700 |
1.34 |
RNU 2310 E |
6.5 |
2 |
71 |
101 |
2 |
|
|
66 |
100 |
21 |
80.2 |
95.5 |
5300 |
6700 |
0.508 |
RNU 211 E |
3.5 |
1.5 |
70 |
92 |
1.5 |
|
100 |
25 |
94.8 |
118 |
5300 |
6700 |
0.601 |
RNU 2211 E |
4 |
1.5 |
70 |
92 |
1.5 |
|
|
69.5 |
95 |
18 |
|
|
|
|
|
RNU 1012 |
5 |
1.1 |
|
|
|
|
70.5 |
120 |
29 |
128 |
138 |
4800 |
6000 |
1.16 |
RNU 311 E |
5 |
2 |
77.2 |
111 |
2 |
|
120 |
43 |
190 |
228 |
4800 |
6000 |
1.74 |
RNU 2311 E |
6.5 |
2 |
77.2 |
111 |
2 |
|
|
72 |
110 |
22 |
89.8 |
102 |
5000 |
6300 |
0.632 |
RNU 212 E |
4 |
1.5 |
77.6 |
102 |
1.5 |
|
110 |
28 |
122 |
152 |
5000 |
6300 |
0.831 |
RNU 2212 E |
4 |
1.5 |
77.6 |
102 |
1.5 |
|
|
74.5 |
100 |
18 |
|
|
|
|
|
RNU 1013 |
5 |
1.1 |
|
|
|
|
77 |
130 |
31 |
142 |
155 |
4500 |
5600 |
1.40 |
RNU 312 E |
5.5 |
2.1 |
82.5 |
119 |
2.1 |
|
130 |
46 |
212 |
260 |
4500 |
5600 |
2.12 |
RNU 2312 E |
7 |
2.1 |
82.5 |
119 |
2.1 |
|
|
78.5 |
120 |
23 |
102 |
118 |
4500 |
5600 |
0.796 |
RNU 213 E |
4 |
1.5 |
84 |
112 |
1.5 |
|
120 |
31 |
142 |
180 |
4500 |
5600 |
1.09 |
RNU 2213 E |
4.5 |
1.5 |
84 |
112 |
1.5 |
|
|
80 |
110 |
20 |
47.5 |
57.0 |
4800 |
6000 |
— |
RNU 1014 |
5 |
1.1 |
83.8 |
103.5 |
1 |
|
82.5 |
140 |
33 |
170 |
188 |
4000 |
5000 |
1.75 |
RNU 313 E |
5.5 |
2.1 |
90.8 |
129 |
2.1 |
|
140 |
48 |
235 |
285 |
4000 |
5000 |
2.54 |
RNU 2313 E |
8 |
2.1 |
90.8 |
129 |
2.1 |
|
|
83.5 |
125 |
24 |
112 |
135 |
4300 |
5300 |
0.878 |
RNU 214 E |
4 |
1.5 |
88.6 |
117 |
1.5 |
|
125 |
31 |
148 |
192 |
4300 |
5300 |
1.15 |
RNU 2214 E |
4.5 |
1.5 |
88.6 |
117 |
1.5 |
|
|
85 |
115 |
20 |
|
|
|
|
|
RNU 1015 |
5 |
1.1 |
|
|
|
|
88.5 |
130 |
25 |
125 |
155 |
4000 |
5000 |
0.964 |
RNU 215 E |
4 |
1.5 |
92.9 |
122 |
1.5 |
|
130 |
31 |
155 |
205 |
4000 |
5000 |
1.21 |
RNU 2215 E |
4.5 |
1.5 |
92.9 |
122 |
1.5 |
|
|
89 |
150 |
35 |
195 |
220 |
3800 |
4800 |
2.18 |
RNU 314 E |
5.5 |
2.1 |
97.5 |
139 |
2.1 |
|
150 |
51 |
260 |
320 |
3800 |
4800 |
3.11 |
RNU 2314 E |
8.5 |
2.1 |
97.5 |
139 |
2.1 |
|
|
91.5 |
125 |
22 |
|
|
|
|
|
RNU 1016 |
5.5 |
1.1 |
|
|
|
|
95 |
160 |
37 |
228 |
260 |
3600 |
4500 |
2.62 |
RNU 315 E |
5.5 |
2.1 |
103.5 |
149 |
2.1 |
|
95.3 |
140 |
26 |
132 |
165 |
3800 |
4800 |
1.14 |
RNU 216 E |
4.5 |
2 |
100 |
131 |
2 |
|
140 |
33 |
178 |
242 |
3800 |
4800 |
1.49 |
RNU 2216 E |
4.5 |
2 |
100 |
131 |
2 |
|
|
95.5 |
160 |
55 |
245 |
308 |
3600 |
4500 |
4.54 |
RNU 2315 |
— |
2.1 |
103.5 |
149 |
2.1 |
|
96.5 |
130 |
22 |
64.5 |
81.6 |
4000 |
5000 |
0.72 |
RNU 1017 |
5.5 |
1.1 |
100.8 |
123.5 |
1 |
|
100.5 |
150 |
28 |
158 |
192 |
3600 |
4500 |
1.48 |
RNU 217 E |
4.5 |
2 |
107 |
141 |
2 |
|
150 |
36 |
205 |
272 |
3600 |
4500 |
1.93 |
RNU 2217 E |
5 |
2 |
107 |
141 |
2 |
|
|
101 |
170 |
39 |
245 |
282 |
3400 |
4300 |
3.1 |
RNU 316 E |
6 |
2.1 |
111.8 |
159 |
2.1 |
|
103 |
140 |
24 |
74.0 |
94.8 |
3800 |
4800 |
0.98 |
RNU 1018 |
6 |
1.5 |
107.8 |
132 |
1.5 |
|
107 |
160 |
30 |
172 |
215 |
3400 |
4300 |
1.79 |
RNU 218 E |
5 |
2 |
114.2 |
151 |
2 |
|
160 |
40 |
230 |
312 |
3400 |
4300 |
2.41 |
RNU 2218 E |
6 |
2 |
114.2 |
151 |
2 |
|
|
108 |
180 |
41 |
280 |
332 |
3200 |
4000 |
3.66 |
RNU 317 E |
6.5 |
3 |
115.5 |
167 |
2.5 |
|
180 |
60 |
295 |
380 |
3200 |
4000 |
6.47 |
RNU 2317 |
— |
3 |
115.5 |
167 |
2.5 |
|
|
112.5 |
170 |
32 |
208 |
362 |
3200 |
4000 |
2.22 |
RNU 219 E |
5 |
2.1 |
120 |
159 |
2.1 |
|
170 |
43 |
275 |
368 |
3200 |
4000 |
2.97 |
RNU 2219 E |
6.5 |
2.1 |
120 |
159 |
2.1 |
|
|
113 |
150 |
24 |
|
|
|
|
|
RNU 1020 |
6 |
1.5 |
|
|
|
|
113.5 |
190 |
43 |
298 |
348 |
3000 |
3800 |
4.27 |
RNU 318 E |
6.5 |
3 |
125 |
177 |
2.5 |
|
119 |
180 |
34 |
235 |
302 |
3000 |
3800 |
2.68 |
RNU 220 E |
5 |
2.1 |
128 |
169 |
2.1 |
|
180 |
46 |
318 |
440 |
3000 |
3800 |
3.65 |
RNU 2220 E |
6 |
2.1 |
128 |
169 |
2.1 |
|
|
119.5 |
160 |
26 |
|
|
|
|
|
RNU 1021 |
6.5 |
2 |
|
|
|
|
121.5 |
200 |
45 |
315 |
380 |
2800 |
3600 |
4.86 |
RNU 319 E |
7.5 |
3 |
132 |
187 |
2.5 |
|
125 |
170 |
28 |
115 |
155 |
3000 |
3800 |
1.91 |
RNU 1022 |
6.5 |
2 |
130.7 |
161 |
2 |
|
127.5 |
215 |
47 |
365 |
425 |
2600 |
3200 |
5.98 |
RNU 320 E |
7.5 |
3 |
140.5 |
202 |
2.5 |
|
132.5 |
200 |
38 |
278 |
360 |
2600 |
3400 |
3.69 |
RNU 222 E |
6 |
2.1 |
141.5 |
189 |
2.1 |
|
135 |
180 |
28 |
130 |
168 |
2600 |
3400 |
2.31 |
RNU 1024 |
6.5 |
2 |
140.7 |
171 |
2 |
|
225 |
49 |
322 |
392 |
2200 |
3000 |
— |
RNU 321 |
9.5 |
3 |
147 |
212 |
2.5 |
|
|
143 |
240 |
50 |
352 |
428 |
2000 |
2800 |
— |
RNU 322 |
9 |
3 |
155.5 |
227 |
2.5 |
|
143.5 |
215 |
40 |
322 |
422 |
2200 |
3000 |
4.52 |
RNU 224 E |
6 |
2.1 |
153 |
204 |
2.1 |
|
148 |
200 |
33 |
|
|
|
|
|
RNU 1026 |
8 |
2 |
|
|
|
|
154 |
260 |
55 |
440 |
552 |
1900 |
2600 |
— |
RNU 324 |
9.5 |
3 |
168.5 |
247 |
2.5 |
|
156 |
230 |
40 |
258 |
352 |
2000 |
2800 |
5.6 |
RNU 226 |
8 |
3 |
165.5 |
217 |
2.5 |
|
158 |
210 |
33 |
158 |
220 |
2000 |
2800 |
— |
RNU 1028 |
8 |
2 |
164.5 |
201 |
2 |
|
167 |
280 |
58 |
492 |
620 |
1700 |
2200 |
— |
RNU 326 |
10 |
4 |
182 |
264 |
3 |
|
169 |
250 |
42 |
302 |
415 |
1800 |
2400 |
— |
RNU 228 |
8 |
3 |
179.5 |
237 |
2.5 |
|
169.5 |
225 |
35 |
188 |
268 |
1900 |
2600 |
3.64 |
RNU 1030 |
8.5 |
2.1 |
176.7 |
214 |
2.1 |
|
180 |
240 |
38 |
|
|
|
|
|
RNU 1032 |
9 |
2.1 |
|
|
|
|
300 |
62 |
545 |
690 |
1600 |
2000 |
— |
RNU 328 |
11 |
4 |
196 |
284 |
3 |
|
|
182 |
270 |
45 |
360 |
490 |
1700 |
2200 |
— |
RNU 230 |
8.5 |
3 |
193 |
257 |
2.5 |
|
193 |
260 |
42 |
|
|
|
|
|
RNU 1034 |
10 |
2.1 |
|
|
|
|
320 |
65 |
595 |
765 |
1500 |
1900 |
— |
RNU 330 |
11.5 |
4 |
210 |
304 |
3 |
|
|
195 |
290 |
48 |
405 |
552 |
1600 |
2000 |
— |
RNU 232 |
9 |
3 |
205 |
277 |
2.5 |
|
205 |
280 |
46 |
300 |
438 |
1600 |
2000 |
— |
RNU 1036 |
10.5 |
2.1 |
214.5 |
269 |
2.1 |
|
208 |
340 |
68 |
628 |
825 |
1400 |
1800 |
— |
RNU 332 |
13 |
4 |
225 |
324 |
3 |
|
310 |
52 |
425 |
650 |
1500 |
1900 |
— |
RNU 234 |
10 |
4 |
219.8 |
294 |
3 |
|
|
215 |
290 |
46 |
|
|
|
|
|
RNU 1038 |
10.5 |
2.1 |
|
|
|
|
218 |
320 |
52 |
425 |
650 |
1400 |
2800 |
— |
RNU 236 |
10 |
4 |
230.5 |
304 |
3 |
|
220 |
360 |
72 |
715 |
952 |
1300 |
1700 |
— |
RNU 334 |
13.5 |
4 |
238 |
344 |
3 |
|
229 |
310 |
51 |
|
|
|
|
|
RNU 1040 |
12.5 |
2.1 |
|
|
|
|
231 |
340 |
55 |
512 |
745 |
1300 |
1700 |
— |
RNU 238 |
10.5 |
4 |
244.5 |
324 |
3 |
|
232 |
380 |
75 |
835 |
1100 |
1200 |
1600 |
— |
RNU 336 |
13.5 |
4 |
251 |
364 |
3 |
|
244 |
360 |
58 |
570 |
842 |
1200 |
1600 |
— |
RNU 240 |
11 |
4 |
258 |
344 |
3 |
|
245 |
400 |
78 |
882 |
1190 |
1100 |
1500 |
— |
RNU 338 |
14 |
5 |
265 |
380 |
4 |
|
250 |
340 |
|
|
|
|
|
|
RNU 1044 |
13 |
|
|
|
|
|
260 |
420 |
80 |
972 |
1290 |
1000 |
1400 |
— |
RNU 340 |
15 |
5 |
280 |
400 |
4 |
|
270 |
360 |
56 |
|
|
|
|
|
RNU 1048 |
13 |
3 |
|
|
|
|
270 |
400 |
65 |
702 |
1050 |
1000 |
1400 |
— |
RNU 244 |
12.5 |
4 |
286 |
384 |
3 |
|
296 |
400 |
65 |
|
|
|
|
|
RNU 1052 |
15.5 |
4 |
|
|
|
|
316 |
420 |
65 |
|
|
|
|
|
RNU 1056 |
15.5 |
4 |
|
|
|
|
340 |
460 |
74 |
|
|
|
|
|
RNU 1060 |
17 |
4 |
|
|
|
|
360 |
480 |
74 |
|
|
|
|
|
RNU 1064 |
17 |
4 |
|
|
|
|
385 |
520 |
82 |
|
|
|
|
|
RNU 1068 |
18.5 |
5 |
|
|
|
|
405 |
540 |
82 |
|
|
|
|
|
RNU 1072 |
18.5 |
5 |
|
|
|
|
425 |
560 |
82 |
|
|
|
|
|
RNU 1076 |
18.5 |
5 |
|
|
|
|
450 |
600 |
90 |
|
|
|
|
|
RNU 1080 |
20 |
5 |
|
|
|

