|
尼龙轴套的尺寸及偏差 mm |
||||||||||||||||||||
|
|
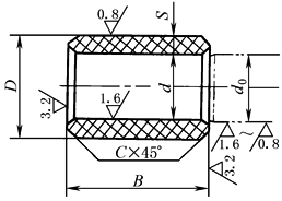
硬度:15~18HBS D0——轴承座内径,mm h'——由于外径的过盈而使内径缩小的量 d0——轴径,mm,公差取d11 |
|||||||||||||||||||
|
项目 |
尺寸及偏差 |
|||||||||||||||||||
|
轴套 |
d |
<30 |
30~50 |
>50 |
||||||||||||||||
|
S |
1.5~2 |
2.5~3 |
3.5~4 |
|||||||||||||||||
|
C |
0.3 |
0.4 |
0.5 |
|||||||||||||||||
|
轴承座 |
d |
≤6 |
>6~12 |
>12~22 |
>22~40 |
>40 |
||||||||||||||
|
C |
0.3 |
0.4 |
0.5 |
0.8 |
1 |
|||||||||||||||
|
轴套宽度 B<1.5d |
B |
≤6 |
>6~10 |
>10~18 |
>18 |
|||||||||||||||
|
偏差 |
0 -0.15 |
0 -0.25 |
0 -0.40 |
0 -0.50 |
||||||||||||||||
|
D对轴承座孔的过盈量 |
h≈0.008D0+(0.05~0.08) 尼龙6采用下限值0.05mm,尼龙1010采用上限值0.08mm |
|||||||||||||||||||
|
轴套在压配合前的内径d' |
|
|||||||||||||||||||
|
保证轴颈在轴套内孔中正常运转时的间隙(平均值) |
��δ≈(0.005~0.01)d |
|||||||||||||||||||
|
轴套 直径 |
d、D |
≤6 |
>6~12 |
>12~18 |
>18~30 |
>30~50 |
>50~80 |
|||||||||||||
|
偏差 |
+0.045 0 |
+0.050 0 |
+0.055 0 |
+0.065 0 |
+0.070 0 |
+0.080 0 |
||||||||||||||
|
||||||||||||||||||||

