|
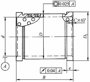
WQP剖分式镶嵌轴承A型尺寸 /mm |
|||||||||
|
标记示例:剖分式镶嵌轴承WQP030 A型 |
代 号 |
d (H7或H8) |
D |
D1 (d11) |
B (h12) |
e |
C |
重量 /kg |
|
|
WQP 030 |
30 |
38 |
s6 |
48 |
34 |
6 |
1 |
0.201 |
|
|
WQP 035 |
35 |
45 |
55 |
45 |
6.5 |
1 |
0.343 |
||
|
WQP 040 |
40 |
50 |
60 |
50 |
7.5 |
1 |
0.406 |
||
|
WQP 045 |
45 |
55 |
65 |
55 |
7.5 |
1 |
0.511 |
||
|
WQP 050 |
50 |
60 |
70 |
60 |
7.5 |
1 |
0.598 |
||
|
WQP 060 |
60 |
70 |
80 |
70 |
10 |
2 |
0.847 |
||
|
WQP 070 |
70 |
85 |
95 |
80 |
10 |
2 |
1.554 |
||
|
WQP 080 |
80 |
95 |
110 |
95 |
12.5 |
2 |
2.284 |
||
|
WQP 090 |
90 |
105 |
120 |
105 |
12.5 |
2 |
2.741 |
||
|
WQP 100 |
100 |
115 |
130 |
115 |
12.5 |
2 |
3.239 |
||
|
WQP 110 |
110 |
125 |
r6 |
140 |
125 |
12.5 |
2 |
3.780 |
|
|
WQP 120 |
120 |
135 |
150 |
140 |
15 |
2 |
4.646 |
||
|
WQP 140 |
140 |
160 |
175 |
160 |
20 |
2 |
8.127 |
||
|
WQP 160 |
160 |
180 |
200 |
180 |
20 |
2 |
10.696 |
||
|
注:1.A型轴承采用对开式二螺柱正滑动轴承座(摘自JB/T2561—1991)。 2.B型采用对开式四螺柱正滑动轴承座(摘自JB/T 2562—1991)或对开式四螺柱斜滑动轴承座(摘自JB/T 2563—1991)。B型尺寸见生产厂样本。 3.与外径相配座孔偏差为H7。 |
|||||||||

