|
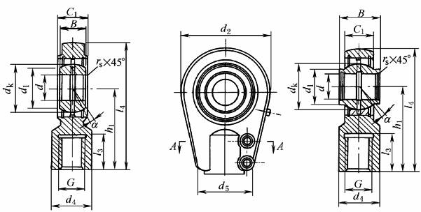
内螺纹带锁口杆端关节轴承 |
||||||||||||||||||
|
SIR…ES SIGEW…ES 1.轴承附有内螺纹带锁口的伸出杆,螺纹有左、右旋之分。 2.SIR…ES或SIGEW…ES型是由向心关节轴承GE…ES或GEEW…ES和杆端体组装而成的。 3.带有润滑油孔或油杯。 |
||||||||||||||||||
|
轴承型号 |
尺 寸 /mm |
额定载荷/kN |
α /(°) ≈ |
重量 /kg ≈ |
||||||||||||||
|
d |
B |
dk |
rs min |
C1 max |
d1 ≈ |
d2 max |
G |
h1 |
l3 min |
l4 max |
d4 max |
d5 max |
b |
动 |
静 |
|||
|
E 系 列 |
||||||||||||||||||
|
SIR20ES |
20 |
16 |
29 |
0.3 |
19 |
24 |
56 |
M16×1.5 |
50 |
17 |
78 |
25 |
36 |
17 |
30 |
42 |
9 |
0.37 |
|
SIR25ES |
25 |
20 |
35.5 |
0.6 |
23 |
29 |
56 |
M16×1.5 |
50 |
17 |
78 |
25 |
36 |
21 |
48 |
52 |
7 |
0.43 |
|
SIR30ES |
30 |
22 |
40.7 |
0.6 |
28 |
34 |
64 |
M22×1.5 |
60 |
23 |
92 |
32 |
40 |
26 |
62 |
72 |
6 |
0.70 |
|
|
|
|
|
|
|
|
|
|
|
|
|
|
|
|
|
|
|
|
|
SIR35ES |
35 |
25 |
47 |
0.6 |
30 |
39 |
78 |
M28×1.5 |
70 |
29 |
109 |
40 |
50 |
28 |
79 |
104 |
6 |
1.1 |
|
SIR40ES |
40 |
28 |
53 |
0.6 |
35 |
45 |
94 |
M35×1.5 |
85 |
36 |
132 |
49 |
60 |
33 |
99 |
173 |
7 |
2.1 |
|
SIR50ES |
50 |
35 |
66 |
0.6 |
40 |
55 |
116 |
M45×1.5 |
105 |
46 |
163 |
61 |
72 |
37 |
156 |
265 |
6 |
3.3 |
|
|
|
|
|
|
|
|
|
|
|
|
|
|
|
|
|
|
|
|
|
SIR60ES |
60 |
44 |
80 |
1.0 |
50 |
66 |
130 |
M58×1.5 |
130 |
59 |
195 |
75 |
90 |
46 |
245 |
320 |
6 |
5.5 |
|
SIR70ES |
70 |
49 |
92 |
1.0 |
55 |
77 |
154 |
M65×1.5 |
150 |
66 |
227 |
86 |
100 |
51 |
313 |
440 |
6 |
8.6 |
|
SIR80ES |
80 |
55 |
105 |
1.0 |
60 |
88 |
176 |
M80×2 |
170 |
81 |
258 |
102 |
125 |
55 |
400 |
570 |
6 |
12.0 |
|
|
|
|
|
|
|
|
|
|
|
|
|
|
|
|
|
|
|
|
|
SIR100ES |
100 |
70 |
130 |
1.0 |
70 |
109 |
230 |
M110×2 |
235 |
111 |
350 |
138 |
166 |
65 |
607 |
965 |
7 |
28.0 |
|
W(EW) 系 列 |
||||||||||||||||||
|
SIGEW12ES① |
12 |
12 |
18 |
0.3 |
10.5 |
15.5 |
32 |
M12×1.25 |
38 |
17 |
54 |
16 |
32 |
12 |
10 |
15 |
4 |
0.11 |
|
SIGEW16ES |
16 |
16 |
23 |
0.3 |
13 |
20 |
40 |
M14×1.5 |
44 |
19 |
64 |
21 |
40 |
12 |
17 |
24 |
4 |
0.21 |
|
SIGEW20ES |
20 |
20 |
29 |
0.3 |
17 |
25 |
47 |
M16×1.5 |
52 |
23 |
75.5 |
25 |
47 |
14 |
30 |
36 |
4 |
0.40 |
|
|
|
|
|
|
|
|
|
|
|
|
|
|
|
|
|
|
|
|
|
SIGEW25ES |
25 |
25 |
35.5 |
0.6 |
21 |
30.5 |
58 |
M20×1.5 |
65 |
29 |
94 |
30 |
54 |
17 |
48 |
57 |
4 |
0.66 |
|
SIGEW32ES |
32 |
32 |
43 |
0.6 |
27 |
37 |
70 |
M27×2 |
80 |
37 |
115 |
38 |
66 |
22 |
65 |
81 |
4 |
1.2 |
|
SIGEW40ES |
40 |
40 |
53 |
0.6 |
32 |
46 |
89 |
M33×2 |
97 |
46 |
141.5 |
47 |
80 |
26 |
99 |
156 |
4 |
2.1 |
|
|
|
|
|
|
|
|
|
|
|
|
|
|
|
|
|
|
|
|
|
SIGEW50ES |
50 |
50 |
66 |
0.6 |
40 |
57 |
108 |
M42×2 |
120 |
57 |
174 |
58 |
96 |
32 |
156 |
250 |
4 |
4.5 |
|
SIGEW63ES |
63 |
63 |
83 |
1.0 |
52 |
71.5 |
132 |
M48×2 |
140 |
64 |
206 |
70 |
114 |
38 |
253 |
343 |
4 |
7.6 |
|
SIGEW80ES |
80 |
80 |
105 |
1.0 |
66 |
91 |
168 |
M63×3 |
180 |
86 |
264 |
90 |
148 |
48 |
400 |
560 |
4 |
14.0 |
|
|
|
|
|
|
|
|
|
|
|
|
|
|
|
|
|
|
|
|
|
SIGEW100ES |
100 |
100 |
130 |
1.0 |
84 |
113 |
210 |
M80×3 |
210 |
96 |
315 |
110 |
178 |
62 |
607 |
960 |
4 |
28.0 |
|
①不能润滑。 注:1.若在左旋螺纹,轴承型号和螺纹标记需加“L”和“左”,例如:SILR30ES M22×1.5左-6H,SILGEW32ES M27×2左-6H。 2.表中E系列的d2、G、h1、l3、l4、d4、d5尺寸与GB/T 9161—2001规定的尺寸不同,选用时与生产厂家联系。 |
||||||||||||||||||


