|
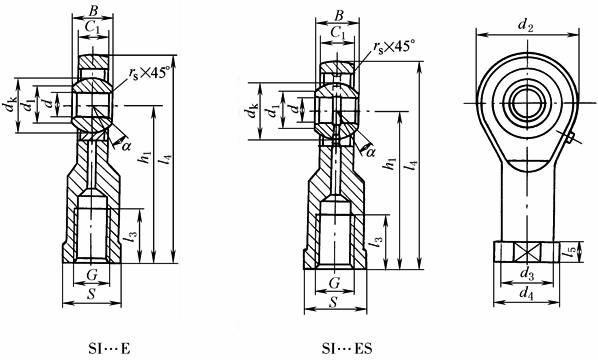
内螺纹组装(及镶垫)杆端关节轴承 |
|
|
|
轴承 型号 |
尺 寸 /mm |
额定载荷/kN |
α /(°) ≈ |
重量 /kg ≈ |
|||||||||||||||||||||
|
d |
B |
rs min |
C1 max |
d1 ≈ |
d2 max |
G |
dk |
h1 |
l3 min |
l4 max |
l5 ≈ |
d3 ≈ |
d4 max |
S |
动 |
静 |
|||||||||
|
E 系 列 |
|||||||||||||||||||||||||
|
SI5E |
5 |
6 |
0.3 |
4.5 |
7 |
21 |
M5 |
10 |
30 |
11 |
40.5 |
5 |
10 |
13 |
10 |
3.4 |
8.1 |
13 |
0.016 |
||||||
|
SI6E |
6 |
6 |
0.3 |
4.5 |
8 |
21 |
M6 |
10 |
30 |
11 |
40.5 |
5 |
11 |
13 |
11 |
3.4 |
8.1 |
13 |
0.017 |
||||||
|
SI8E |
8 |
8 |
0.3 |
6.5 |
10 |
24 |
M8 |
13 |
36 |
15 |
48 |
5 |
13 |
16 |
13 |
5.5 |
12.9 |
15 |
0.035 |
||||||
|
|
|
|
|
|
|
|
|
|
|
|
|
|
|
|
|
|
|
|
|
||||||
|
SI10E |
10 |
9 |
0.3 |
7.5 |
13 |
29 |
M10 |
16 |
43 |
15 |
57.5 |
6.5 |
16 |
19 |
16 |
8.1 |
17.6 |
12 |
0.061 |
||||||
|
SI12E |
12 |
10 |
0.3 |
8.5 |
15 |
34 |
M12 |
18 |
50 |
18 |
67 |
7 |
19 |
22 |
18 |
10 |
24.5 |
10 |
0.096 |
||||||
|
SI15ES |
15 |
12 |
0.3 |
10.5 |
18 |
40 |
M14 |
22 |
61 |
21 |
81 |
8 |
21 |
26 |
21 |
16 |
36 |
8 |
0.162 |
||||||
|
|
|
|
|
|
|
|
|
|
|
|
|
|
|
|
|
|
|
|
|
||||||
|
SI17ES |
17 |
14 |
0.3 |
11.5 |
20 |
46 |
M16 |
25 |
67 |
24 |
90 |
10 |
25 |
29 |
27 |
21 |
45 |
10 |
0.233 |
||||||
|
SI20ES |
20 |
16 |
0.3 |
13.5 |
24 |
53 |
M20×1.5 |
29 |
77 |
30 |
103.5 |
10 |
28 |
34 |
30 |
29 |
60 |
9 |
0.324 |
||||||
|
SI25ES |
25 |
20 |
0.6 |
18 |
29 |
64 |
M24×2 |
35 |
94 |
36 |
126 |
12 |
35 |
42 |
36 |
48 |
83 |
7 |
0.625 |
||||||
|
|
|
|
|
|
|
|
|
|
|
|
|
|
|
|
|
|
|
|
|
||||||
|
SI30ES |
30 |
22 |
0.6 |
20 |
24 |
73 |
M30×2 |
40 |
110 |
45 |
146.5 |
15 |
42 |
50 |
46 |
62 |
110 |
6 |
0.976 |
||||||
|
SI35ES |
35 |
25 |
0.6 |
22 |
39 |
82 |
M36×3 |
47 |
125 |
60 |
166 |
15 |
48 |
58 |
55 |
79 |
146 |
6 |
1.52 |
||||||
|
SI40ES |
40 |
28 |
0.6 |
24 |
45 |
92 |
M39×3 |
53 |
142 |
65 |
188 |
18 |
52 |
65 |
60 |
99 |
180 |
7 |
2.06 |
||||||
|
|
|
|
|
|
|
|
|
|
|
|
|
|
|
|
|
|
|
|
|
||||||
|
SI45ES |
45 |
32 |
0.6 |
28 |
50 |
102 |
M42×3 |
60 |
145 |
65 |
196 |
20 |
58 |
70 |
65 |
127 |
240 |
7 |
2.72 |
||||||
|
SI50ES |
50 |
35 |
0.6 |
31 |
55 |
112 |
M45×3 |
66 |
160 |
68 |
216 |
20 |
62 |
75 |
70 |
156 |
290 |
6 |
3.57 |
||||||
|
SI60ES |
60 |
44 |
1.0 |
39 |
66 |
135 |
M52×3 |
80 |
175 |
70 |
242.5 |
20 |
70 |
88 |
80 |
245 |
450 |
6 |
5.63 |
||||||
|
|
|
|
|
|
|
|
|
|
|
|
|
|
|
|
|
|
|
|
|
||||||
|
SI70ES |
70 |
49 |
1.0 |
43 |
77 |
160 |
M56×4 |
92 |
200 |
80 |
280 |
20 |
80 |
98 |
85 |
313 |
610 |
6 |
8.33 |
||||||
|
SI80ES |
80 |
55 |
1.0 |
48 |
88 |
180 |
M64×4 |
105 |
230 |
85 |
320 |
25 |
95 |
110 |
95 |
400 |
750 |
6 |
13.04 |
||||||
|
P 系 列 |
|||||||||||||||||||||||||
|
SIBP5S |
5 |
8 |
0.3 |
6 |
7.7 |
16 |
M5 |
|
27 |
14 |
35 |
4 |
9 |
11 |
9 |
3.3 |
4.1 |
13 |
0.016 |
||||||
|
SIBP6S |
6 |
9 |
0.3 |
6.75 |
9 |
18 |
M6 |
|
30 |
14 |
39 |
5 |
10 |
13 |
11 |
4.3 |
5.3 |
13 |
0.026 |
||||||
|
SIBP8S |
8 |
12 |
0.3 |
9 |
10.4 |
22 |
M8 |
|
36 |
17 |
47 |
5 |
12.5 |
16 |
14 |
6.8 |
8.5 |
14 |
0.044 |
||||||
|
|
|
|
|
|
|
|
|
|
|
|
|
|
|
|
|
|
|
|
|
||||||
|
SIBP10S |
10 |
14 |
0.6 |
10.5 |
12.9 |
26 |
M10 |
|
43 |
21 |
56 |
6.5 |
15 |
19 |
17 |
10 |
11 |
14 |
0.072 |
||||||
|
SIBP12S |
12 |
16 |
0.6 |
12 |
15.4 |
30 |
M12 |
|
50 |
24 |
65 |
6.5 |
17.5 |
22 |
19 |
13 |
14 |
13 |
0.108 |
||||||
|
SIBP14S |
14 |
19 |
0.6 |
13.5 |
16.9 |
34 |
M14 |
|
57 |
27 |
74 |
8 |
20 |
25 |
22 |
17 |
20 |
16 |
0.161 |
||||||
|
|
|
|
|
|
|
|
|
|
|
|
|
|
|
|
|
|
|
|
|
||||||
|
SIBP16S |
16 |
21 |
0.6 |
15 |
19.4 |
38 |
M16 |
|
64 |
33 |
83 |
8 |
22 |
27 |
22 |
21 |
25 |
15 |
0.225 |
||||||
|
SIBP18S |
18 |
23 |
0.6 |
16.5 |
21.9 |
42 |
M18×1.5 |
|
71 |
36 |
92 |
10 |
25 |
31 |
27 |
26 |
30 |
15 |
0.295 |
||||||
|
SIBP20S |
20 |
25 |
0.6 |
18 |
24.4 |
46 |
M20×1.5 |
|
77 |
40 |
100 |
10 |
27.5 |
34 |
30 |
31 |
35 |
15 |
0.382 |
||||||
|
|
|
|
|
|
|
|
|
|
|
|
|
|
|
|
|
|
|
|
|
||||||
|
SIBP22S |
22 |
28 |
0.6 |
20 |
25.8 |
50 |
M22×1.5 |
|
84 |
43 |
109 |
12 |
30 |
37 |
32 |
38 |
43 |
15 |
0.488 |
||||||
|
SIBP25S |
25 |
31 |
0.6 |
22 |
29.6 |
60 |
M24×2 |
|
94 |
48 |
124 |
12 |
33.5 |
42 |
36 |
47 |
65 |
15 |
0.749 |
||||||
|
SIBP28S |
28 |
35 |
0.6 |
25 |
32.3 |
66 |
M27×2 |
|
103 |
53 |
136 |
12 |
37 |
46 |
41 |
59 |
77 |
15 |
0.949 |
||||||
|
|
|
|
|
|
|
|
|
|
|
|
|
|
|
|
|
|
|
|
|
||||||
|
SIBP30S |
30 |
37 |
0.6 |
25 |
34.8 |
70 |
M30×2 |
|
110 |
56 |
145 |
15 |
40 |
50 |
41 |
63 |
86 |
17 |
1.13 |
||||||
|
注:1.若是左旋螺纹,轴承型号和螺纹标记需加“L”和“左”,例如:SIL30ES M30×2左-6H。d≥15mm也可制造-2RS结构,例如:SI25ES-2RS,SILBP8S M8左-6H。 2.表中E系列的d2、l4、d4尺寸与GB/T 9161—2001规定的尺寸稍有差别,选用时与生产厂家联系。 |



