|
|
|
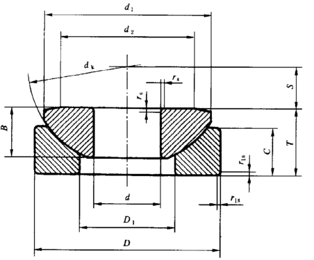
推力关节轴承 |
|||||||||||||||||||
|
|
|
|
|||||||||||||||||||
|
轴承型号 |
|
|
尺 寸/mm |
额定载荷/kN |
α /(°) ≈ |
重量 /kg ≈ |
安 装 尺 寸 /mm |
||||||||||||||
|
正常系列 |
d |
D |
T |
B |
C |
dk |
d2 |
|
|
D1 max |
d1 min |
S ≈ |
rs,r1s min |
动 |
静 |
da min |
Da max |
rc max |
|||
|
GX10S |
10 |
30 |
9.5 |
8 |
7 |
32 |
21 |
|
|
17 |
27 |
7 |
0.6 |
27 |
136 |
9 |
0.036 |
22 |
23 |
0.6 |
|
|
GX12S |
12 |
35 |
13 |
10 |
10 |
38 |
24 |
|
|
18 |
31.5 |
8 |
0.6 |
37 |
188 |
8 |
0.072 |
25 |
27 |
0.6 |
|
|
GX15S |
15 |
42 |
15 |
11 |
11 |
46 |
29 |
|
|
24.5 |
38.5 |
10 |
0.6 |
53 |
267 |
8 |
0.108 |
31 |
32 |
0.6 |
|
|
|
|
|
|
|
|
|
|
|
|
|
|
|
|
|
|
|
|
|
|
|
|
|
GX17S |
17 |
47 |
16 |
12 |
12 |
51 |
34 |
|
|
28.5 |
43 |
11 |
0.6 |
61 |
311 |
10 |
0.137 |
34 |
37 |
0.6 |
|
|
GX20S |
20 |
55 |
20 |
15 |
14 |
60 |
40 |
|
|
34 |
49.5 |
12.5 |
1.0 |
84 |
425 |
9 |
0.246 |
38 |
44 |
1.0 |
|
|
GX25S |
25 |
62 |
22.5 |
17 |
17 |
67 |
45 |
|
|
35 |
57 |
14 |
1.0 |
134 |
672 |
7 |
0.415 |
47 |
47 |
1.0 |
|
|
|
|
|
|
|
|
|
|
|
|
|
|
|
|
|
|
|
|
|
|
|
|
|
GX30S |
30 |
75 |
26 |
19 |
20 |
81 |
56 |
|
|
44.5 |
68.5 |
17.5 |
1.0 |
182 |
909 |
7 |
0.614 |
55 |
59 |
1.0 |
|
|
GX35S |
35 |
90 |
28 |
22 |
21 |
98 |
66 |
|
|
52.5 |
83.5 |
22 |
1.0 |
266 |
1330 |
8 |
0.973 |
65 |
71 |
1.0 |
|
|
GX40S |
40 |
105 |
32 |
27 |
22 |
114 |
78 |
|
|
59.5 |
96 |
24.5 |
1.0 |
357 |
1810 |
9 |
1.59 |
75 |
84 |
1.0 |
|
|
|
|
|
|
|
|
|
|
|
|
|
|
|
|
|
|
|
|
|
|
|
|
|
GX45S |
45 |
120 |
36.5 |
31 |
26 |
129 |
89 |
|
|
68.5 |
109 |
27.5 |
1.0 |
486 |
2470 |
9 |
2.24 |
84 |
97 |
1.0 |
|
|
GX50S |
50 |
130 |
42.5 |
34 |
32 |
140 |
98 |
|
|
71 |
119 |
30 |
1.0 |
554 |
2810 |
7 |
3.14 |
93 |
104 |
1.0 |
|
|
GX60S |
60 |
150 |
45 |
37 |
34 |
160 |
109 |
|
|
86.5 |
139 |
35 |
1.0 |
748 |
3820 |
8 |
4.63 |
109 |
119 |
1.0 |
|
|
|
|
|
|
|
|
|
|
|
|
|
|
|
|
|
|
|
|
|
|
|
|
|
GX70S |
70 |
160 |
50 |
42 |
37 |
173 |
121 |
|
|
95.5 |
149 |
35 |
1.0 |
902 |
4610 |
8 |
5.37 |
123 |
124 |
1.0 |
|
|
GX80S |
80 |
180 |
50 |
44 |
38 |
196 |
135 |
|
|
109 |
167 |
42.5 |
1.0 |
1110 |
5700 |
8 |
6.91 |
137 |
141 |
1.0 |
|
|
GX100S |
100 |
210 |
59 |
51 |
46 |
221 |
155 |
|
|
134 |
194 |
45 |
1.0 |
1300 |
6470 |
8 |
10.9 |
157 |
171 |
1.0 |
|
|
|
|
|
|
|
|
|
|
|
|
|
|
|
|
|
|
|
|
|
|
|
|
|
GX120S |
120 |
230 |
64 |
54 |
50 |
148 |
170 |
|
|
155 |
213 |
52.5 |
1.0 |
1530 |
7580 |
6 |
13.9 |
176 |
187 |
1.0 |
|
|
GX140S |
140 |
260 |
72 |
61 |
54 |
274 |
198 |
|
|
177 |
243 |
52.5 |
1.5 |
1820 |
9040 |
6 |
18.1 |
|
|
|
|
|
GX160S |
160 |
290 |
77 |
66 |
58 |
313 |
213 |
|
|
200 |
271 |
65 |
1.5 |
2100 |
10440 |
7 |
23.2 |
|
|
|
|
|
|
|
|
|
|
|
|
|
|
|
|
|
|
|
|
|
|
|
|
|
|
|
|
GX180S |
180 |
320 |
86 |
74 |
62 |
340 |
240 |
|
|
225 |
299 |
67.5 |
1.5 |
2430 |
12070 |
8 |
30.9 |
|
|
|
|
|
GX200S |
200 |
340 |
87 |
80 |
66 |
365 |
265 |
|
|
247 |
320 |
70 |
1.5 |
3070 |
15280 |
8 |
34.2 |
|
|
|
|
|
注:表中有些型号尺寸B、C、dk、D1、d1与GB/T 9162—2001规定的尺寸稍有差别,选用时与厂家联系。 |
|||||||||||||||||||||

