|
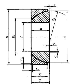
角接触关节轴承 |
|||||||||||||||||||
|
|
|||||||||||||||||||
|
轴承型号 |
尺 寸 /mm |
额定载荷/kN |
α /(°) ≈ |
重量 /kg ≈ |
安 装 尺 寸 /mm |
||||||||||||||
|
正常系列 |
d |
D |
B max |
C max |
T |
dk |
d1 ≈ |
D1 max |
S ≈ |
rs,r1s min |
动 |
静 |
da min |
db max |
Da max |
Dc min |
rc max |
||
|
GAC25S |
25 |
47 |
15 |
14 |
15 |
42 |
41.5 |
32 |
1 |
0.6 |
50 |
250 |
3.5 |
0.148 |
31 |
29 |
41 |
43 |
1.0 |
|
GAC28S |
28 |
52 |
16 |
15 |
16 |
47 |
46.5 |
36 |
1 |
1 |
60 |
300 |
3 |
0.186 |
|
|
|
|
|
|
GAC30S |
30 |
55 |
17 |
16 |
17 |
50 |
49.5 |
37 |
2 |
1 |
63 |
315 |
3 |
0.208 |
36 |
34 |
49 |
51 |
1.0 |
|
GAC32S |
32 |
58 |
17 |
16 |
17 |
52 |
51.5 |
40 |
2 |
1 |
71 |
354 |
3 |
0.241 |
|
|
|
|
|
|
GAC35S |
35 |
62 |
18 |
17 |
18 |
56 |
55.5 |
43 |
2 |
1 |
78 |
390 |
3 |
0.268 |
41 |
39 |
56 |
57 |
1.0 |
|
|
|
|
|
|
|
|
|
|
|
|
|
|
|
|
|
|
|
|
|
|
GAC40S |
40 |
68 |
19 |
18 |
19 |
61 |
60.5 |
48 |
2 |
1 |
92 |
463 |
3 |
0.327 |
46 |
44 |
62 |
63 |
1.0 |
|
GAC45S |
45 |
75 |
20 |
19 |
20 |
67 |
66.5 |
54 |
3 |
12 |
108 |
540 |
3 |
0.416 |
51 |
50 |
69 |
70 |
1.0 |
|
GAC50S |
50 |
80 |
20 |
19 |
20 |
74 |
73.5 |
60 |
4 |
1 |
123 |
618 |
3 |
0.455 |
56 |
56 |
74 |
75 |
1.0 |
|
|
|
|
|
|
|
|
|
|
|
|
|
|
|
|
|
|
|
|
|
|
GAC55S |
55 |
90 |
23 |
22 |
23 |
81 |
80 |
63 |
5 |
1.5 |
144 |
721 |
3 |
0.645 |
62 |
60 |
83 |
83 |
1.0 |
|
GAC60S |
60 |
95 |
23 |
22 |
23 |
87 |
86 |
69 |
5 |
1.5 |
163 |
817 |
3 |
0.714 |
67 |
67 |
88 |
89 |
1.0 |
|
GAC65S |
65 |
100 |
23 |
22 |
23 |
93 |
92 |
77 |
6 |
1.5 |
180 |
905 |
2.5 |
0.759 |
72 |
72 |
93 |
95 |
1.0 |
|
|
|
|
|
|
|
|
|
|
|
|
|
|
|
|
|
|
|
|
|
|
GAC70S |
70 |
110 |
25 |
24 |
25 |
102 |
101 |
83 |
7 |
1.5 |
206 |
1030 |
2.5 |
1.04 |
79 |
79 |
103 |
104 |
1.0 |
|
GAC75S |
75 |
115 |
25 |
24 |
25 |
106 |
105 |
87 |
7 |
1.5 |
220 |
1129 |
2.5 |
1.12 |
84 |
84 |
108 |
109 |
1.0 |
|
GAC80S |
80 |
125 |
29 |
27 |
29 |
115 |
113.5 |
92 |
9 |
1.5 |
258 |
1290 |
2.5 |
1.54 |
89 |
87 |
118 |
117 |
1.0 |
|
|
|
|
|
|
|
|
|
|
|
|
|
|
|
|
|
|
|
|
|
|
GAC85S |
85 |
130 |
29 |
27 |
29 |
121 |
119 |
98 |
10 |
1.5 |
284 |
1422 |
2.5 |
1.61 |
94 |
94 |
123 |
124 |
1.0 |
|
GAC90S |
90 |
140 |
32 |
30 |
32 |
129 |
127 |
104 |
11 |
2 |
316 |
1580 |
2.5 |
2.09 |
99 |
97 |
131 |
130 |
1.5 |
|
GAC95S |
95 |
145 |
32 |
30 |
32 |
133 |
131.5 |
109 |
9 |
2 |
350 |
1750 |
2.5 |
2.22 |
104 |
104 |
136 |
137 |
1.5 |
|
|
|
|
|
|
|
|
|
|
|
|
|
|
|
|
|
|
|
|
|
|
GAC100S |
100 |
150 |
32 |
31 |
32 |
141 |
138.5 |
115 |
12 |
2 |
384 |
1923 |
2 |
2.34 |
110 |
110 |
141 |
143 |
1.5 |
|
GAC105S |
105 |
160 |
35 |
33 |
35 |
149 |
146.5 |
120 |
13 |
2.5 |
423 |
2116 |
2 |
2.93 |
115 |
113 |
151 |
150 |
2 |
|
GAC110S |
110 |
170 |
38 |
36 |
38 |
158 |
155 |
127 |
14 |
2.5 |
463 |
2318 |
2 |
3.68 |
120 |
116 |
161 |
157 |
2 |
|
|
|
|
|
|
|
|
|
|
|
|
|
|
|
|
|
|
|
|
|
|
GAC120S |
120 |
180 |
38 |
37 |
38 |
169 |
165 |
137 |
16 |
2.5 |
547 |
2735 |
2 |
3.97 |
131 |
131 |
171 |
170 |
2 |
|
GAC130S |
130 |
200 |
45 |
43 |
45 |
188 |
184 |
149 |
18 |
2.5 |
710 |
3550 |
1 |
5.92 |
|
|
|
|
|
|
GAC140S |
140 |
210 |
45 |
43 |
45 |
198 |
194 |
162 |
19 |
2.5 |
740 |
3740 |
1 |
6.33 |
|
|
|
|
|
|
|
|
|
|
|
|
|
|
|
|
|
|
|
|
|
|
|
|
|
|
|
GAC150S |
150 |
225 |
48 |
46 |
48 |
211 |
207 |
172 |
20 |
3 |
850 |
4270 |
1 |
8.01 |
|
|
|
|
|
|
GAC160S |
160 |
240 |
51 |
49 |
51 |
225 |
221 |
183 |
20 |
3 |
970 |
4850 |
1 |
9.42 |
|
|
|
|
|
|
GAC170S |
170 |
260 |
57 |
55 |
57 |
246 |
242 |
195 |
21 |
3 |
1190 |
5950 |
1 |
12.3 |
|
|
|
|
|
|
|
|
|
|
|
|
|
|
|
|
|
|
|
|
|
|
|
|
|
|
|
GAC180S |
180 |
280 |
64 |
61 |
64 |
260 |
256 |
207 |
21 |
3 |
1395 |
6970 |
1 |
17.4 |
|
|
|
|
|
|
GAC190S |
190 |
290 |
64 |
62 |
64 |
275 |
270 |
213 |
26 |
3 |
1500 |
7500 |
1.5 |
18.2 |
|
|
|
|
|
|
GAC200S |
200 |
310 |
70 |
66 |
70 |
290 |
285 |
230 |
26 |
3 |
1680 |
8420 |
1 |
22.5 |
|
|
|
|
|
|
注:1.dk为参考尺寸 2.相应的最大倒角尺寸按GB/T 274-2000中表1的规定。 |
|||||||||||||||||||

