|
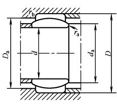
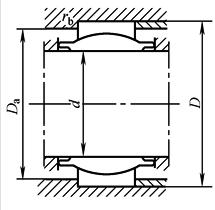
G系列向心关节轴承安装尺寸 mm |
|||||||||
|
GE…ES型 GE…ES-2RS型 GEEW…ES型 GEEW…ES-2RS型 GEG…ES型 GEG…ES-2RS型 |
|||||||||
|
轴承公称直径 |
da |
Da |
Db |
ra |
rb |
||||
|
d |
D |
max |
min |
max |
min |
max |
min |
max |
min |
|
4 |
14 |
7 |
6 |
12 |
10 |
— |
— |
0.3 |
0.3 |
|
5 |
16 |
8 |
7 |
14 |
12 |
— |
— |
0.3 |
0.3 |
|
6 |
16 |
9 |
8 |
14 |
12 |
— |
— |
0.3 |
0.3 |
|
8 |
19 |
11 |
10 |
17 |
15 |
— |
— |
0.3 |
0.3 |
|
10 |
22 |
13 |
13 |
20 |
18 |
— |
— |
0.3 |
0.3 |
|
12 |
26 |
16 |
15 |
23 |
21 |
— |
— |
0.3 |
0.3 |
|
15 |
30 |
19 |
18 |
27 |
24 |
27 |
25 |
0.3 |
0.3 |
|
17 |
35 |
21 |
20 |
32 |
28 |
32 |
30 |
0.3 |
0.3 |
|
20 |
42 |
24 |
23 |
38 |
33 |
38 |
36 |
0.3 |
0.3 |
|
25 |
47 |
29 |
28 |
43 |
38 |
43 |
40 |
0.6 |
0.6 |
|
30 |
55 |
34 |
33 |
50 |
44 |
50 |
47 |
0.6 |
1.0 |
|
35 |
62 |
39 |
38 |
57 |
50 |
57 |
53 |
0.6 |
1.0 |
|
40 |
68 |
44 |
44 |
63 |
56 |
63 |
59 |
0.6 |
1.0 |
|
45 |
75 |
50 |
49 |
70 |
61 |
70 |
64 |
0.6 |
1.0 |
|
50 |
90 |
57 |
54 |
84 |
73 |
84 |
77 |
0.6 |
1.0 |
|
60 |
105 |
67 |
65 |
99 |
84 |
99 |
89 |
1.0 |
1.0 |
|
70 |
120 |
77 |
75 |
114 |
87 |
114 |
102 |
1.0 |
1.0 |
|
80 |
130 |
87 |
85 |
124 |
106 |
124 |
110 |
1.0 |
1.0 |
|
90 |
150 |
98 |
96 |
144 |
120 |
144 |
127 |
1.0 |
1.0 |
|
100 |
160 |
110 |
106 |
154 |
131 |
154 |
138 |
1.0 |
1.0 |
|
110 |
180 |
122 |
116 |
174 |
146 |
174 |
154 |
1.0 |
1.0 |
|
120 |
210 |
132 |
126 |
204 |
168 |
204 |
177 |
1.0 |
1.0 |
|
140 |
230 |
151 |
146 |
224 |
186 |
224 |
196 |
1.0 |
1.0 |
|
160 |
260 |
176 |
166 |
254 |
214 |
254 |
224 |
1.0 |
1.0 |
|
180 |
300 |
196 |
187 |
283 |
233 |
283 |
245 |
1.0 |
1.0 |
|
200 |
320 |
220 |
207 |
313 |
260 |
313 |
272 |
1.0 |
1.0 |
|
220 |
340 |
243 |
227 |
333 |
286 |
333 |
299 |
1.0 |
1.0 |
|
240 |
370 |
263 |
247 |
363 |
310 |
363 |
323 |
1.0 |
1.0 |
|
260 |
400 |
285 |
267 |
393 |
333 |
393 |
346 |
1.0 |
1.0 |
|
280 |
430 |
310 |
287 |
423 |
360 |
423 |
373 |
1.0 |
1.0 |




