|
计算示例 |
||||
|
|
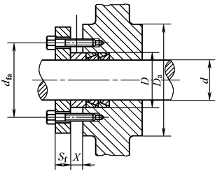
已知条件:d=100mm,Da=170mm,轮毂材料σs=315MPa,法兰材料σs=355MPa,需传递转矩M=7.8kN·m 确定胀套数量、螺栓数量及法兰尺寸,计算内容见下表 |
|||
|
序号 |
计算内容 |
计 算 公 式 |
说 明 |
|
|
1 |
选择胀套规格 |
根据d=100mm,选定胀套Z1-100×114 d=100mm,D=114mm pf=100MPa时Mt=3.5kN·m |
||
|
2 |
查消除间隙所需夹紧力和有效夹紧力 |
P0=60.7kN 当pf=100MPa时Py=347kN |
查表夹紧力中表2 |
|
|
3 |
初选螺栓尺寸 |
根据连接结构选定: 螺栓直径M12,机械性能等级8.8 拧紧力矩MA=86N·m 夹紧力PV=38.3kN |
MA和PV值查表夹紧力中表1 |
|
|
4 |
轮毂不产生塑性变形所允许的最大压强 |
|
试设胀套数为2,C值查表被连接件的尺寸中表1 |
|
|
5 |
与p'fmax相应的压强pfmax |
|
|
|
|
6 |
胀套可传递的载荷 |
pf=100MPa时Mt=3.5kN·m,当压强为pfmax=159.5MPa时
|
|
|
|
7 |
传递载荷所需的胀套数量 |
载荷系数
胀套数n=2 |
查表按载荷选择胀套的计算,当m<1.56时n=2 |
|
|
8 |
传递给定载荷所需的有效夹紧力 |
pf=100MPa时Py=347kN,当压强为pfmax=159.5MPa时
|
|
|
|
9 |
总夹紧力 |
PA=P0+P'y=60.7+553.5=614.2kN |
|
|
|
10 |
螺栓数量 |
|
|
|
|
11 |
确定法兰尺寸 |
dfa=D+10+d1=114+10+12=136mm
|
||
|
12 |
法兰与轮毂端面的距离 |
X=6 |
查表夹紧力中表2 |
|




