|
楔键键槽的尺寸与公差(GB/T 1563—2003) mm |
|||||||||||||
|
|
|||||||||||||
|
轴径 d |
键尺寸 b×h |
键 槽 |
|||||||||||
|
基本 尺寸 |
宽度b |
深度 |
半径r |
||||||||||
|
极限偏差 |
轴 t |
毂 t1 |
|||||||||||
|
正常连接 |
紧密连接 |
松连接 |
基本 尺寸 |
极限 偏差 |
基本 尺寸 |
极限 偏差 |
最小 |
最大 |
|||||
|
轴N9 |
毂JS9 |
轴和毂P9 |
轴H9 |
毂D10 |
|||||||||
|
6~8 |
2×2 |
2 |
-0.004 -0.029 |
±0.0125
|
-0.006 -0.031 |
+0.025 0 |
+0.060 +0.020 |
1.2 |
+0.1 0 |
1.0 |
+0.1 0 |
0.08 |
0.16 |
|
>8~10 |
3×3 |
3 |
1.8 |
1.4 |
|||||||||
|
>10~12 |
4×4 |
4 |
0 -0.030 |
±0.015 |
-0.012 -0.042 |
+0.030 0 |
+0.078 +0.030 |
2.5 |
1.8 |
||||
|
>12~17 |
5×5 |
5 |
3.0 |
2.3 |
0.16 |
0.25 |
|||||||
|
>17~22 |
6×6 |
6 |
3.5 |
2.8 |
|||||||||
|
>22~30 |
8×7 |
8 |
0 -0.036 |
±0.018
|
-0.015 -0.051 |
+0.036 0 |
+0.098 +0.040 |
4.0 |
+0.2 0 |
3.3 |
+0.2 0 |
||
|
>30~38 |
10×8 |
10 |
5.0 |
3.3 |
0.25 |
0.40 |
|||||||
|
>38~44 |
12×8 |
12 |
0 -0.043 |
±0.0215
|
-0.018 -0.061 |
+0.043 0 |
+0.120 +0.050 |
5.0 |
3.3 |
||||
|
>44~50 |
14×9 |
14 |
5.5 |
3.8 |
|||||||||
|
>50~58 |
16×10 |
16 |
6.0 |
4.3 |
|||||||||
|
>58~65 |
18×11 |
18 |
7.0 |
4.4 |
|||||||||
|
>65~75 |
20×12 |
20 |
0 -0.052 |
±0.026 |
-0.022 -0.074 |
+0.052 0 |
+0.149 +0.065 |
7.5 |
4.9 |
0.40 |
0.60 |
||
|
>75~85 |
22×14 |
22 |
9.0 |
5.4 |
|||||||||
|
>85~95 |
25×14 |
25 |
9.0 |
5.4 |
|||||||||
|
>95~110 |
28×16 |
28 |
10.0 |
6.4 |
|||||||||
|
>110~130 |
32×18 |
32 |
0 -0.062 |
±0.031 |
-0.026 -0.088 |
+0.062 0 |
+0.180 +0.080 |
11.0 |
7.4 |
||||
|
>130~150 |
36×20 |
36 |
12.0 |
+0.3 0 |
8.4 |
+0.3 0 |
0.70 |
1.00 |
|||||
|
>150~170 |
40×22 |
40 |
13.0 |
9.4 |
|||||||||
|
>170~200 |
45×25 |
45 |
15.0 |
10.4 |
|||||||||
|
>200~230 |
50×28 |
50 |
17.0 |
11.4 |
|||||||||
|
>230~260 |
56×32 |
56 |
0 -0.074 |
±0.037 |
-0.032 -0.106 |
+0.074 0 |
+0.220 +0.100 |
20.0 |
12.4 |
1.20 |
1.60 |
||
|
>260~290 |
63×32 |
63 |
20.0 |
12.4 |
|||||||||
|
>290~330 |
70×36 |
70 |
22.0 |
14.4 |
|||||||||
|
>330~380 |
80×40 |
80 |
25.0 |
15.4 |
2.00 |
2.50 |
|||||||
|
>380~440 |
90×45 |
90 |
0 -0.087 |
±0.0435
|
-0.037 -0.124 |
+0.087 0 |
+0.260 +0.120 |
28.0 |
17.4 |
||||
|
>440~500 |
100×50 |
100 |
31.0 |
19.4 |
|||||||||
|
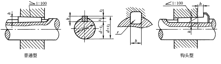
注:1.(d+t2)及t2表示大端轮毂槽深度。 2.安装时,键的斜面与轮毂的斜面必须紧密贴合。 3.轴槽、轮毂槽的键槽宽度b两侧面粗糙度参数Ra值推荐为1.6~3.2μm。 4.轴槽底面、轮毂槽底面的表面粗糙度参数Ra值为6.3μm。 5.表中(d-t1)和(d+t2)两组组合尺寸的极限偏差按相应的t1和t2的极限偏差选取,但(d-t1)的极限偏差值应取负号。 6.表中“轴的公称直径d”是沿用旧标准(1979年)的数据,仅供设计者初选时参考,然后根据工况验算确定键的规格。 |
|||||||||||||

